GM Service Manual Online
For 1990-2009 cars only

Ground Distribution Schematics Battery and Body Grounds

Figure 1:

Cell 14: G400, G501, G100, G118, G114, G601


Object Number: 244861  Size: FS
Power and Grounding Components
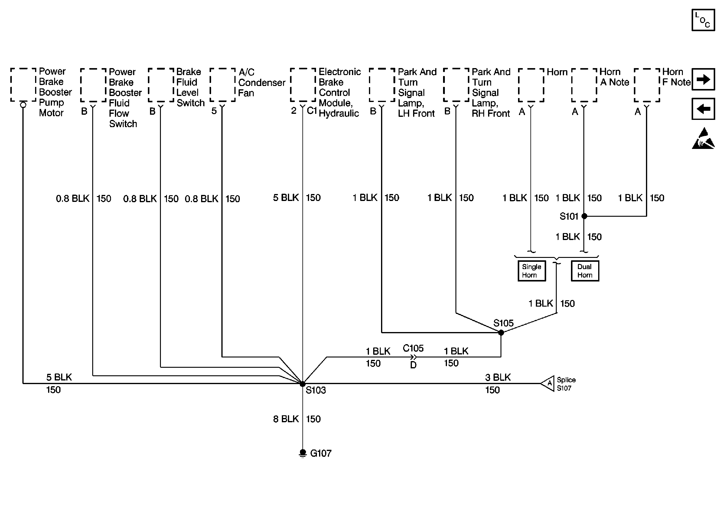
Cell 14: G107
Figure 2:

Cell 14: G107


Object Number: 301616  Size: FS
Power and Grounding Components
Cell 14: G107 Cont.
Cell 14: G400, G501, G100, G118, G114, G601
Handling ESD Sensitive Parts Notice
Figure 3:

Cell 14: G107 Cont.


Object Number: 301618  Size: FS
Power and Grounding Components
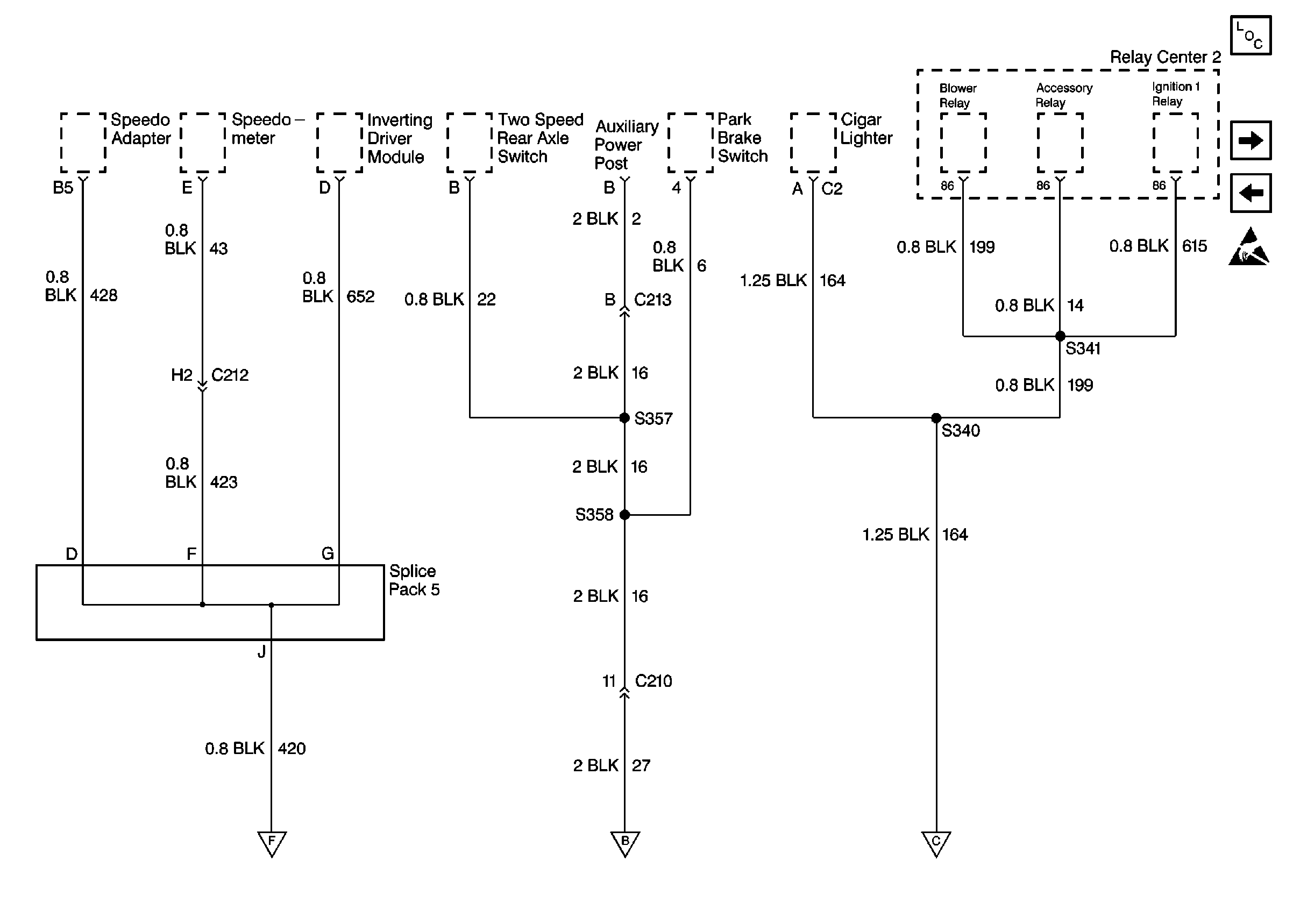
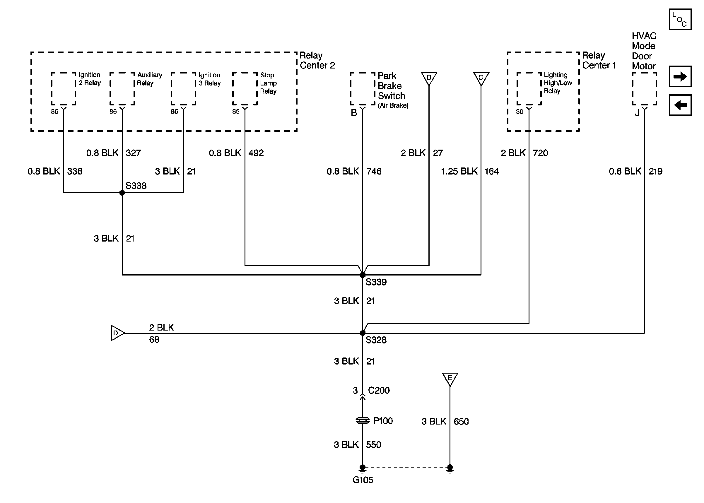
Cell 14: Relay Center #2
Cell 14: G107
Cell 14: G107
Figure 4:

Cell 14: Relay Center #2


Object Number: 301620  Size: FS
Power and Grounding Components
Cell 14: Relay Center 2 Cont.
Cell 14: G107 Cont.
Figure 5:

Cell 14: Relay Center 2 Cont.


Object Number: 301622  Size: FS
Power and Grounding Components
Cell 14: Splice Pack 5 ,Relay Center 2
Cell 14: Relay Center #2
Cell 14: Relay Center #2
Figure 6:

Cell 14: Splice Pack 5 ,Relay Center 2


Object Number: 301624  Size: FS
Power and Grounding Components
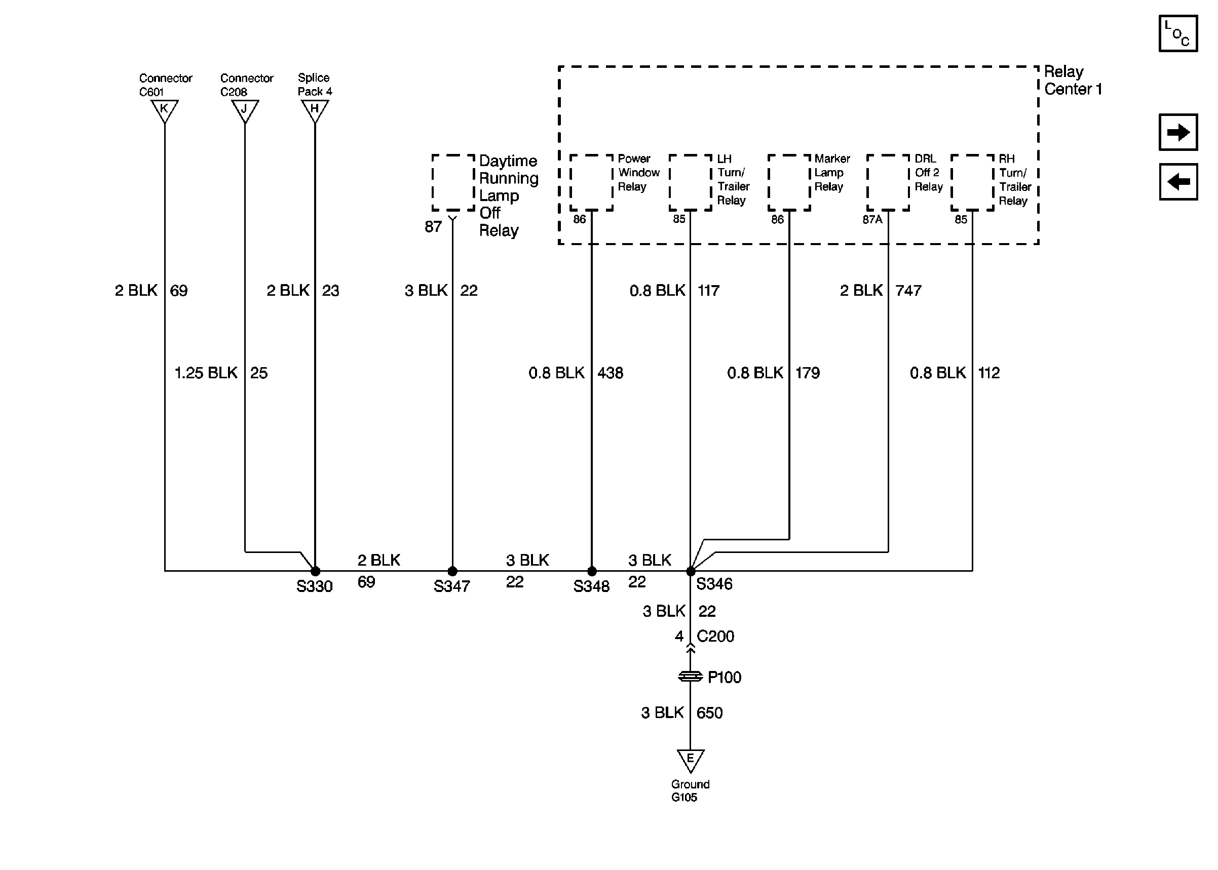
Cell 14: Relay Center 1
Cell 14: Relay Center 2 Cont.
Cell 14: Relay Center 2 Cont.
Cell 14: Relay Center #2
Cell 14: Relay Center #2
Handling ESD Sensitive Parts Notice
Figure 7:

Cell 14: Relay Center 1


Object Number: 301627  Size: FS
Power and Grounding Components
Cell 14: Splice Pack 1, Splice Pack 4
Cell 14: Splice Pack 5 ,Relay Center 2
Cell 14: Relay Center #2
Figure 8:

Cell 14: Splice Pack 1, Splice Pack 4


Object Number: 301628  Size: FS
Power and Grounding Components
Cell 14: G404
Cell 14: Relay Center 1
Handling ESD Sensitive Parts Notice
Cell 14: Relay Center 1
Figure 9:

Cell 14: G404


Object Number: 301629  Size: FS
Power and Grounding Components
Cell 14: G406, G408, Fuel Tanks, Two Speed Axle
Cell 14: Splice Pack 1, Splice Pack 4
Figure 10:

Cell 14: G406, G408, Fuel Tanks, Two Speed Axle


Object Number: 301631  Size: FS
Power and Grounding Components
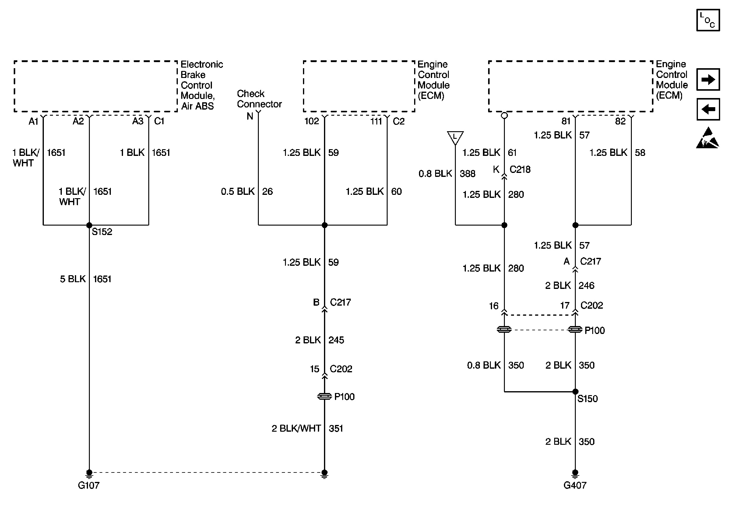
Cell 14: Engine Control Module, EBCM, Air
Cell 14: G404
Handling ESD Sensitive Parts Notice
Figure 11:

Cell 14: Engine Control Module, EBCM, Air


Object Number: 301633  Size: FS
Power and Grounding Components
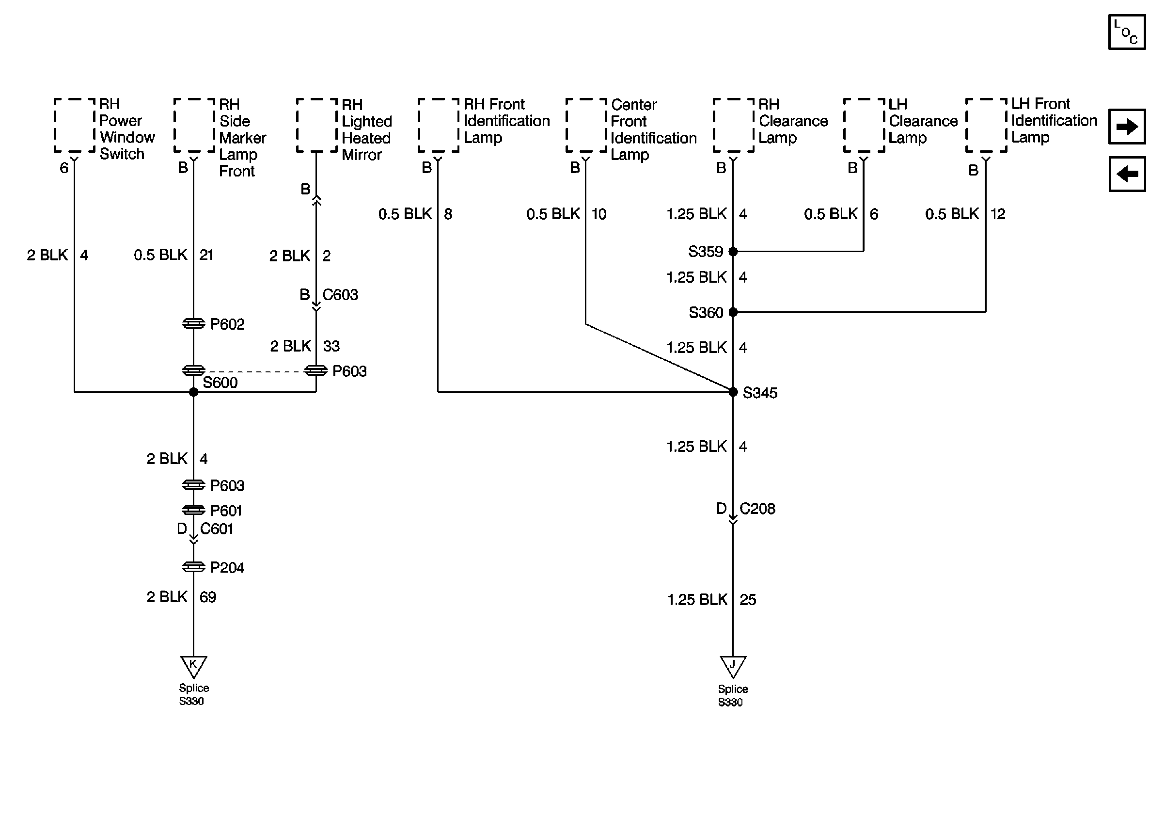
Cell 14: Front Identification Lamp
Cell 14: G406, G408, Fuel Tanks, Two Speed Axle
Handling ESD Sensitive Parts Notice
Figure 12:

Cell 14: Front Identification Lamp


Object Number: 245045  Size: FS
Power and Grounding Components
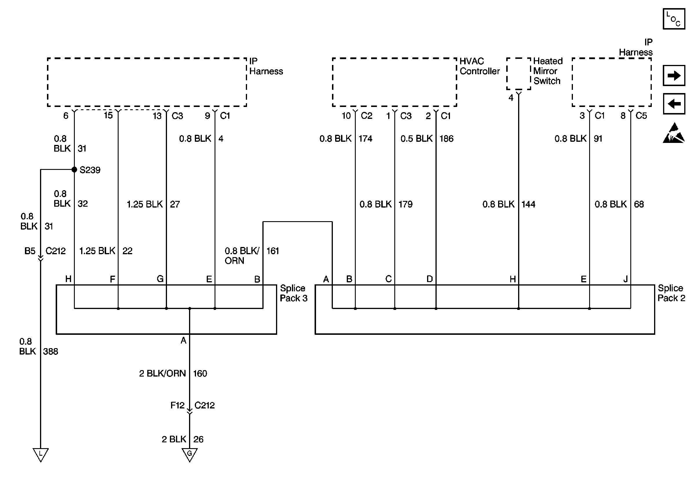
Cell 14: Splice Pack 2, Splice Pack 3
Cell 14: Engine Control Module, EBCM, Air
Figure 13:

Cell 14: Splice Pack 2, Splice Pack 3


Object Number: 301634  Size: FS
Power and Grounding Components
Cell 14: Front Identification Lamp
Handling ESD Sensitive Parts Notice
Cell 14: Engine Control Module, EBCM, Air
Cell 14: Relay Center 2 Cont.