GM Service Manual Online
For 1990-2009 cars only
Makes
🢒
Isuzu
🢒
1998
🢒
Isuzu MD Steel Tilt (F Model)
🢒
Body and Accessories
🢒
Wiring Systems
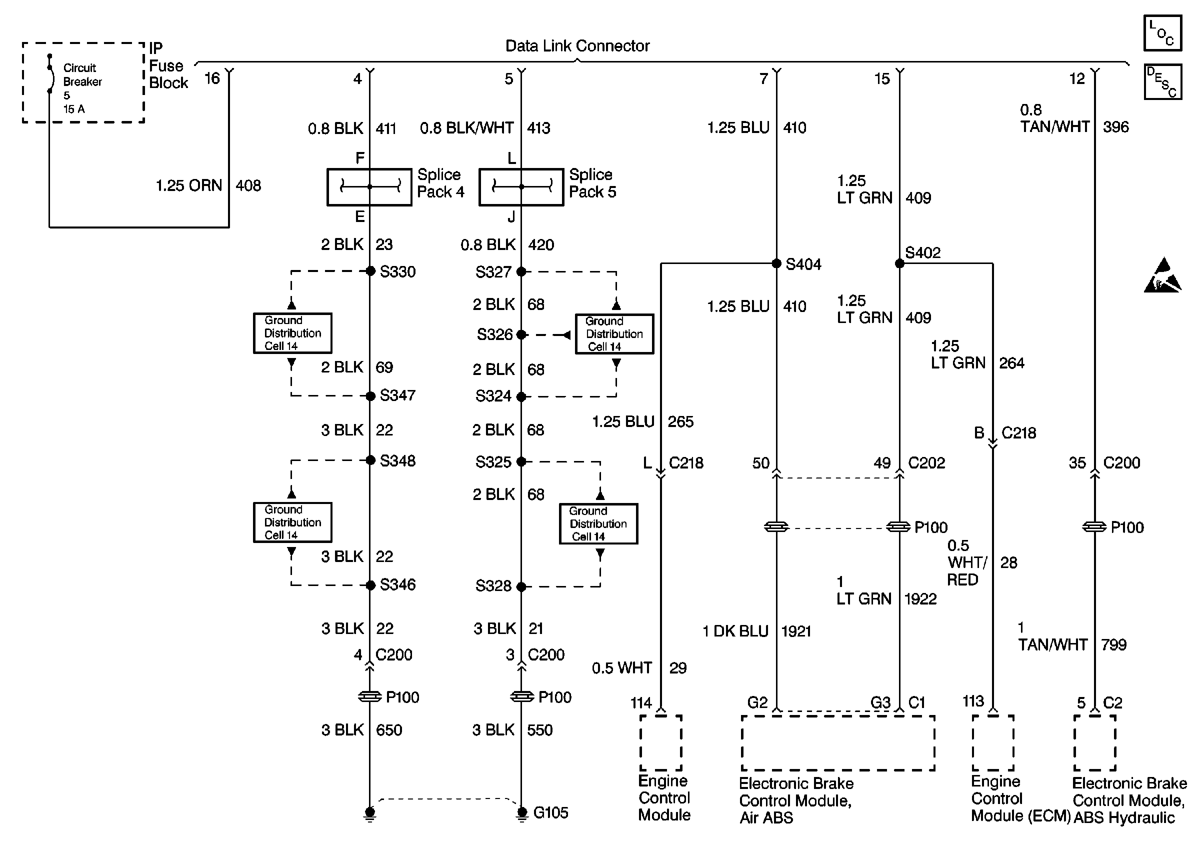
🢒 Data Link Connector Schematics
Cell 50: Data Link Connector
Data Link Communications Components
Data Link Connector Circuit Description
Handling ESD Sensitive Parts Notice