GM Service Manual Online
For 1990-2009 cars only
Makes
🢒
Isuzu
🢒
1998
🢒
Isuzu MD Steel Tilt (F Model)
🢒
Body and Accessories
🢒
Wiring Systems
🢒 Upfitter Provision Schematics
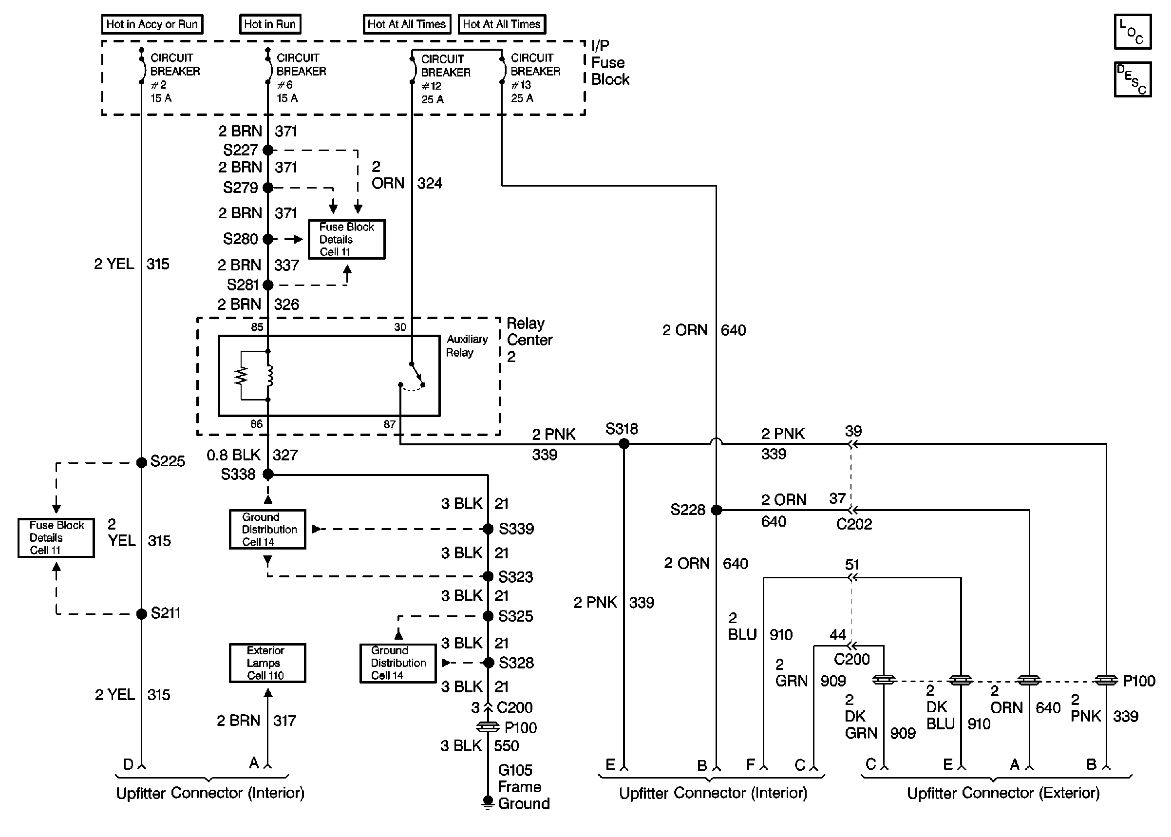
Cell 18: Body Builders Harness
Power and Grounding Components