GM Service Manual Online
For 1990-2009 cars only
Figure 1:

Cell 81: Instrument Cluster: Analog 1 of 7


Object Number: 302939  Size: FS
Instrument Cluster Components
Instrument Cluster Circuit Description
Cell 81: Instrument Cluster: Analog 2 of 7
Cell 81: Instrument Cluster: Analog 7 of 7
Cell 81: Instrument Cluster: Analog 2 of 7
Cell 81: Instrument Cluster: Analog 2 of 7
Cell 81: Instrument Cluster: Analog 2 of 7
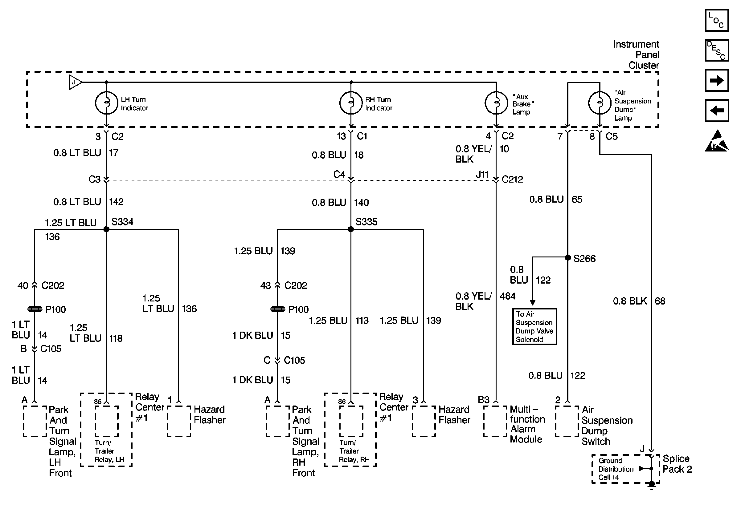
Cell 81: Instrument Cluster: Analog 4 of 7
Cell 81: Instrument Cluster: Analog 3 of 7
Figure 2:

Cell 81: Instrument Cluster: Analog 2 of 7


Object Number: 382264  Size: FS
Instrument Cluster Components
Instrument Cluster Circuit Description
Cell 81: Instrument Cluster: Analog 3 of 7
Cell 81: Instrument Cluster: Analog 1 of 7
Handling ESD Sensitive Parts Notice
Figure 3:

Cell 81: Instrument Cluster: Analog 3 of 7


Object Number: 382261  Size: FS
Instrument Cluster Components
Instrument Cluster Circuit Description
Cell 81: Instrument Cluster: Analog 4 of 7
Cell 81: Instrument Cluster: Analog 2 of 7
Handling ESD Sensitive Parts Notice
Cell 81: Instrument Cluster: Analog 2 of 7
Cell 81: Instrument Cluster: Analog 4 of 7
Figure 4:

Cell 81: Instrument Cluster: Analog 4 of 7


Object Number: 302945  Size: FS
Instrument Cluster Components
Instrument Cluster Circuit Description
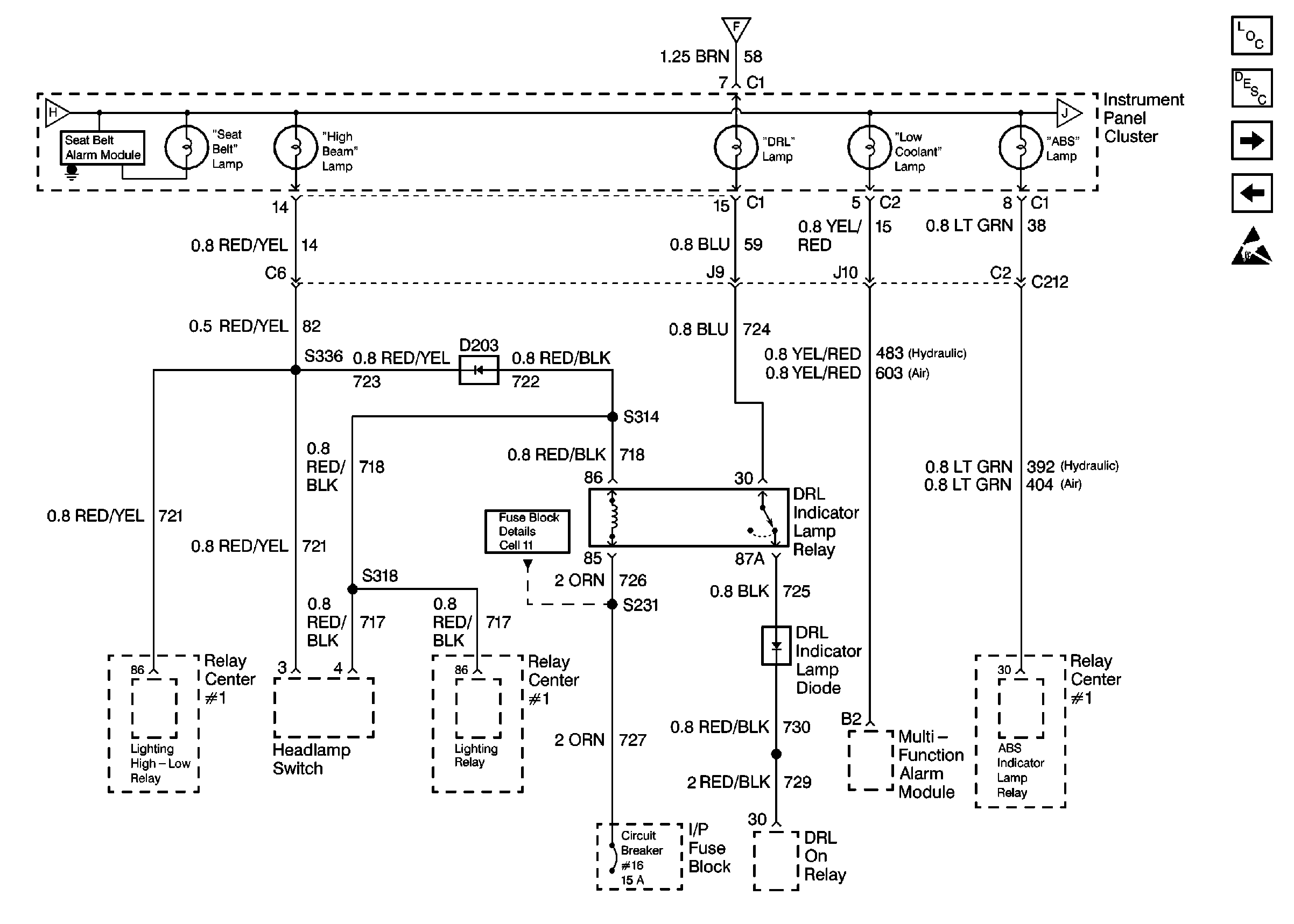
Cell 81: Instrument Cluster: Analog 5 of 7
Cell 81: Instrument Cluster: Analog 3 of 7
Handling ESD Sensitive Parts Notice
Cell 81: Instrument Cluster: Analog 5 of 7
Figure 5:

Cell 81: Instrument Cluster: Analog 5 of 7


Object Number: 302948  Size: FS
Instrument Cluster Components
Instrument Cluster Circuit Description
Cell 81: Instrument Cluster: Analog 6 of 7
Cell 81: Instrument Cluster: Analog 4 of 7
Handling ESD Sensitive Parts Notice
Figure 6:

Cell 81: Instrument Cluster: Analog 6 of 7


Object Number: 302950  Size: FS
Instrument Cluster Components
Instrument Cluster Circuit Description
Cell 81: Instrument Cluster: Analog 7 of 7
Cell 81: Instrument Cluster: Analog 5 of 7
Handling ESD Sensitive Parts Notice
Figure 7:

Cell 81: Instrument Cluster: Analog 7 of 7


Object Number: 302953  Size: FS
Instrument Cluster Components
Instrument Cluster Circuit Description
Cell 81: Low Engine Coolant Level Indicator Switch, MFAM, Check Gauges LamP-Hydraulic Brakes
Cell 81: Instrument Cluster: Analog 6 of 7
Handling ESD Sensitive Parts Notice
Figure 8:

Cell 81: Low Engine Coolant Level Indicator Switch, MFAM, Check Gauges Lamp-Hydraulic Brakes


Object Number: 489567  Size: FS
Instrument Cluster Components
Instrument Cluster Circuit Description
Cell 81: Low Engine Coolant Level Indicator Switch, MFAM, Check Gauges LamP-Air Brakes
Cell 81: Instrument Cluster: Analog 7 of 7
Handling ESD Sensitive Parts Notice
Figure 9:

Cell 81: Low Engine Coolant Level Indicator Switch, MFAM, Check Gauges Lamp-Air Brakes


Object Number: 489585  Size: FS
Air Brake System Components
Instrument Cluster Circuit Description
Cell 81: Fuel Gauge, Fuel Tank Sensors-Diesel Dual Tank
Cell 81: Low Engine Coolant Level Indicator Switch, MFAM, Check Gauges LamP-Hydraulic Brakes
Handling ESD Sensitive Parts Notice
Figure 10:

Cell 81: Fuel Gauge, Fuel Tank Sensors-Diesel Dual Tank


Object Number: 442427  Size: FS
Engine Controls Components
Cell 81: Low Engine Coolant Level Indicator Switch, MFAM, Check Gauges LamP-Air Brakes
Handling ESD Sensitive Parts Notice