GM Service Manual Online
For 1990-2009 cars only

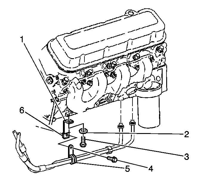
Object Number: 198899  Size: SH

Object Number: 588989  Size: SH

The engine oil cooler on all of the other models is located in the left radiator side tank.

Oil circulates through the following components in the system:

  1. The engine oil pump
  2. The engine oil cooler lines (5)
  3. The engine oil cooler
  4. The oil filter
  5. The engine main oil passage

Flush the oil cooler and replace the oil filter in order to prevent premature engine wear under the following conditions:

    • Foreign material is present in the oil cooler.
    • The engine is damaged internally.