GM Service Manual Online
For 1990-2009 cars only
Makes
🢒
Isuzu
🢒
1999
🢒
Isuzu MD Steel Tilt (F Model)
🢒
Engine
🢒
Engine Electrical
🢒 Starting and Charging Schematics
Starting and Charging Schematics Duramax 7.8L
Figure
1:
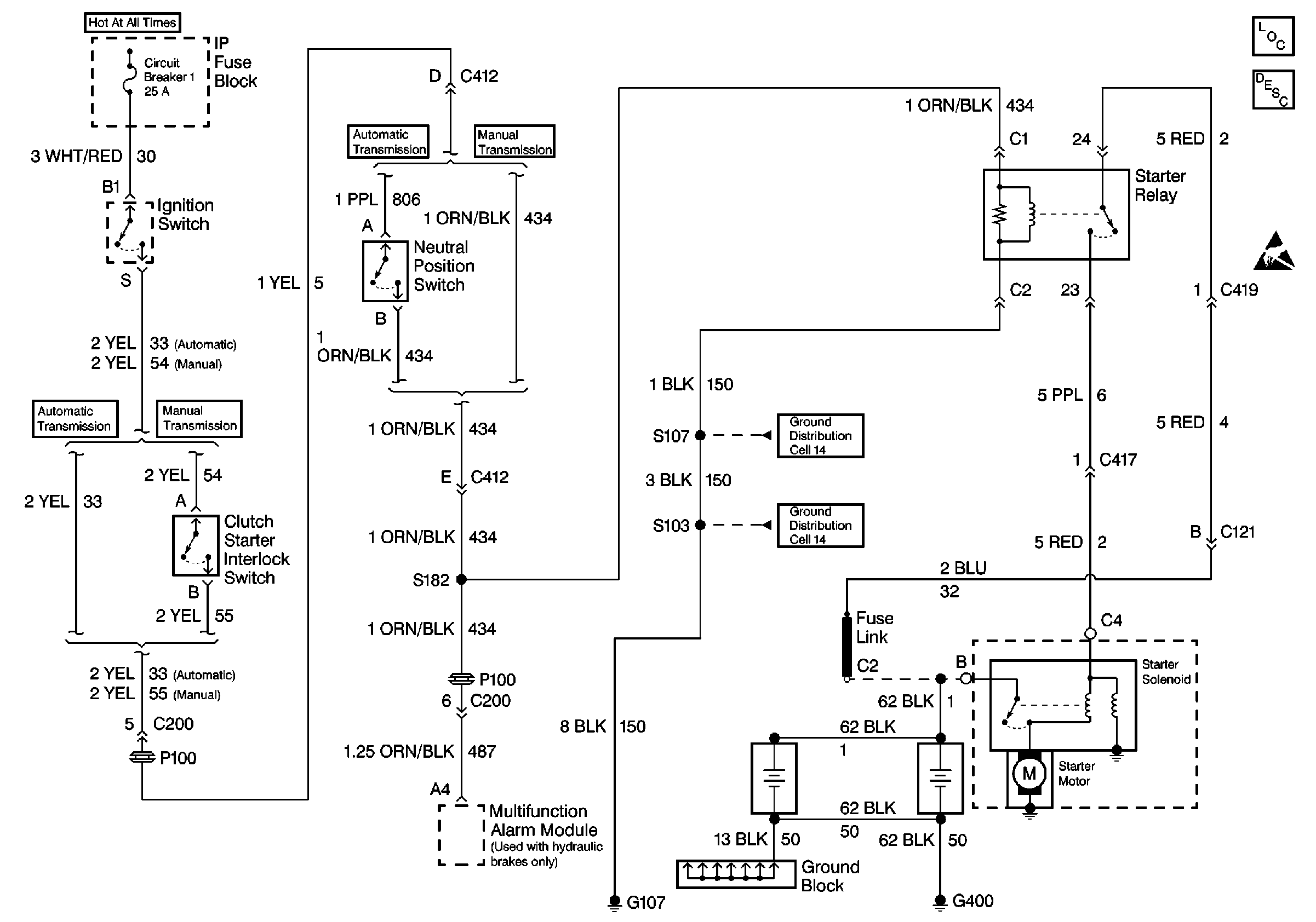
Cell 30: Starting System
Engine Electrical Components
Starting System Circuit Description LG5 Engine
Handling ESD Sensitive Parts Notice
Figure
2:
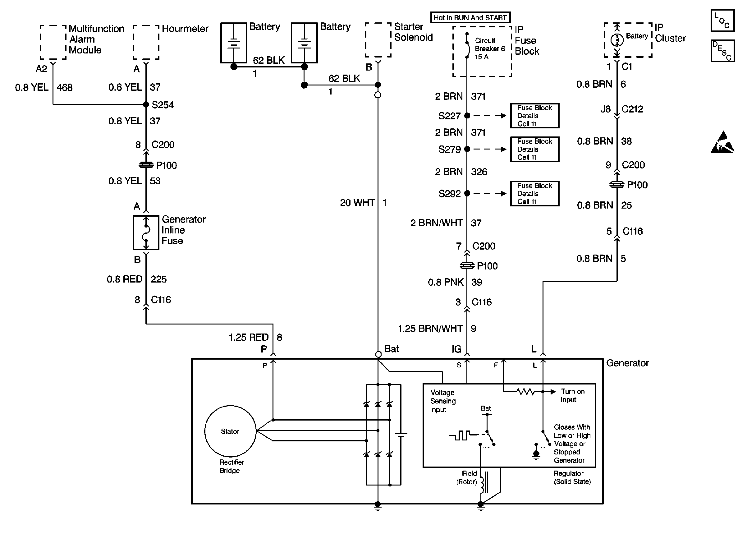
Cell 30: Charging System
Engine Electrical Components
Starting System Circuit Description LG5 Engine
Handling ESD Sensitive Parts Notice