GM Service Manual Online
For 1990-2009 cars only

Removal Procedure

  1. Block the wheels of the axle.
  2. Support the axle using jack stands.
  3. Drain the air pressure from the air springs.
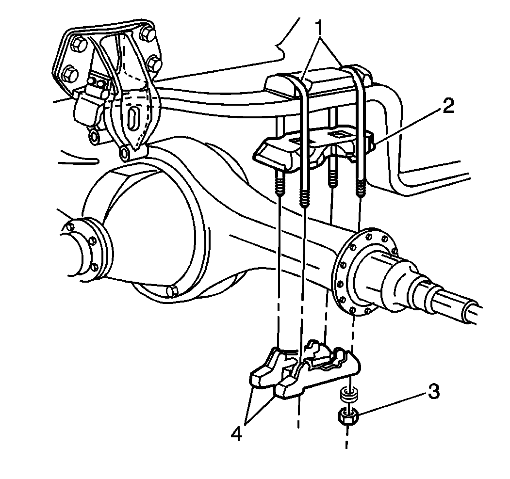
  4. Remove the height control valve link from the valve.

  5. Object Number: 200651  Size: SH
  6. Remove the following components from the spring hanger:
  7. • The rebound bolt (4)
    • The locknut (1)
    • The washers
    • The spacer tube (2)
    • The rebound roller (3)
  8. Raise the rear of the frame far enough in order to remove the load from the main support beam.

  9. Object Number: 200654  Size: SH
  10. Remove the U-bolt locknuts (3) and the washers.
  11. Remove the following components:
  12. • The U-bolts (1)
    • The bottom pads (4)
    • The top pad (2)

    Object Number: 200660  Size: SH
  13. Remove the locknuts (4) and the washers that connect the cross channel (1) to both of the main support beams (3).
  14. Lift the cross channel off of the main support beam using jacks.
  15. Remove the main support beam assembly.

Installation Procedure

    Important: The Delrin liner must be positioned on the top side of the main support beam.

  1. Position the main support beam on the axle seat with the main support beam center dowel pin. Pilot the main support beam into the hole of the axle seat or the spacer plate.

  2. Object Number: 200654  Size: SH

    Important: Do not tighten the U-bolts at this time. Position the torque rod mounting bolts of the spring seats toward the front of the vehicle.

  3. Install the following components:
  4. • The top pad (2)
    • The U-bolts (1)
    • The bottom cap (4)
    • The washers
    • The locknuts (3)

    Object Number: 200660  Size: SH
  5. Lower the air spring and the cross channel mounting bolts into the main support beams (3).
  6. Notice: Use the correct fastener in the correct location. Replacement fasteners must be the correct part number for that application. Fasteners requiring replacement or fasteners requiring the use of thread locking compound or sealant are identified in the service procedure. Do not use paints, lubricants, or corrosion inhibitors on fasteners or fastener joint surfaces unless specified. These coatings affect fastener torque and joint clamping force and may damage the fastener. Use the correct tightening sequence and specifications when installing fasteners in order to avoid damage to parts and systems.

  7. Install the washers and the locknuts (4) that connect the cross channel (1) to the main support beam (3).
  8. Tighten
    Tighten the locknuts in 37 N·m (50 lb ft) increments to 330 N·m (243 lb ft).

  9. Lower the frame in order to ensure that the spring hangers engage the main support beam.
  10. Refill air into the system.
  11. Center the tip of the main support beam between the spring hanger legs.
  12. Important: Do not exceed the specified torque on the U-bolt locknuts.


    Object Number: 200648  Size: SH
  13. Tighten the U-bolt nuts.
  14. Tighten
    Tighten the U-bolt nuts in 37 N·m (50 lb ft) increments to 394 N·m (291 lb ft).

  15. Hit the top of the U-bolts using a hammer. Retighten the U-bolt nuts.
  16. Tighten
    Retighten the U-bolt nuts in 37 N·m (50 lb ft) increments to 394 N·m (291 lb ft).


    Object Number: 200651  Size: SH
  17. Install the following components in the hangers:
  18. • The rebound bolt (4)
    • The spacer tube (2)
    • The rebound roller (3)
    • The washers
    • The locknuts (1)

    Tighten
    Tighten the rebound bolt locknut to 82 N·m (61 lb ft).

  19. Unblock the wheels.
  20. Inspect the alignment after installing the new main support beams.