GM Service Manual Online
For 1990-2009 cars only
Makes
🢒
Isuzu
🢒
1999
🢒
Isuzu MD Steel Tilt (F Model)
🢒
Driveline/Axle
🢒
Rear Axle Controls
🢒 Two-Speed Rear Axle Schematics
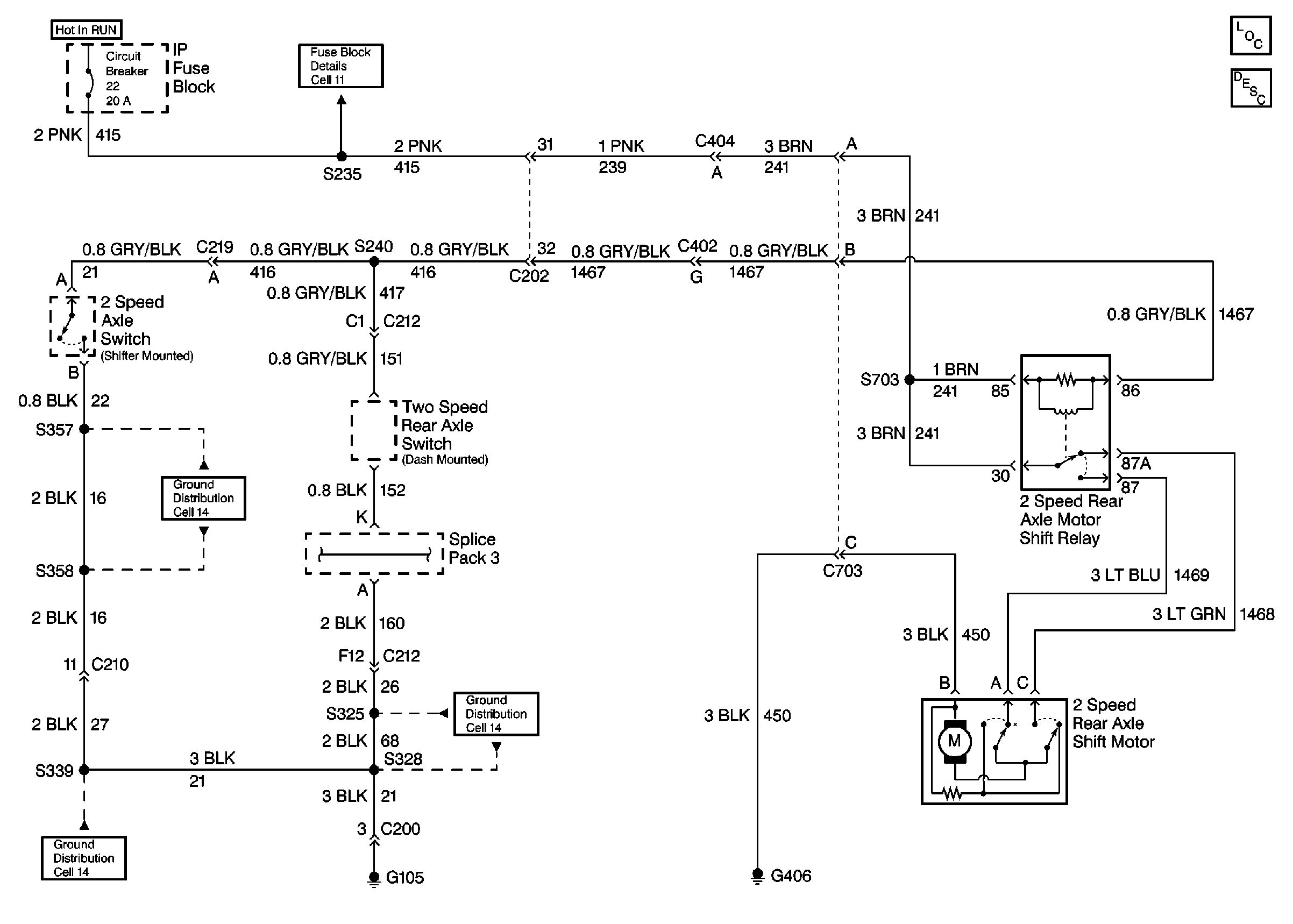
Two-Speed Rear Axle Schematics Two-Speed Rear Axle
Figure
1:
Motor, Relay, and Switches
Rear Axle Components
Two Speed Rear Axle Circuit Description
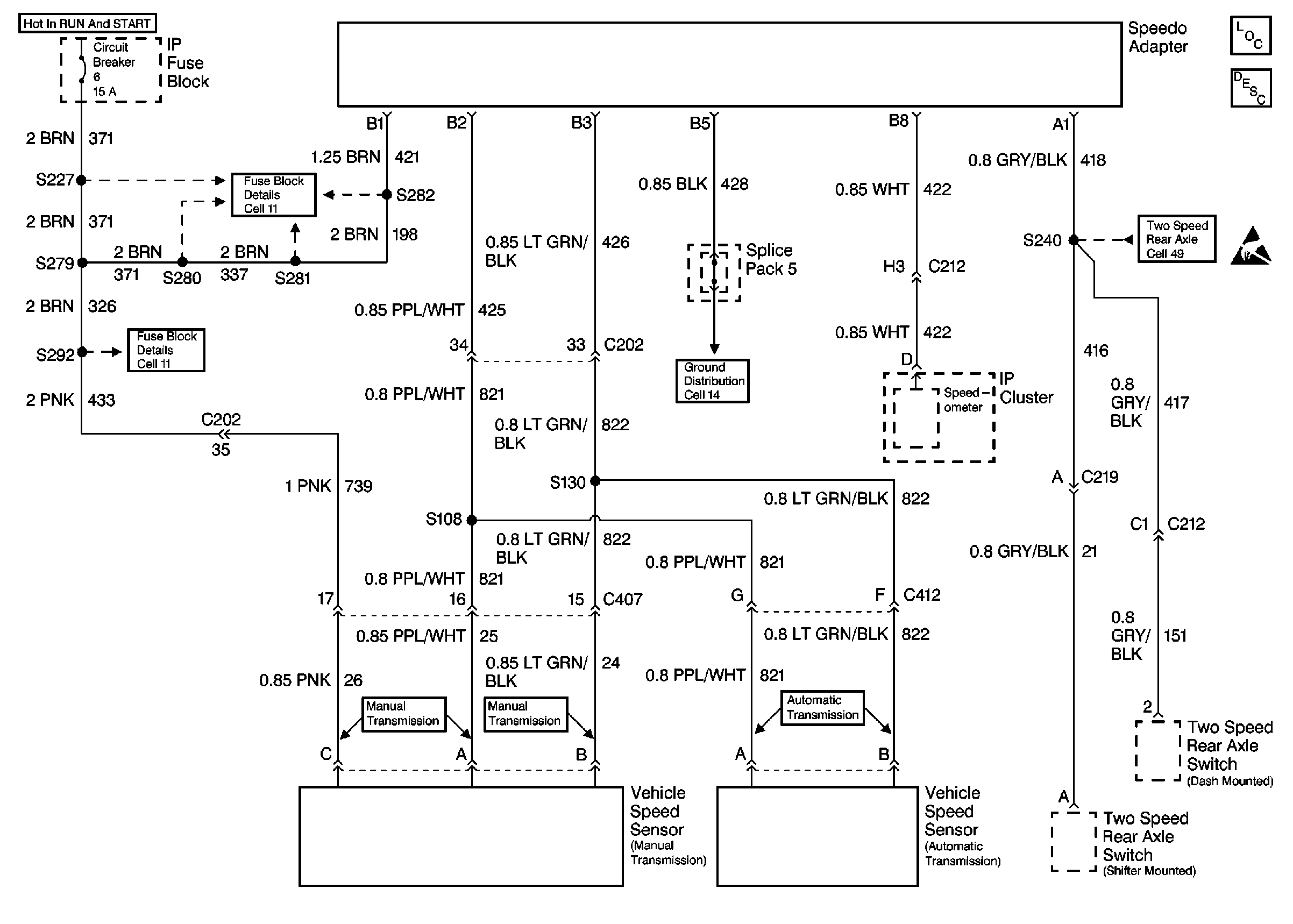
Figure
2:
Vehicle Speed Sensors, and Speedo Adapter
Rear Axle Components
Two Speed Rear Axle Circuit Description
Handling ESD Sensitive Parts Notice
Two-Speed Rear Axle Schematics Vehicle Speed Sensor
Vehicle Speed Sensors, and Speedo Adapter
Rear Axle Components
Two Speed Rear Axle Circuit Description
Handling ESD Sensitive Parts Notice