GM Service Manual Online
For 1990-2009 cars only

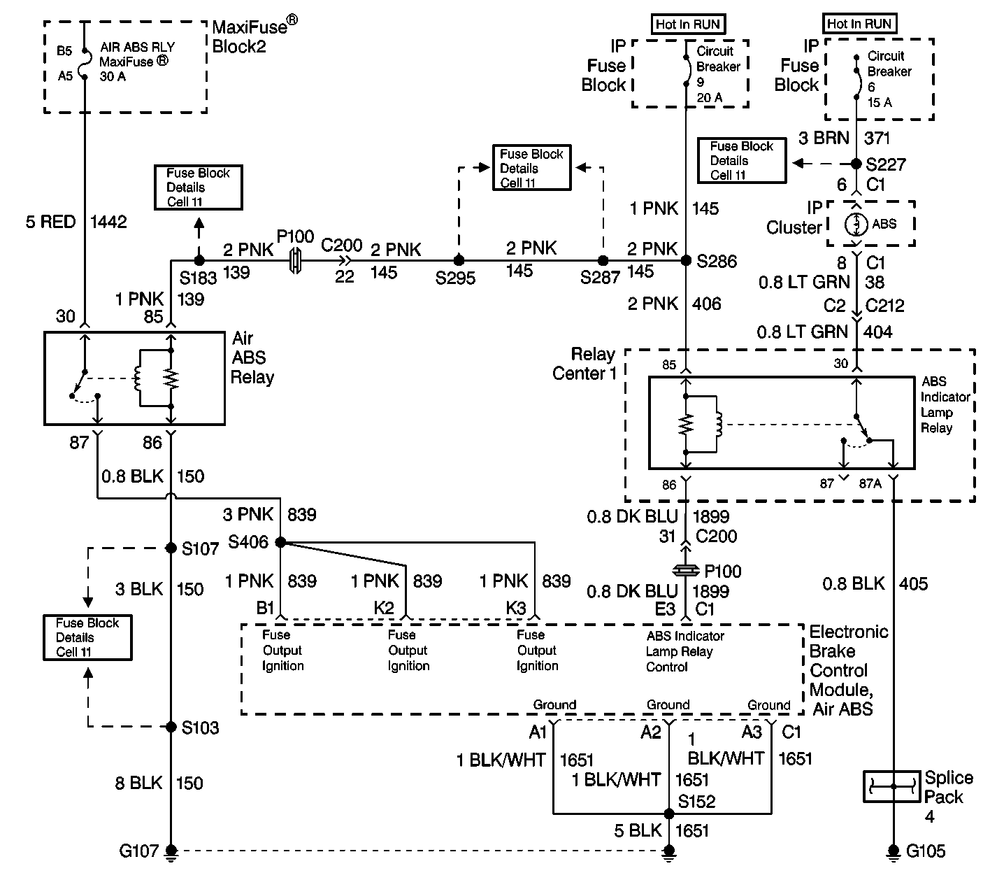
Object Number: 342490  Size: LF
Air Antilock Brakes System Components
Air Antilock Brake System Schematics

System Description

The diagnostic system check is an organized approach to identifying an Antilock Brake System (ABS) malfunction. The diagnostic system check must be the starting point for any ABS complaint diagnosis because it directs the service technician to the next logical step in diagnosing the complaint. Failure to perform the Diagnostic System Check will result in extended diagnostic time, incorrect diagnosis and parts replacement.

The EBCM is supplied battery voltage (through the ABS relay) to terminal K1 and terminal K2. Ground is provided through terminal A1, terminal A2 and the ground clip on the EBCM chassis.

Diagnostic Aids

Excessive resistance in the signal ground or ignition power circuit will not allow communication with the EBCM. If communication with the EBCM is not possible, ensure that the ABS signal ground connection is good and that there is no excessive resistance in the ignition power circuit.

Test Description

An example test description follows:

  1. This test will by-pass the ABS indicator relay in order to help isolate the malfunction.

  2. This test checks the ABS indicator lamp and the wiring in order to help isolate the malfunction.

  3. This test isolates the malfunction to either a shorted ABS indicator lamp relay coil or a wire shorted to voltage.

  4. This test measures the voltage present at the EBCM.

  5. This test measures the voltage present at the ABS relay contacts.

  6. This test checks for a malfunctioning EBCM. If the red diagnostic status lamp is on, the voltage available to the EBCM is either below 9 V or above 9 V.

  7. If the 30 amp ABS fuse is open, a short to ground in CKT 1442, or an internal short in the ABS relay is indicated.

Step

Action

Value(s)

Yes

No

1

Turn the ignition to RUN and observe the ABS indicator lamp.

Does the ABS indicator lamp turn on, flash twice, then remain on?

--

Go to Step 3

Go to Step 2

2

Does the ABS indicator lamp turn on, and remain on without flashing.

--

Go to Step 11

Go to Step 4

3

Drive the vehicle at speeds above 16 km/h (10 mph) while observing the ABS indicator lamp.

Does the ABS indicator lamp remain on?

--

Go to Step 11

Go to Diagnostic Aids.

4

  1. Turn the ignition to OFF.
  2. Remove the ABS indicator lamp relay from the relay center #1.
  3. Using the J 36169-A , jumper terminal 30 of relay center #1 to ground.
  4. Turn the ignition to RUN.

Observe the ABS indicator lamp, is the ABS lamp on?

--

Go to Step 6

Go to Step 5

5

  1. Turn the ignition to OFF.
  2. Remove and inspect the ABS indicator lamp (refer to Instrument Panel and Gauges).

Is the ABS indicator lamp open?

--

Go to Step 30

Go to Step 31

6

  1. Remove the jumper wire.
  2. Using a J 39200 , measure the voltage between terminal 85 of the relay center #1 and ground.

Is the voltage measured within the specified range?

11-16 V

Go to Step 7

Go to Step 8

7

  1. Turn the ignition to OFF.
  2. Using a J 39200 , measure the resistance between terminal 87A of the relay center #1 and ground.

Is the resistance measured within the specified range?

0-2 ohms

Go to Step 9

Go to Step 35

8

Inspect the circuit breaker #9.

Is the circuit breaker closed?

--

Go to Step 32

Go to Step 33

9

  1. Install the ABS indicator lamp relay.
  2. Disconnect the EBCM harness connector from the EBCM.
  3. Turn the ignition to RUN.

Is the ABS indicator lamp on?

--

Go to Step 34

Go to Step 10

10

  1. Turn the ignition to OFF.
  2. Using a J 39200 , measure the resistance between terminal 86 of the relay center #1 and ground.

Is the resistance measured equal to the specified value?

OL

Go to Step 36

Go to Step 37

11

Observe the diagnostic status lamp window on the side of the EBCM.

Is the green VOLT status lamp on?

--

Go to Step 12

Go to Step 13

12

Is the green VOLT status lamp flashing?

--

Go to Step 20

Go to Step 14

13

  1. Turn the ignition to RUN.
  2. Observe the diagnostic status lamp window on the side of the EBCM.

Are any red diagnostic status lamps on?

--

Go to Step 34

Go to Step 20

14

Observe the diagnostic status lamp window on the side of the EBCM.

Are any red diagnostic status lamps on?

--

Go to Step 28

Go to Step 15

15

  1. Turn the ignition to OFF.
  2. Disconnect the EBCM harness connector from the EBCM.
  3. Using a fused jumper wire such as J 36169-A , jumper terminal E3 of the EBCM harness connector to ground.
  4. Turn the ignition to RUN.

Is the ABS indicator lamp off?

--

Go to Step 34

Go to Step 16

16

Remove and inspect the jumper wire fuse.

Is the fuse open?

--

Go to Step 18

Go to Step 17

17

Remove the ABS indicator lamp relay from the relay center.

Is the ABS indicator lamp on?

--

Go to Step 39

Go to Step 19

18

  1. Remove the ABS indicator lamp relay from the relay center #1.
  2. Using a J 39200 , measure the resistance between terminal E3 of the EBCM harness connector and ground.

Is the resistance measured equal to the specified value?

OL

Go to Step 38

Go to Step 36

19

Using a J 39200 , measure the voltage between terminal 85 of the relay center #1 and ground.

Is the voltage measured within the specified range?

11-14 V

Go to Step 36

Go to Step 32

20

  1. Turn the ignition to OFF.
  2. Disconnect the EBCM harness connector from the EBCM.
  3. Turn the ignition to RUN.
  4. Using a J 39200 , measure the voltage between terminal K2 and terminal A1 of the EBCM harness connector.

Is the voltage measured within the specified range?

11-14 V

Go to Step 34

Go to Step 21

21

  1. Turn the ignition to OFF.
  2. Using a J 39200 , measure the resistance between terminal A1 of the EBCM harness connector and ground.
  3. Using a J 39200 , measure the resistance between terminal A2 of the EBCM harness connector and ground.
  4. Make sure that the ground clip on the EBCM chassis is clean and tight.

Are both resistance measurements within the specified range?

0-2 ohms

Go to Step 22

Go to Step 40

22

Using a J 39200 , measure the voltage of the vehicle battery. Refer to the Battery section.

Is the voltage measured within the specified range.

11.5-14 V

Go to Step 23

Go to Battery section.

23

  1. Remove the ABS relay.
  2. Turn the ignition to RUN.
  3. Using a J 39200 , measure the voltage between terminal 30 of the ABS relay harness connector and ground.

Is the voltage measured within the specified range?

11-14 V

Go to Step 25

Go to Step 24

24

  1. Turn the ignition to OFF
  2. Remove and inspect the 30 amp ABS fuse.

Is the fuse open?

--

Go to Step 41

Go to Step 42

25

  1. Turn the ignition to OFF.
  2. Using a J 39200 , measure the resistance between terminal 87 of ABS relay harness connector and terminals B1, K2 and K3 of the EBCM harness connector.

Is the resistance measured within the specified range?

0-2 ohms

Go to Step 26

Go to Step 43

26

  1. Turn the ignition to RUN.
  2. Using the J 39200 , measure the voltage between terminal 85 of the ABS relay harness connector and ground.

Is the voltage measured within the specified range?

11-14 V

Go to Step 27

Go to Step 44

27

  1. Turn the ignition to OFF.
  2. Using a J 39200 , measure the resistance between terminal 86 of the ABS relay harness connector and ground.

Is the resistance measured within the specified range?

0-2 ohms

Go to Step 45

Go to Step 35

28

Observe the diagnostic status lamps on the side of the EBCM.

Is the red ECU lamp on?

--

Go to Step 20

Go to Step 29

29

Observe the diagnostic status lamps on the side of the EBCM. There should be a minimum of three diagnostic status lamps on:

    • One LEFT or RIGHT
    • One FRONT or REAR
    • One MOD or SENS

Are there three diagnostic status lamps on?

--

Go to the EBCM Diagnostic Status Lamps Table

Go to Step 34

30

Replace the ABS indicator lamp

Refer to Body and Chassis in Instrument Panel and Gauges.

Is the repair complete?

--

Go to Step  1

--

31

Repair the open or high resistance in CKT 38 or CKT 404.

Is the the broken wire or high resistance condition repaired?

--

Go to Step  1

--

32

Repair the open or high resistance in CKT 145 or CKT 406.

Is the repair complete?

--

Go to Step  1

--

33

  1. Check for a short to ground in CKT 145 or CKT 406.
  2. Replace the circuit breaker.

Is the repair complete?

--

Go to Step  1

--

34

  1. Inspect the EBCM harness connector for physical damage that may cause a malfunction with the EBCM connector connected to the EBCM.
  2. Reconnect all of the connectors.
  3. Drive the vehicle above 24 km/h (15 mph) for at least 30 seconds.

Is the malfunction still present?

--

Go to Step  46

Go to Diagnostic Aids

35

Repair the open or high resistance in CKT 150.

Is the repair complete?

--

Go to Step  1

--

36

Replace the ABS indicator lamp relay.

Is the repair complete?

--

Go to Step  1

--

37

Repair the short to ground in CKT 1899.

Is the repair complete?

--

Go to Step  1

--

38

Repair the short to voltage in CKT  1899.

Is the repair complete?

--

Go to Step  1

--

39

Repair the short to ground in CKT 38 or CKT 404.

Is the repair complete?

--

Go to Step  1

--

40

Repair the open or high resistance in CKT  1651.

Is the repair complete?

--

Go to Step  1

--

41

Check for a short to ground in CKT 1442 or a shorted ABS relay.

Is the repair complete?

--

Go to Step  1

--

42

Repair the open or high resistance in CKT  1442.

Is the repair complete?

--

Go to Step  1

--

43

Repair the open or high resistance in CKT  839.

Is the repair complete?

--

Go to Step  1

--

44

Repair the open or high resistance in CKT  139 or CKT 145.

Is the repair complete?

--

Go to Step  1

--

45

Replace the ABS relay.

Is the repair complete?

--

Go to Step  1

--

46

Replace the EBCM.

Is the repair complete?

--

System OK

--