GM Service Manual Online
For 1990-2009 cars only
Makes
🢒
Isuzu
🢒
1999
🢒
Isuzu MD Steel Tilt (F Model)
🢒
Brakes
🢒
Air Brakes
🢒 Air Brake System Schematics
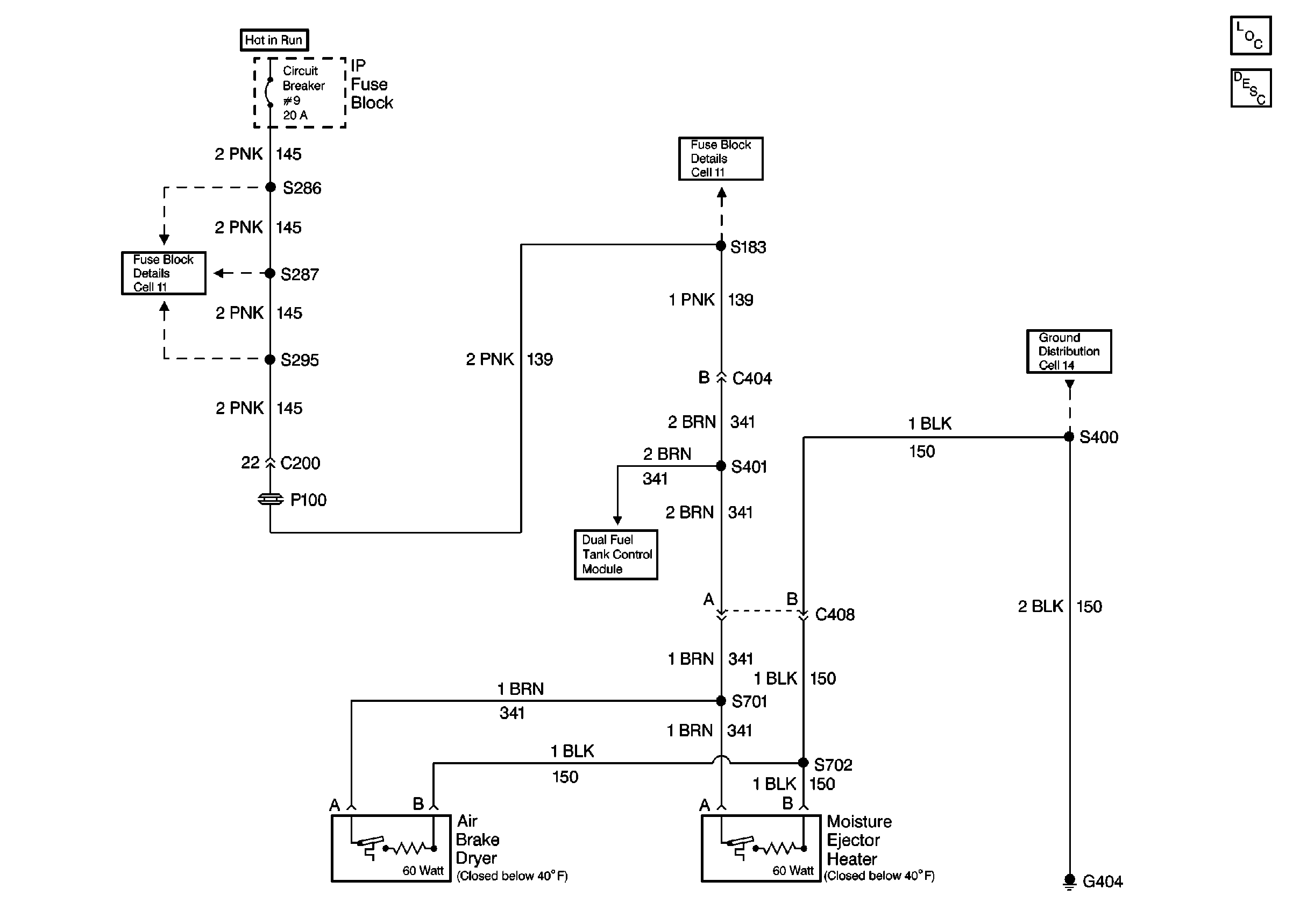
Cell 48: Air Brake Dryer/Moisture Ejector Heater Schematics
Air Brake System Components
Air Dryer/Moisture Ejector Circuit Description