GM Service Manual Online
For 1990-2009 cars only
Makes
🢒
Isuzu
🢒
1999
🢒
Isuzu MD Steel Tilt (F Model)
🢒
Brakes
🢒
Antilock Brake System
🢒 Antilock Brake System Schematics
Antilock Brake System Schematics Hydraulic Brake
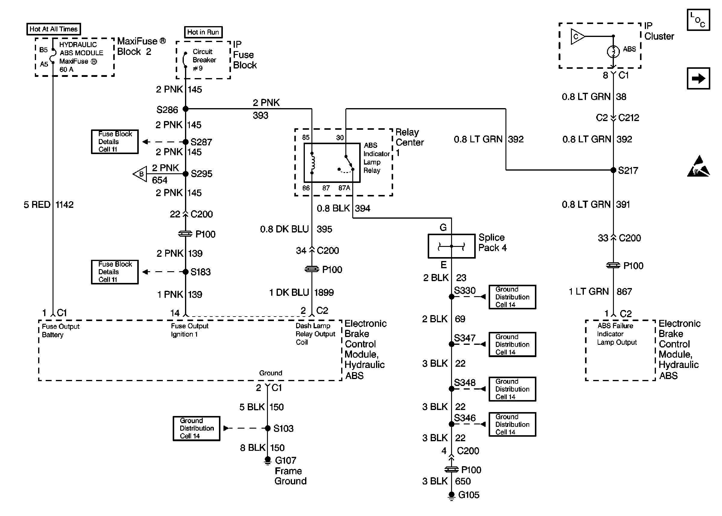
Figure
1:
Hydraulic Antilock Brake Schematics 1 of 3
ABS Description
Cell 44: Hydraulic Antilock Brake System 2 of 3
Handling ESD Sensitive Parts Notice
Cell 44: Hydraulic Antilock Brake System 2 of 3
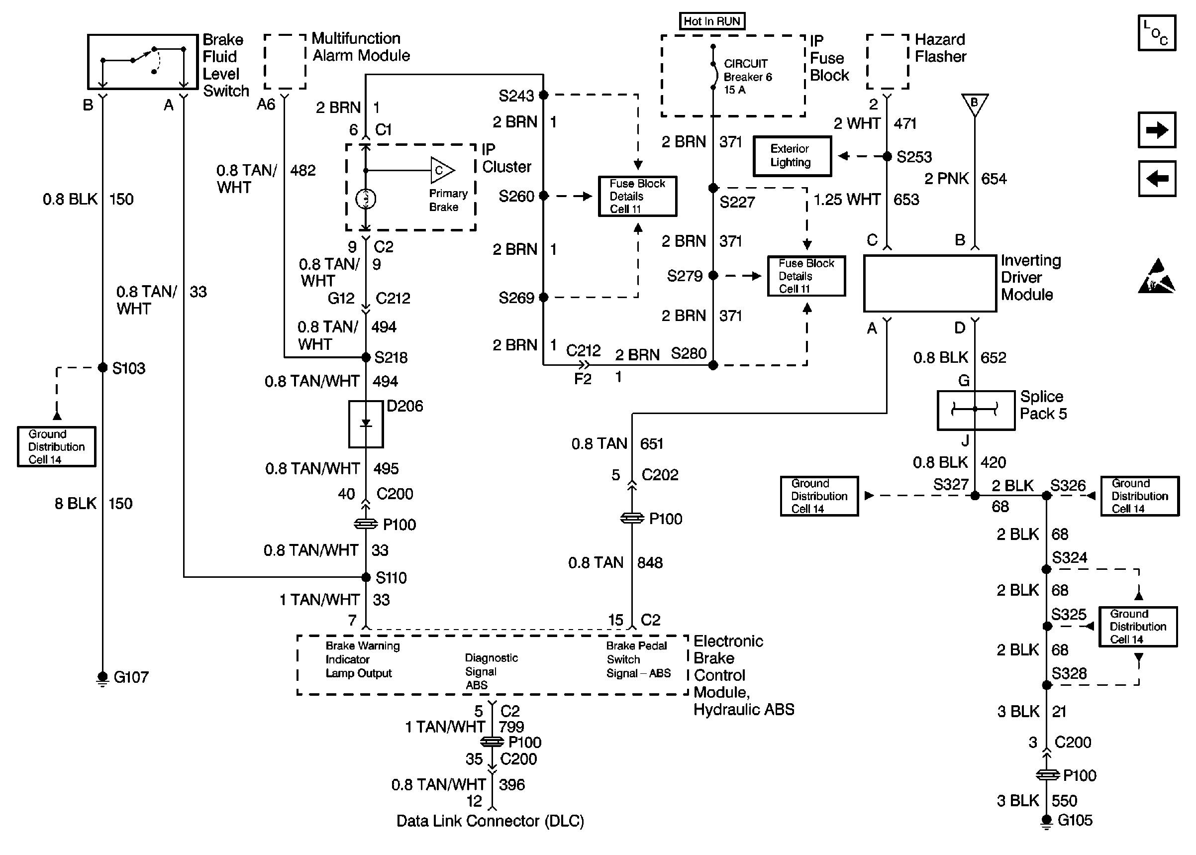
Figure
2:
Cell 44: Hydraulic Antilock Brake System 2 of 3
ABS Description
Hydraulic ABS Schematics 3 of 3
Hydraulic Antilock Brake Schematics 1 of 3
Handling ESD Sensitive Parts Notice
Hydraulic Antilock Brake Schematics 1 of 3
Figure
3:
Hydraulic ABS Schematics 3 of 3
ABS Description
Cell 44: Hydraulic Antilock Brake System 2 of 3
Handling ESD Sensitive Parts Notice