GM Service Manual Online
For 1990-2009 cars only

Removal Procedure

    Important: Always clean the connectors and lubricate the tool end in power steering fluid when inserting into the coupling.

    Important: Inspect all of the power steering system quick connect connections by trying to pull the hose assembly out of the fitting using a firm hand tug. Repeat the step if the connector is pulled out of the male fitting. If the problem persists, inspect and replace the hose assembly if the quick connect is damaged.

  1. Tilt the cab. Refer to Cab Tilting in General Information.
  2. Place a container under the power steering hoses at the power steering pump in order to catch the fluid when disconnecting or connecting the hoses.
  3. Clean the hose surfaces before disconnecting the hoses.


    Object Number: 389803  Size: SH
  4. Remove the power steering hoses (1,9) at the power steering pump.
  5. Cap the hoses to prevent any dirt from entering the system.
  6. Tag the hose locations.

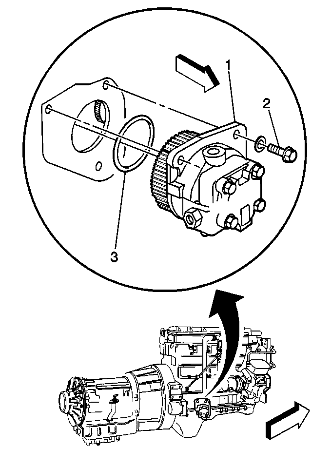
  7. Object Number: 344760  Size: MH
  8. Remove the power steering pump mounting bolts (2) and the washers .
  9. Notice: Do not Hammer the pump off the engine. Damage to the pump housing may result.

  10. Gently pry the power steering pump (1) and the O-ring (3) from the engine.

  11. Object Number: 389803  Size: SH
  12. Drain the remaining fluid from the pump.
  13. Remove the threaded line adapter (2) from the pump noting the installed position of the adapter.
  14. Remove the power steering pump hose adapters mounting bolts (7), the power steering pump hose adapter (8) and the O-ring (6).

Installation Procedure


    Object Number: 389803  Size: SH

    Notice: Use the correct fastener in the correct location. Replacement fasteners must be the correct part number for that application. Fasteners requiring replacement or fasteners requiring the use of thread locking compound or sealant are identified in the service procedure. Do not use paints, lubricants, or corrosion inhibitors on fasteners or fastener joint surfaces unless specified. These coatings affect fastener torque and joint clamping force and may damage the fastener. Use the correct tightening sequence and specifications when installing fasteners in order to avoid damage to parts and systems.

  1. Install the threaded line adapter (2) in the noted position.
  2. Tighten
    Tighten the threaded line adapter (2) to 53 N·m (39 lb ft).

  3. Install the seal (6) and the adapter (8) with the adapter mounting bolts (7).
  4. Tighten
    Tighten the power steering pump hose adapter mounting bolts to 52 N·m (38 lb ft).


    Object Number: 344760  Size: MH
  5. Position the O-ring (3) and the power steering pump to the engine.
  6. Install the power steering pump mounting washers and bolts (2).
  7. Tighten
    Tighten the pump mounting bolts to 73 N·m (54 lb ft).

  8. Install the power steering pump hoses to the power steering pump.
  9. Fill and bleed the power steering system. Refer to Power Steering System Bleeding .
  10. Lower the cab.