GM Service Manual Online
For 1990-2009 cars only
Makes
🢒
Isuzu
🢒
1999
🢒
Isuzu MD Steel Tilt (F Model)
🢒
Body and Accessories
🢒
Lighting Systems
🢒 Headlights/Daytime Running Lights (DRL) Schematics
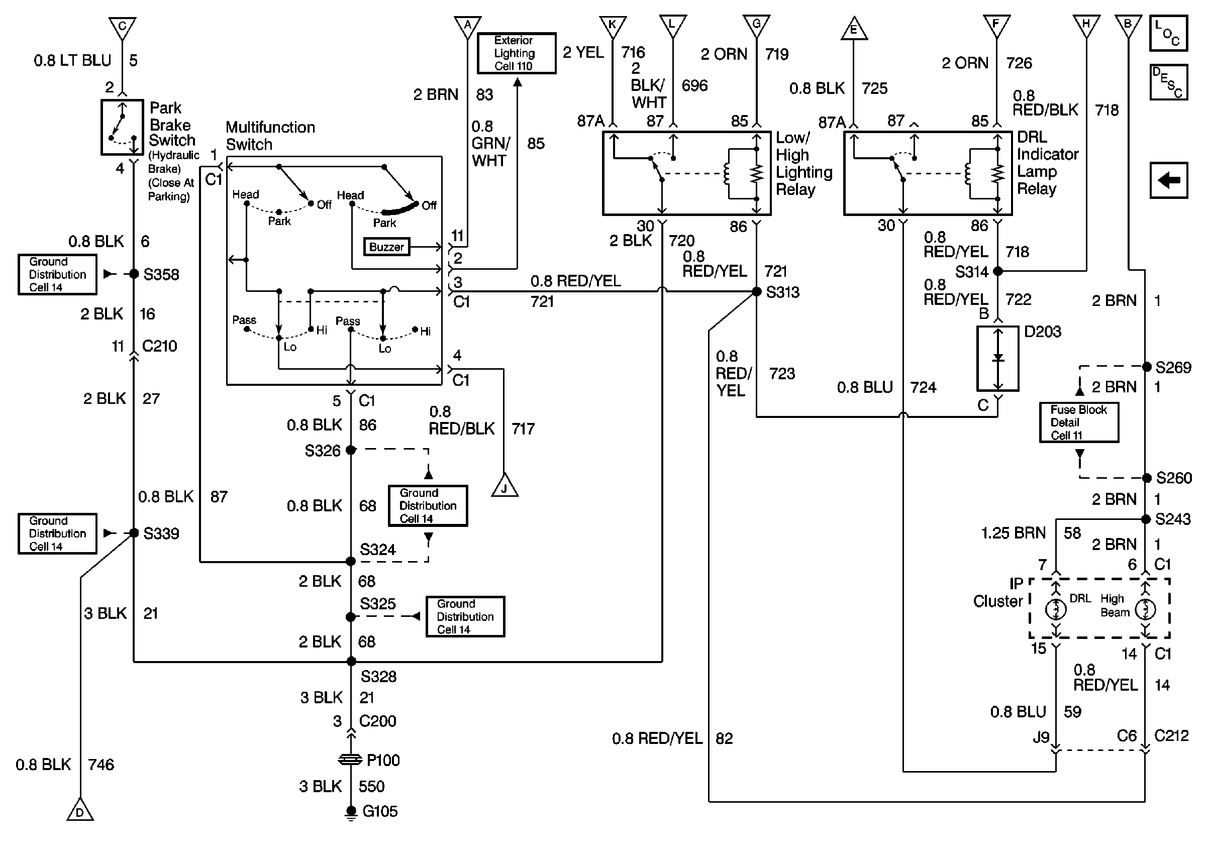
Figure
1:
Headlights DRL Schematics (Cell 102: Headlamps: Daytime Running Lamps 1 of 2)
Lighting Systems Components
Headlights/Daytime Running Lights (DRL) Circuit Description
Headlights DRL Schematics (Cell 102: Headlamps: Daytime Running Lamps2 of 2)
Headlights DRL Schematics (Cell 102: Headlamps: Daytime Running Lamps2 of 2)
Headlights DRL Schematics (Cell 102: Headlamps: Daytime Running Lamps2 of 2)
Headlights DRL Schematics (Cell 102: Headlamps: Daytime Running Lamps2 of 2)
Headlights DRL Schematics (Cell 102: Headlamps: Daytime Running Lamps2 of 2)
Headlights DRL Schematics (Cell 102: Headlamps: Daytime Running Lamps2 of 2)
Headlights DRL Schematics (Cell 102: Headlamps: Daytime Running Lamps2 of 2)
Headlights DRL Schematics (Cell 102: Headlamps: Daytime Running Lamps2 of 2)
Headlights DRL Schematics (Cell 102: Headlamps: Daytime Running Lamps2 of 2)
Headlights DRL Schematics (Cell 102: Headlamps: Daytime Running Lamps2 of 2)
Headlights DRL Schematics (Cell 102: Headlamps: Daytime Running Lamps2 of 2)
Headlights DRL Schematics (Cell 102: Headlamps: Daytime Running Lamps2 of 2)
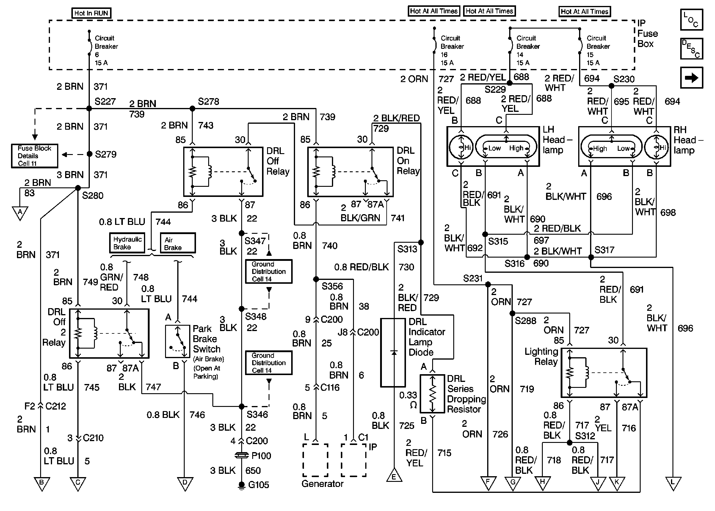
Figure
2:
Headlights DRL Schematics (Cell 102: Headlamps: Daytime Running Lamps 2 of 2)
Lighting Systems Components
Headlights/Daytime Running Lights (DRL) Circuit Description
Headlights DRL Schematics (Cell 102: Headlamps: Daytime Running Lamps1 of 2)
Headlights DRL Schematics (Cell 102: Headlamps: Daytime Running Lamps1 of 2)
Headlights DRL Schematics (Cell 102: Headlamps: Daytime Running Lamps1 of 2)
Headlights DRL Schematics (Cell 102: Headlamps: Daytime Running Lamps1 of 2)
Headlights DRL Schematics (Cell 102: Headlamps: Daytime Running Lamps1 of 2)
Headlights DRL Schematics (Cell 102: Headlamps: Daytime Running Lamps1 of 2)
Headlights DRL Schematics (Cell 102: Headlamps: Daytime Running Lamps1 of 2)
Headlights DRL Schematics (Cell 102: Headlamps: Daytime Running Lamps1 of 2)
Headlights DRL Schematics (Cell 102: Headlamps: Daytime Running Lamps1 of 2)
Headlights DRL Schematics (Cell 102: Headlamps: Daytime Running Lamps1 of 2)
Headlights DRL Schematics (Cell 102: Headlamps: Daytime Running Lamps1 of 2)
Headlights DRL Schematics (Cell 102: Headlamps: Daytime Running Lamps1 of 2)