GM Service Manual Online
For 1990-2009 cars only
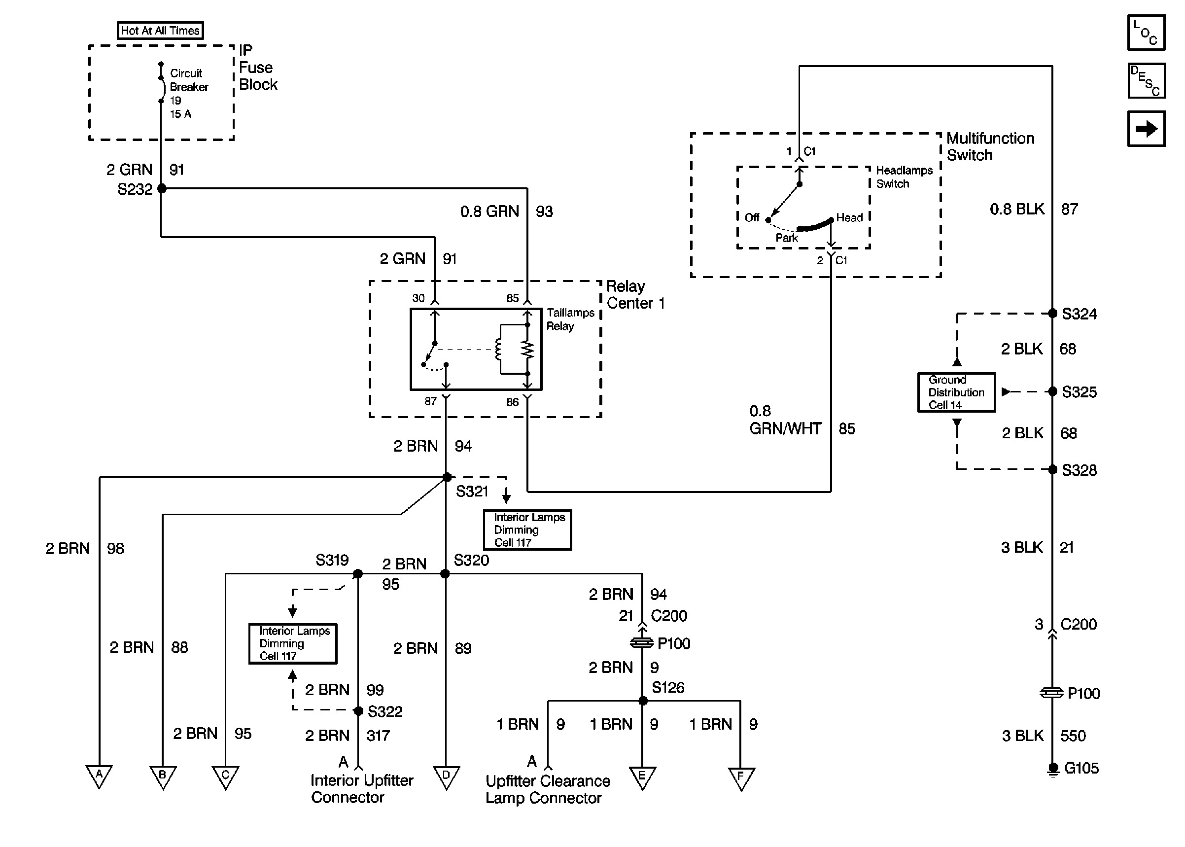
Figure 1:

Exterior Lights Schematics (Cell 110:Tail Lamps Switch and Relay)


Object Number: 382295  Size: FS
Lighting Systems Components
Exterior Lights Circuit Description
Exterior Lights Schematics (Cell 110: Turn/Hazard Flasher, Stop Lamps Switch) Air Brakes
Exterior Lights Schematics (Cell 110: Clearance and Marker Lamps)
Exterior Lights Schematics (Cell 110: Clearance and Marker Lamps)
Cell 110: Lighted Mirrors
Exterior Lights Schematics (Cell 110: Clearance and Marker Lamps)
Exterior Lights Schematics (Cell 110: Front and Rear Lighting, IP Lights)
Exterior Lights Schematics (Cell 110: Front and Rear Lighting, IP Lights)
Figure 2:

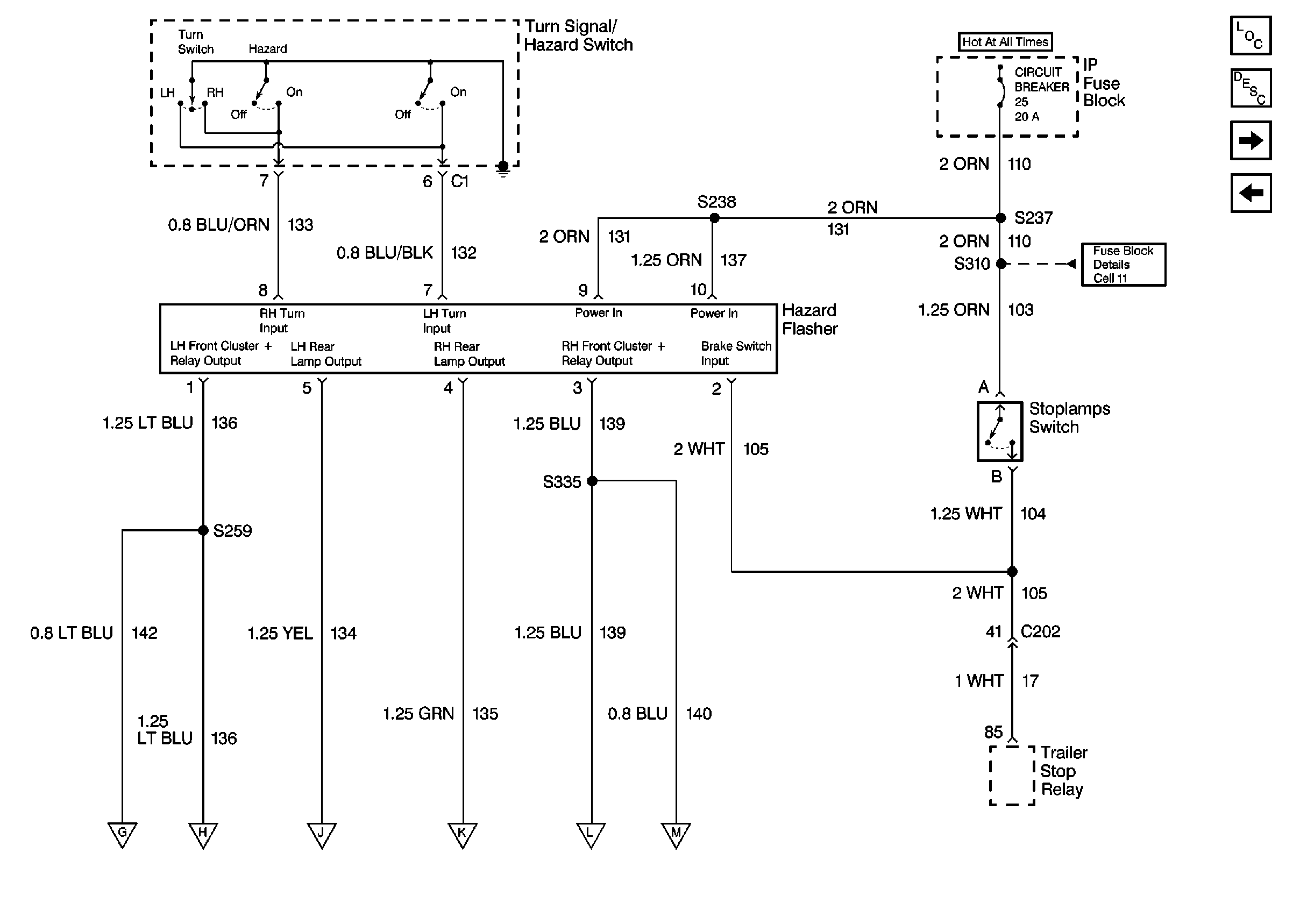
Exterior Lights Schematics (Cell 110: Turn/Hazard Flasher, Stop Lamps Switch) Air Brakes


Object Number: 382302  Size: FS
Lighting Systems Components
Exterior Lights Circuit Description
Exterior Lights Schematics (Cell 110: Turn/Hazard Flasher, Stop Lamps Switch) Hydraulic Brakes
Exterior Lights Schematics (Cell 110:Tail Lamps Switch and Relay)
Exterior Lights Schematics (Cell 110: Front and Rear Lighting, IP Lights)
Exterior Lights Schematics (Cell 110: Front and Rear Lighting, IP Lights)
Exterior Lights Schematics (Cell 110: Front and Rear Lighting, IP Lights)
Exterior Lights Schematics (Cell 110: Front and Rear Lighting, IP Lights)
Exterior Lights Schematics (Cell 110: Front and Rear Lighting, IP Lights)
Exterior Lights Schematics (Cell 110: Front and Rear Lighting, IP Lights)
Figure 3:

Exterior Lights Schematics (Cell 110: Turn/Hazard Flasher, Stop Lamps Switch) Hydraulic Brakes


Object Number: 382300  Size: FS
Lighting Systems Components
Exterior Lights Circuit Description
Exterior Lights Schematics (Cell 110: Clearance and Marker Lamps)
Exterior Lights Schematics (Cell 110: Turn/Hazard Flasher, Stop Lamps Switch) Air Brakes
Exterior Lights Schematics (Cell 110: Front and Rear Lighting, IP Lights)
Exterior Lights Schematics (Cell 110: Front and Rear Lighting, IP Lights)
Exterior Lights Schematics (Cell 110: Front and Rear Lighting, IP Lights)
Exterior Lights Schematics (Cell 110: Front and Rear Lighting, IP Lights)
Exterior Lights Schematics (Cell 110: Front and Rear Lighting, IP Lights)
Exterior Lights Schematics (Cell 110: Front and Rear Lighting, IP Lights)
Figure 4:

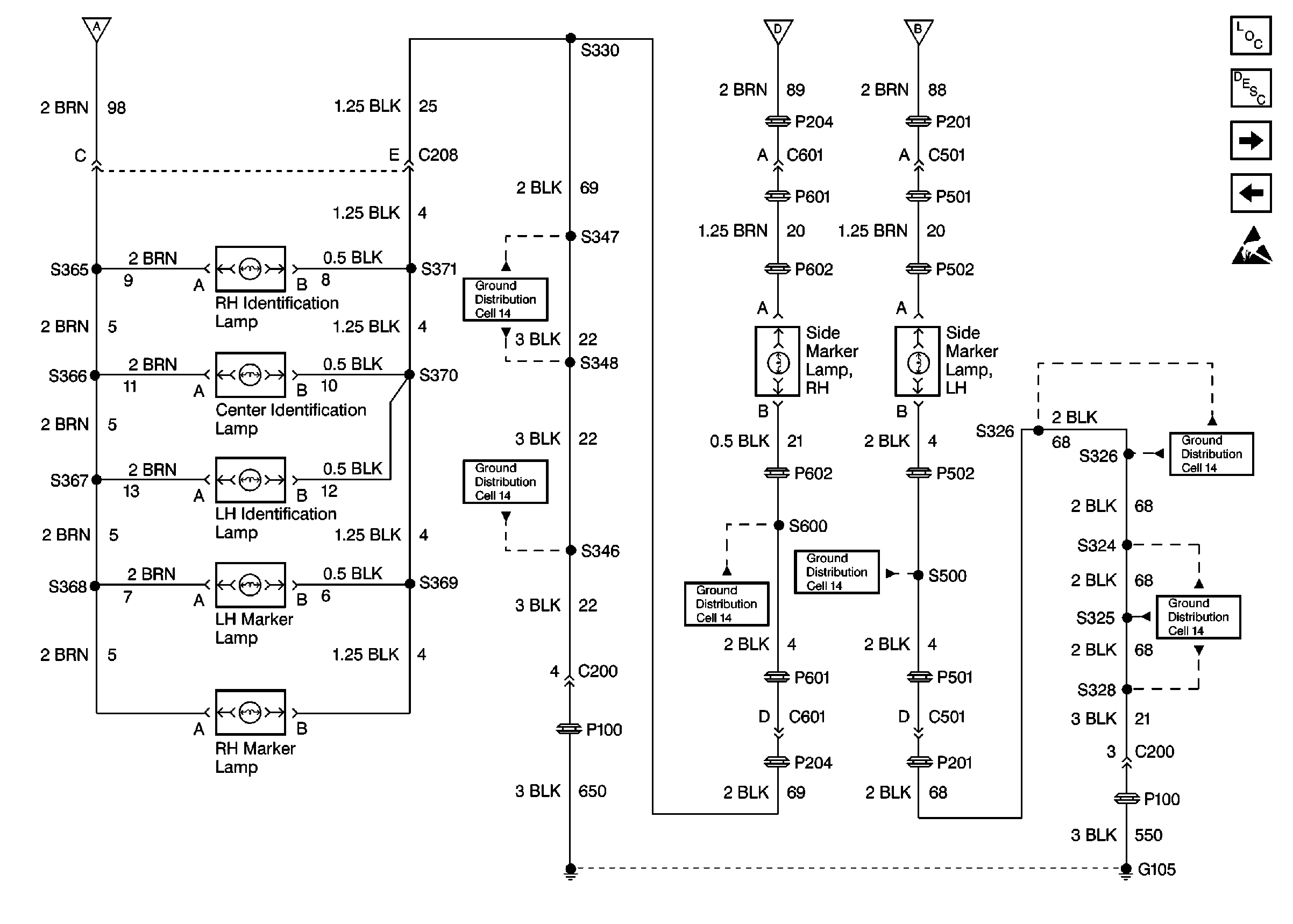
Exterior Lights Schematics (Cell 110: Clearance and Marker Lamps)


Object Number: 382299  Size: FS
Lighting Systems Components
Exterior Lights Circuit Description
Cell 110: Lighted Mirrors
Exterior Lights Schematics (Cell 110: Turn/Hazard Flasher, Stop Lamps Switch) Hydraulic Brakes
Handling ESD Sensitive Parts Notice
Exterior Lights Schematics (Cell 110:Tail Lamps Switch and Relay)
Exterior Lights Schematics (Cell 110:Tail Lamps Switch and Relay)
Exterior Lights Schematics (Cell 110:Tail Lamps Switch and Relay)
Figure 5:

Cell 110: Lighted Mirrors


Object Number: 303107  Size: FS
Lighting Systems Components
Exterior Lights Circuit Description
Exterior Lights Schematics (Cell 110: Front and Rear Lighting, IP Lights)
Exterior Lights Schematics (Cell 110: Clearance and Marker Lamps)
Exterior Lights Schematics (Cell 110:Tail Lamps Switch and Relay)
Figure 6:

Exterior Lights Schematics (Cell 110: Front and Rear Lighting, IP Lights)


Object Number: 382296  Size: FS
Lighting Systems Components
Exterior Lights Circuit Description
Cell 110: Lighted Mirrors
Handling ESD Sensitive Parts Notice
Exterior Lights Schematics (Cell 110: Turn/Hazard Flasher, Stop Lamps Switch) Air Brakes
Exterior Lights Schematics (Cell 110:Tail Lamps Switch and Relay)
Exterior Lights Schematics (Cell 110: Turn/Hazard Flasher, Stop Lamps Switch) Air Brakes
Exterior Lights Schematics (Cell 110: Turn/Hazard Flasher, Stop Lamps Switch) Air Brakes
Exterior Lights Schematics (Cell 110:Tail Lamps Switch and Relay)
Exterior Lights Schematics (Cell 110: Turn/Hazard Flasher, Stop Lamps Switch) Air Brakes
Exterior Lights Schematics (Cell 110: Turn/Hazard Flasher, Stop Lamps Switch) Air Brakes
Exterior Lights Schematics (Cell 110: Turn/Hazard Flasher, Stop Lamps Switch) Air Brakes