GM Service Manual Online
For 1990-2009 cars only
Makes
🢒
Isuzu
🢒
1999
🢒
Isuzu MD Steel Tilt (F Model)
🢒
Body and Accessories
🢒
Lighting Systems
🢒 Interior Lights Dimming Schematics
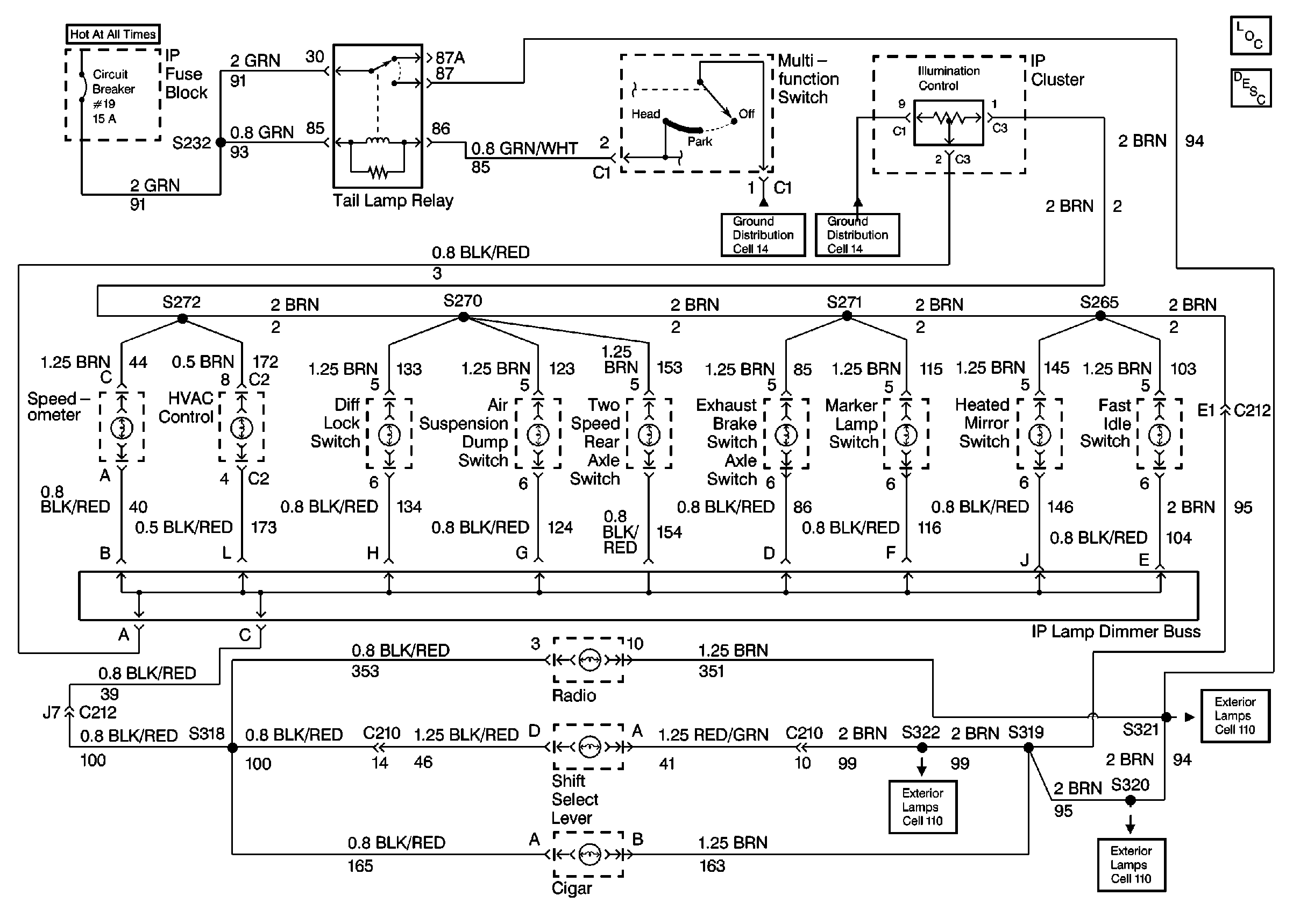
Interior Lights Dimming Schematics (Cell 117: Interior Lights -- Dimming)
Lighting Systems Components
Interior Lights Dimming Circuit Description