GM Service Manual Online
For 1990-2009 cars only

Power Distribution Schematics Duramax 7800Engine

Figure 1:

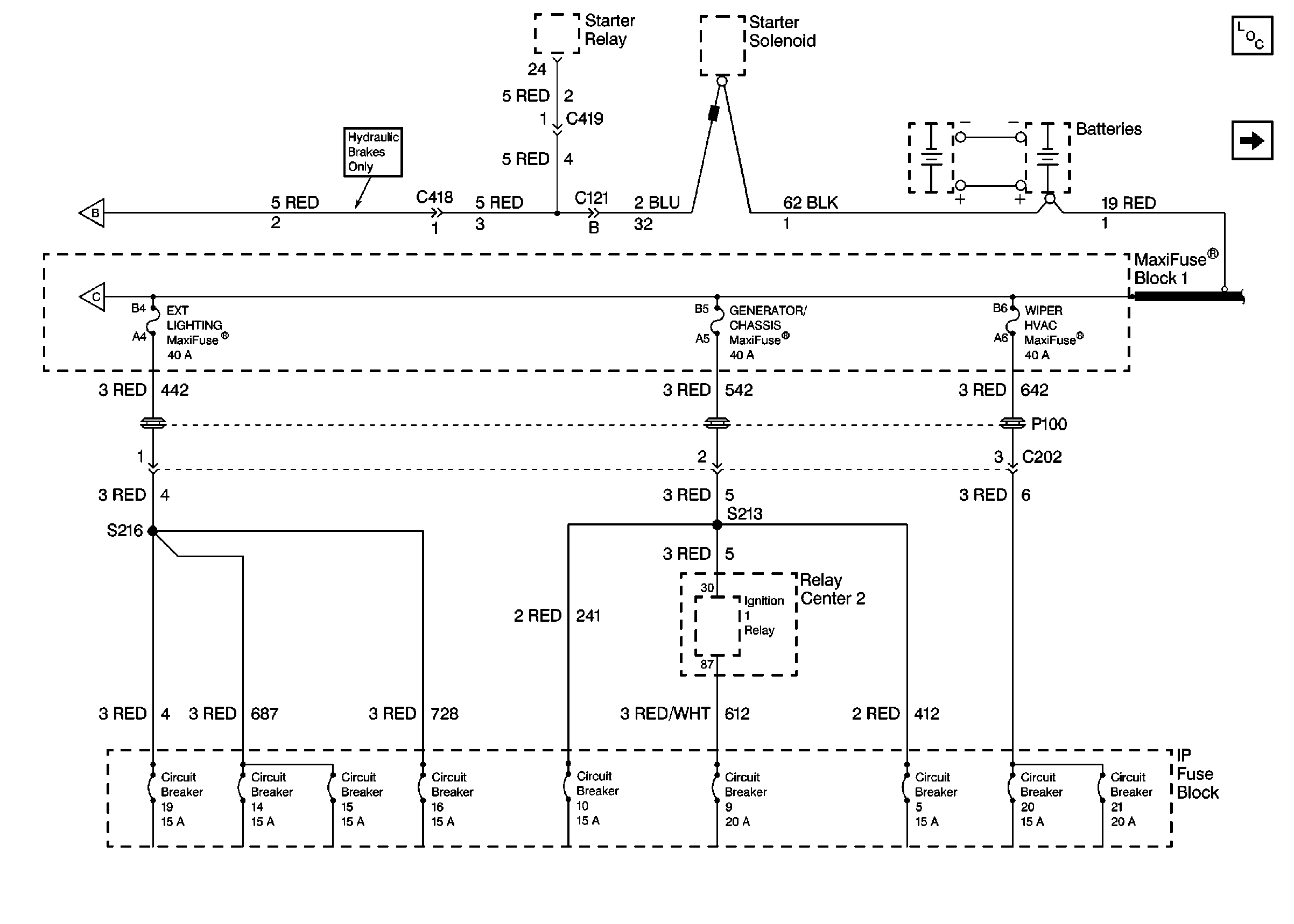
Cell 10: Ext Lighting, Generator/ Chassis, Wiper HVAC MaxiFuses®


Object Number: 382252  Size: FS
Power and Grounding Components
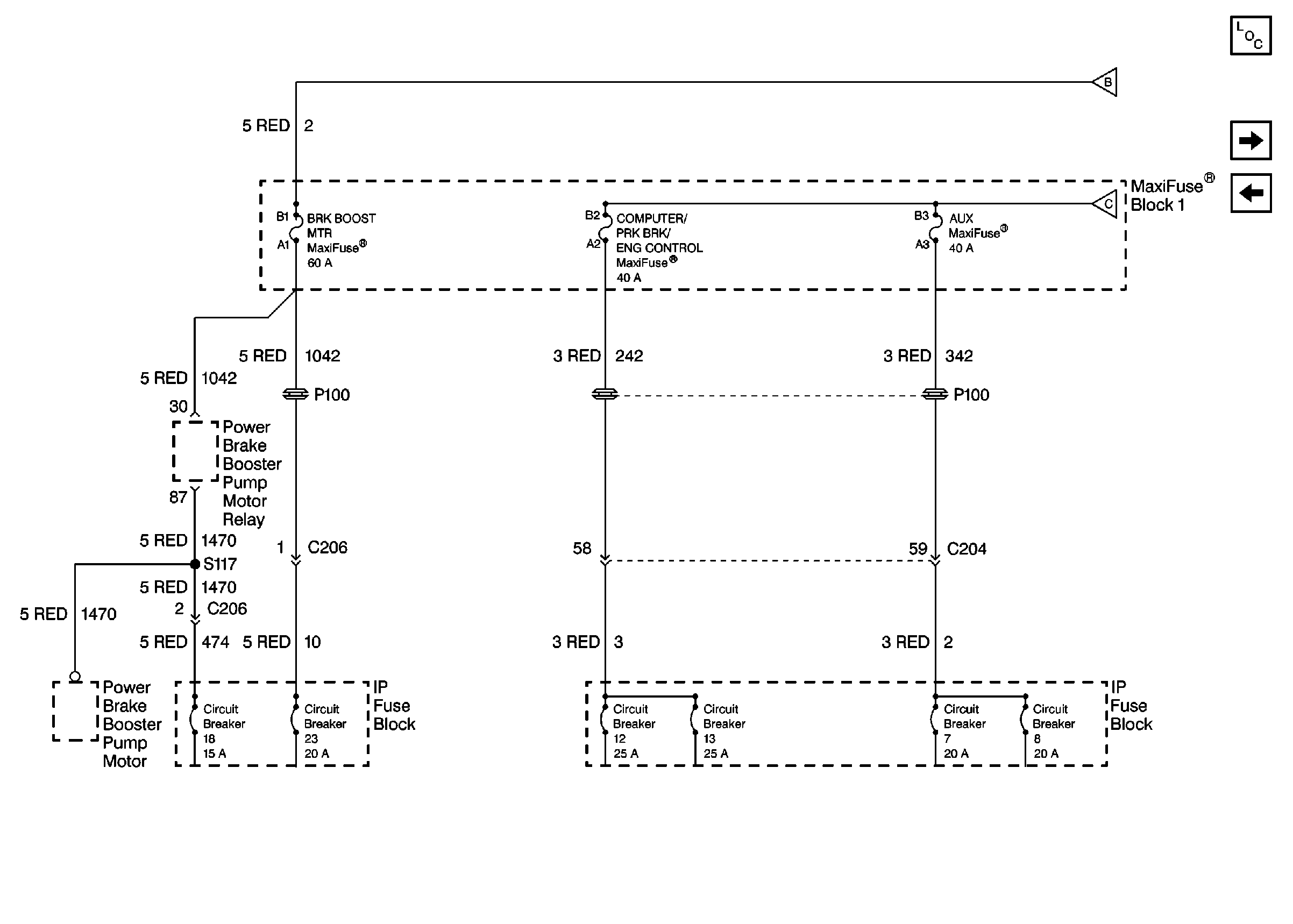
Cell 10: Brk Boost Mtr, Computer/Prk Brk/Eng Control, Aux Maxifuses®
Cell 10: Brk Boost Mtr, Computer/Prk Brk/Eng Control, Aux Maxifuses®
Cell 10: Brk Boost Mtr, Computer/Prk Brk/Eng Control, Aux Maxifuses®
Figure 2:

Cell 10: Brk Boost Mtr, Computer/Prk Brk/Eng Control, Aux Maxifuses®


Object Number: 301591  Size: FS
Power and Grounding Components
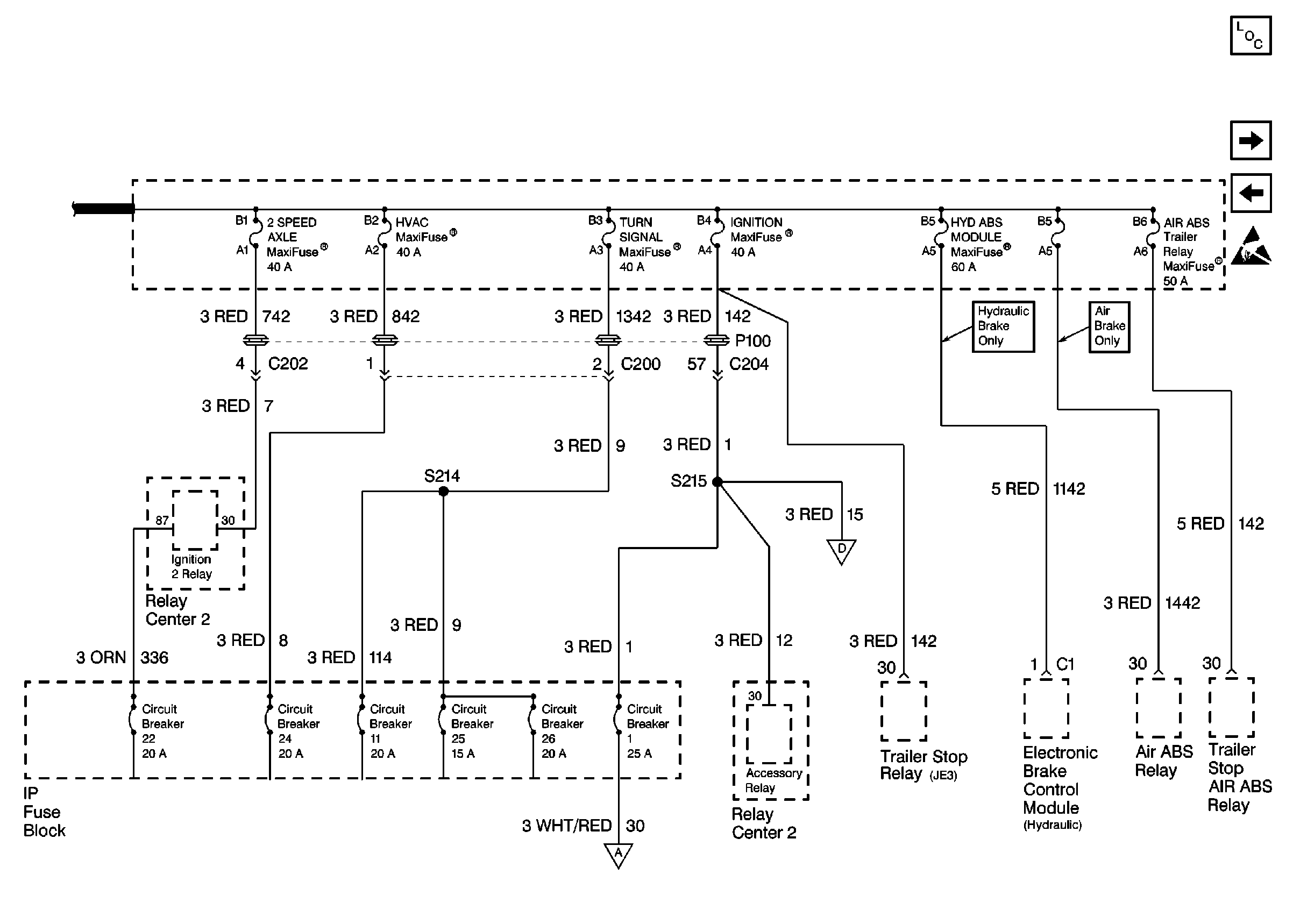
Cell 10: 2 Speed Axle, HVAC, Turn Signal, Ignition MaxiFuses®
Cell 10: Ext Lighting, Generator/ Chassis, Wiper HVAC MaxiFuses®
Cell 10: Ext Lighting, Generator/ Chassis, Wiper HVAC MaxiFuses®
Cell 10: Ext Lighting, Generator/ Chassis, Wiper HVAC MaxiFuses®
Figure 3:

Cell 10: 2 Speed Axle, HVAC, Turn Signal, Ignition MaxiFuses®


Object Number: 382254  Size: FS
Power and Grounding Components
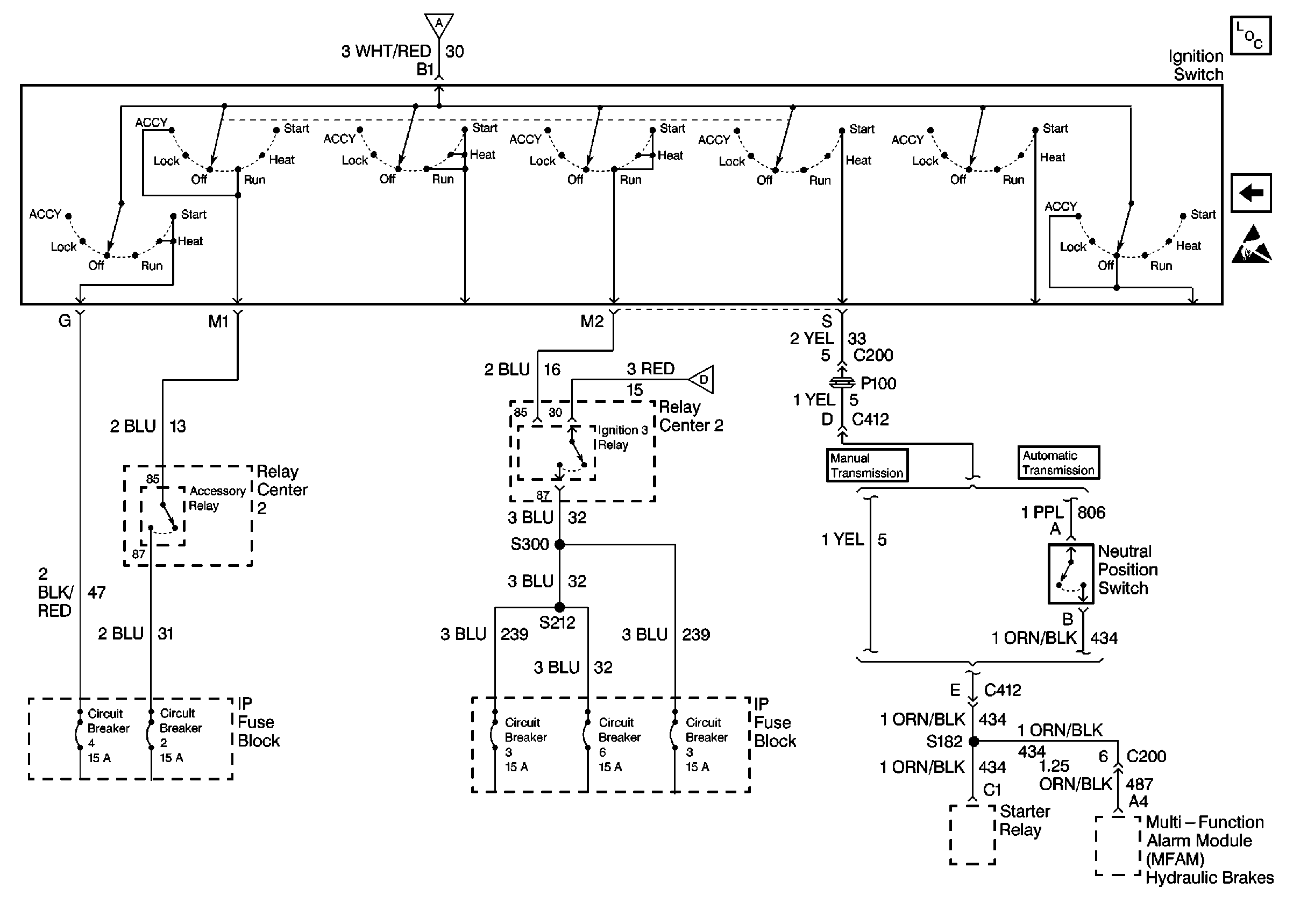
Cell 10: ignition MaxiFuse® Cont.
Cell 10: Brk Boost Mtr, Computer/Prk Brk/Eng Control, Aux Maxifuses®
Handling ESD Sensitive Parts Notice
Cell 10: ignition MaxiFuse® Cont.
Figure 4:

Cell 10: ignition MaxiFuse® Cont.


Object Number: 382255  Size: FS
Power and Grounding Components
Cell 10: 2 Speed Axle, HVAC, Turn Signal, Ignition MaxiFuses®
Cell 10: 2 Speed Axle, HVAC, Turn Signal, Ignition MaxiFuses®