GM Service Manual Online
For 1990-2009 cars only
Makes
🢒
Isuzu
🢒
1999
🢒
Isuzu MD Steel Tilt (F Model)
🢒
Body and Accessories
🢒
Doors
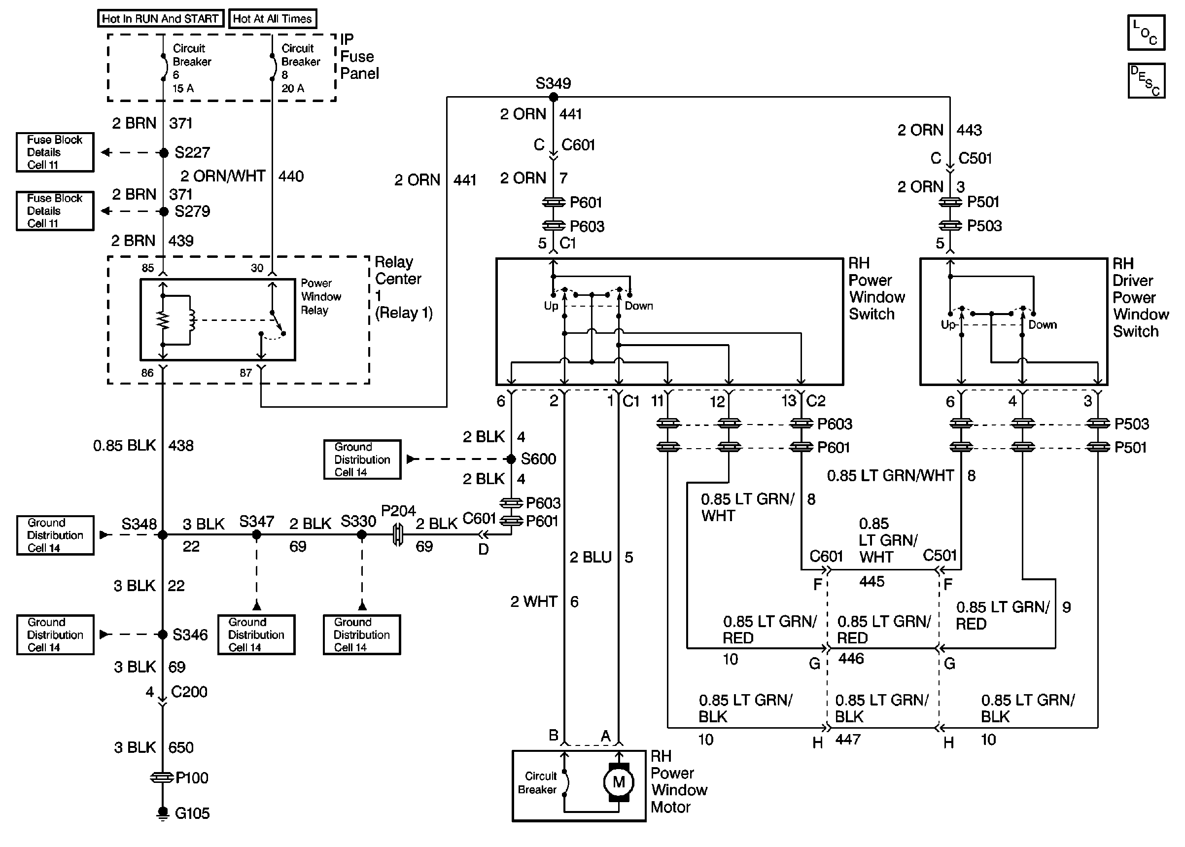
🢒 Power Window Schematics
Cell 120
Power Door Systems Components
Power Windows Circuit Description