GM Service Manual Online
For 1990-2009 cars only
Makes
🢒
Isuzu
🢒
2000
🢒
Isuzu MD Steel Tilt (F Model)
🢒
Brakes
🢒
Air Brakes
🢒 Air Brake Dryer Schematic
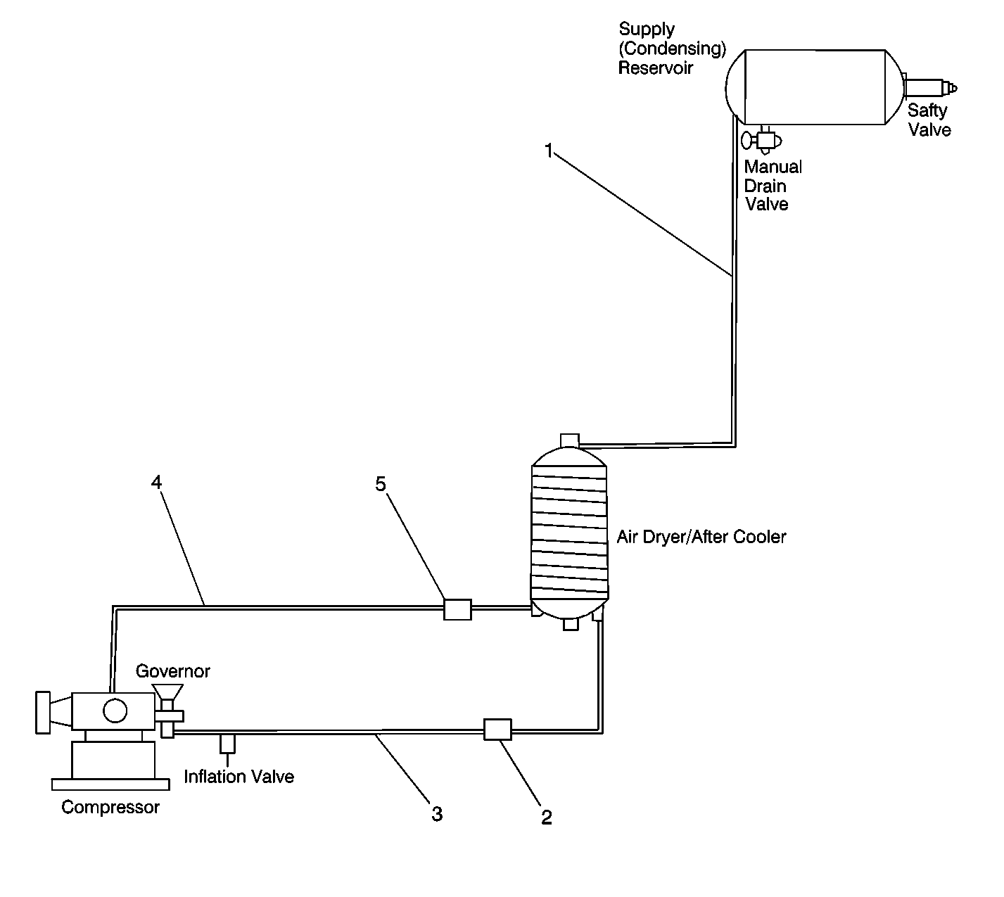
Air Brake Dryer
(1)
(Air Line) Air Dryer to Air Supply Reservoir
(2)
Low Pressure Switch
(3)
(Air Line) Low Air Pressure
(4)
(Air Line) Air Compressor to Frame Connector
(5)
(Air Line) Bulk Head Connector to Drop Elbow