GM Service Manual Online
For 1990-2009 cars only
Makes
🢒
Isuzu
🢒
2000
🢒
Isuzu MD Steel Tilt (F Model)
🢒
Brakes
🢒
Hydraulic Brakes
🢒 Brake Warning System Schematics
Figure
1:
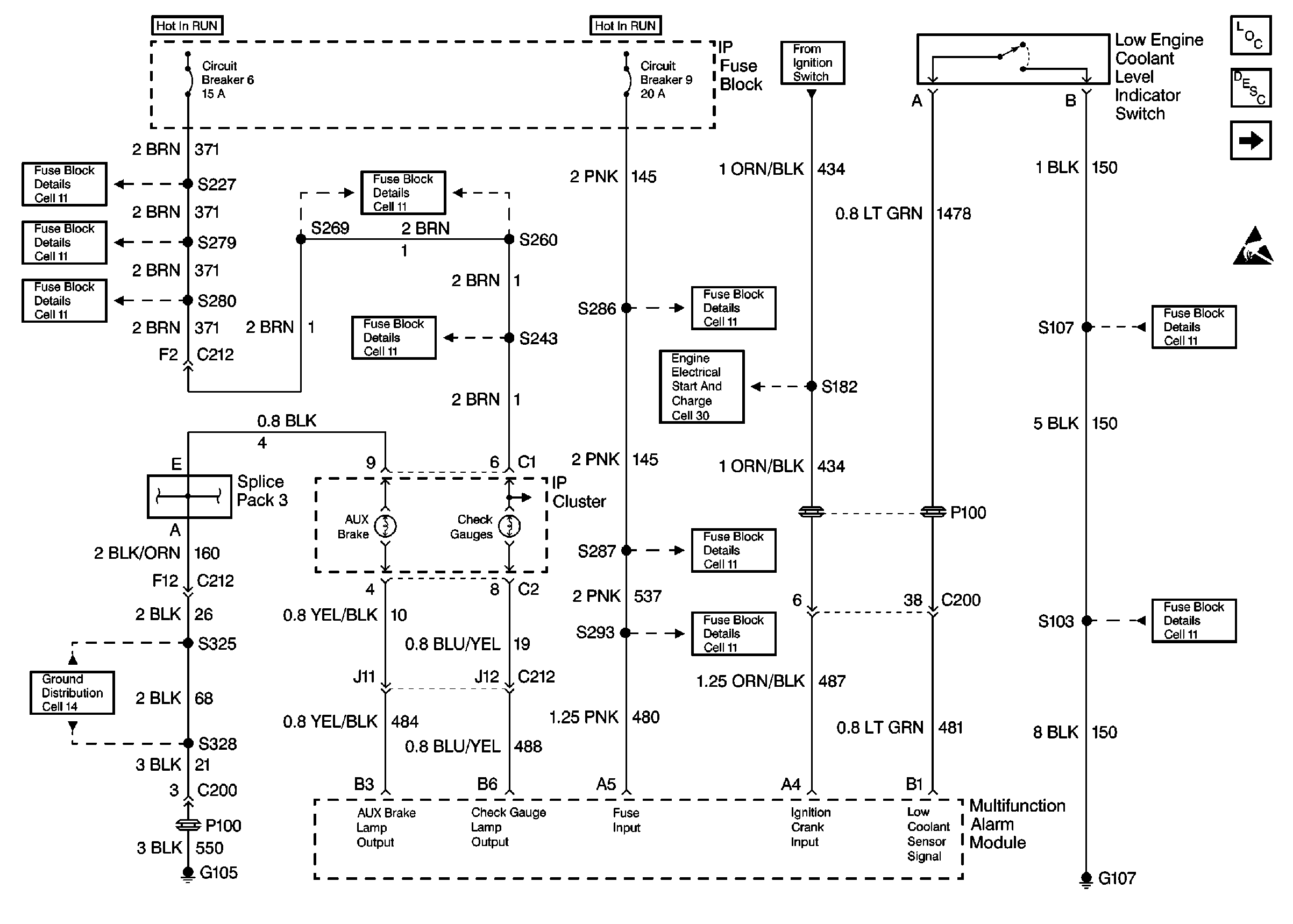
Cell 41: Brake Warning System, 1 of 3
Hydraulic Brakes Components
ABS Description
Cell 41: Brake Warning System, 2 of 3
Handling ESD Sensitive Parts Notice
Figure
2:
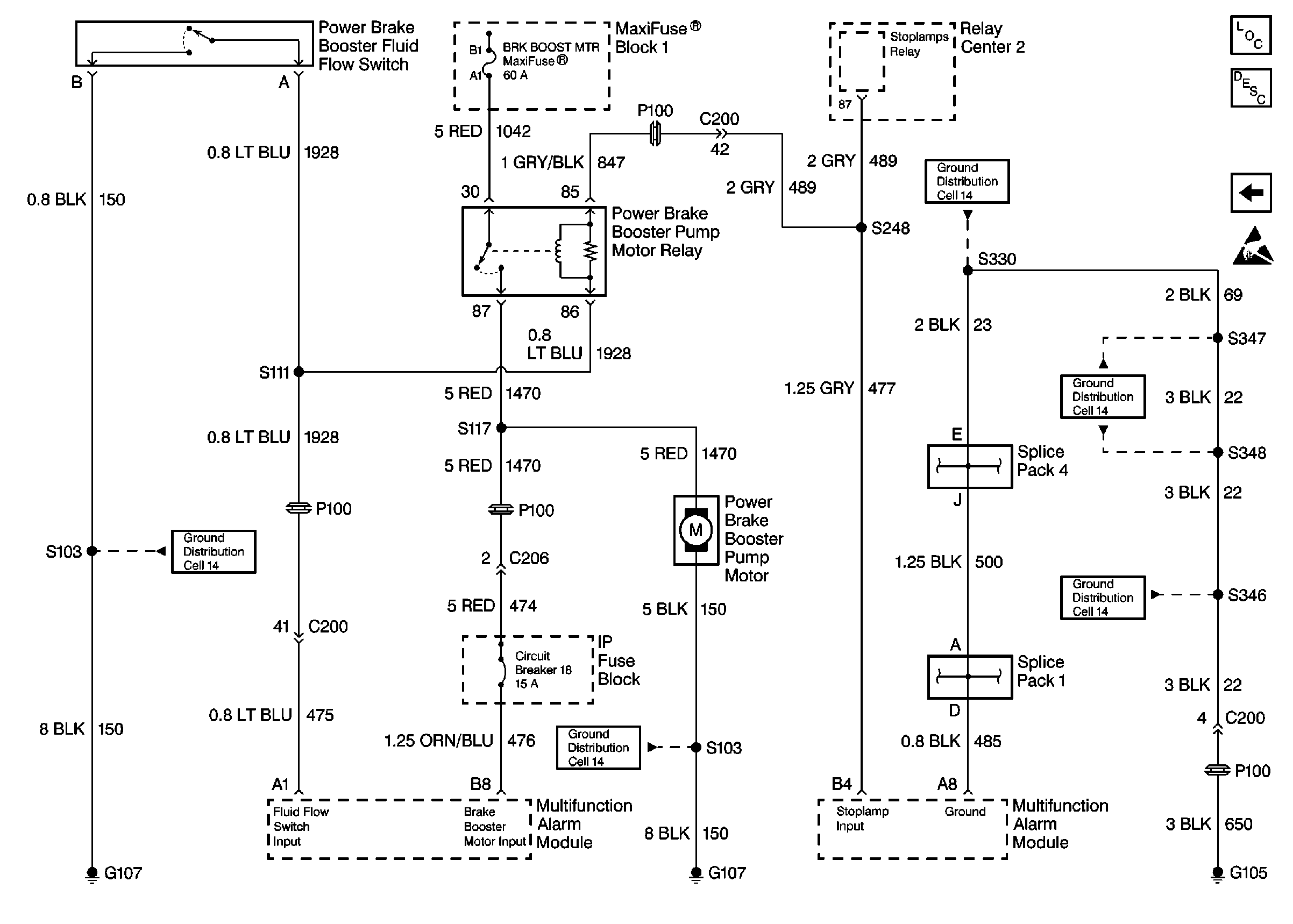
Cell 41: Brake Warning System, 2 of 3
Hydraulic Brakes Components
ABS Description
Cell 41: Brake Warning System, 3 of 3
Cell 41: Brake Warning System, 1 of 3
Handling ESD Sensitive Parts Notice
Figure
3:
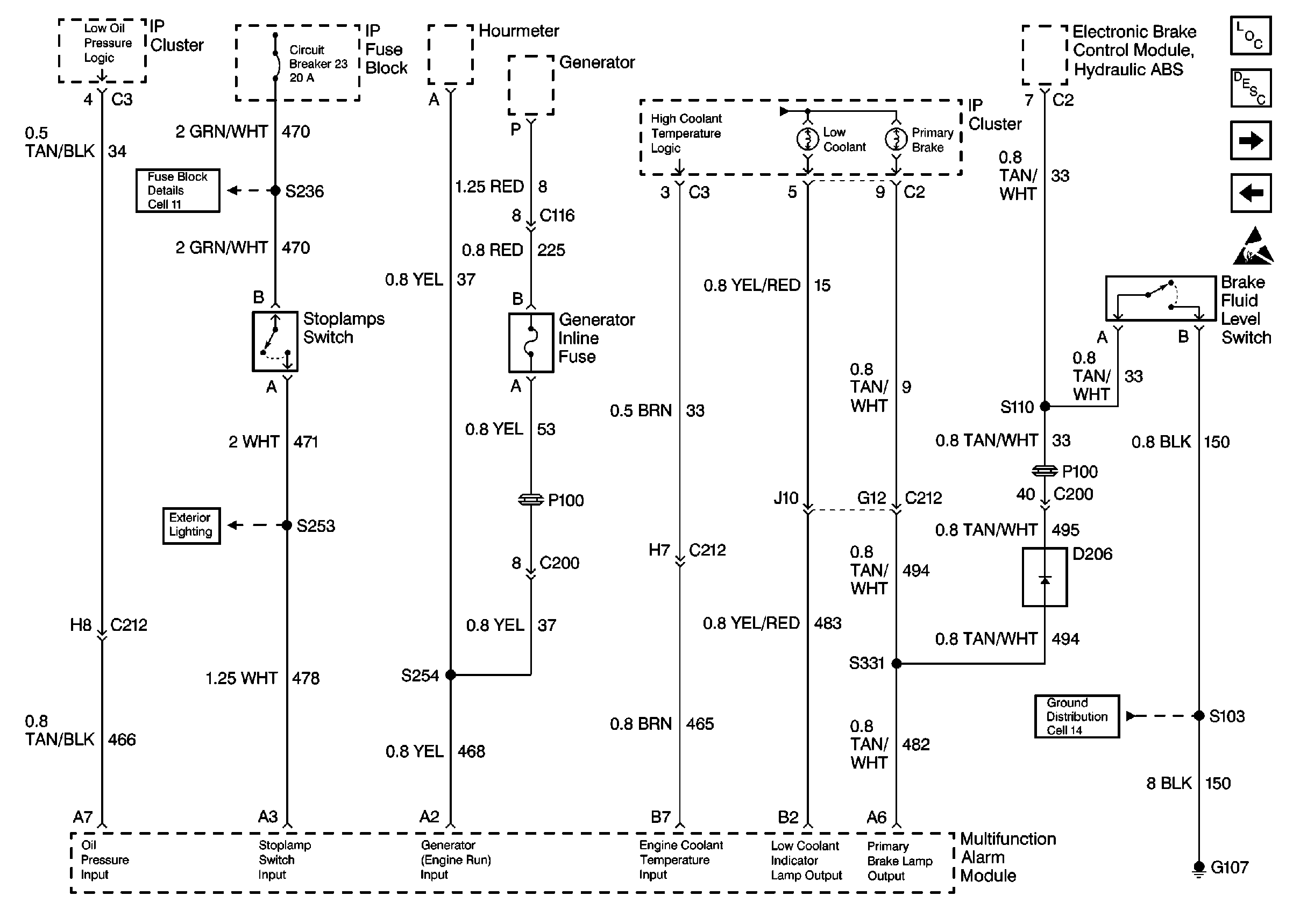
Cell 41: Brake Warning System, 3 of 3
Hydraulic Brakes Components
ABS Description
Cell 41: Brake Warning System, 2 of 3
Handling ESD Sensitive Parts Notice