GM Service Manual Online
For 1990-2009 cars only

Removal Procedure


    Object Number: 205259  Size: SH
  1. Remove the two nuts securing the two oil cooler lines to the transmission oil cooler line connectors.

  2. Object Number: 205262  Size: SH
  3. Remove the bolt, the washer, and the nut securing the oil cooler line to the transmission case bracket.

  4. Object Number: 205265  Size: SH
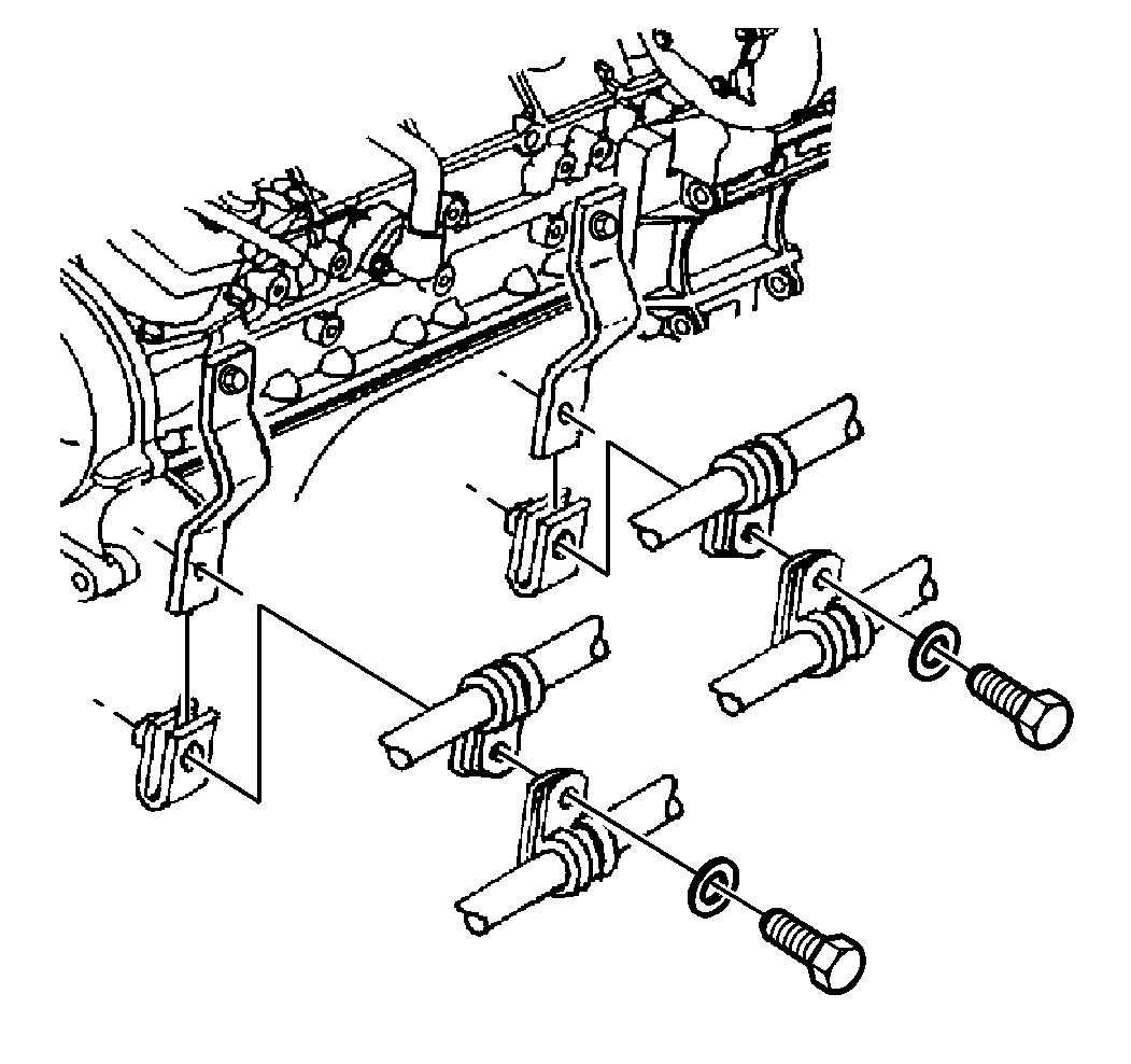
  5. Remove the two bolts, the washers, and the nuts securing the oil cooler lines to the engine block bracket.

  6. Object Number: 205270  Size: SH
  7. Remove the two nuts securing the two oil cooler lines to the transmission oil filter.

  8. Object Number: 205273  Size: SH
  9. Disconnect the two oil cooler lines from the radiator.

  10. Object Number: 205278  Size: SH
  11. Disconnect the two oil cooler lines from the auxiliary oil cooler.
  12. Remove the oil cooler lines from the vehicle.

Installation Procedure

  1. Install the oil cooler lines to the vehicle.

  2. Object Number: 205278  Size: SH

    Notice: Use the correct fastener in the correct location. Replacement fasteners must be the correct part number for that application. Fasteners requiring replacement or fasteners requiring the use of thread locking compound or sealant are identified in the service procedure. Do not use paints, lubricants, or corrosion inhibitors on fasteners or fastener joint surfaces unless specified. These coatings affect fastener torque and joint clamping force and may damage the fastener. Use the correct tightening sequence and specifications when installing fasteners in order to avoid damage to parts and systems.

  3. Connect the two oil cooler lines to the auxiliary oil cooler.
  4. Tighten
    Tighten the oil cooler lines to 30 N·m (22 lb ft).


    Object Number: 205273  Size: SH
  5. Install the two oil cooler lines to the radiator.
  6. Tighten
    Tighten the oil cooler lines to 30 N·m (22 lb ft).


    Object Number: 205270  Size: SH
  7. Install the two nuts in order to secure the two oil cooler lines to the transmission oil filter.
  8. Tighten
    Tighten the nuts to 30 N·m (22 lb ft).


    Object Number: 205265  Size: SH
  9. Install the two bolts, the washers, and the nuts in order to secure the oil cooler lines to the engine block bracket.
  10. Tighten
    Tighten the nuts to 30 N·m (22 lb ft).


    Object Number: 205262  Size: SH
  11. Install the bolt, the washer, and the nut in order to secure the oil cooler line to the transmission case bracket.
  12. Tighten
    Tighten the bolt to 30 N·m (22 lb ft).


    Object Number: 205259  Size: SH
  13. Install the two nuts in order to secure the two cooler lines to the transmission oil cooler line connectors.
  14. Tighten
    Tighten the nuts to 25 N·m (18 lb ft).