GM Service Manual Online
For 1990-2009 cars only
Makes
🢒
Isuzu
🢒
2000
🢒
Isuzu MD Steel Tilt (F Model)
🢒
Body and Accessories
🢒
Lighting Systems
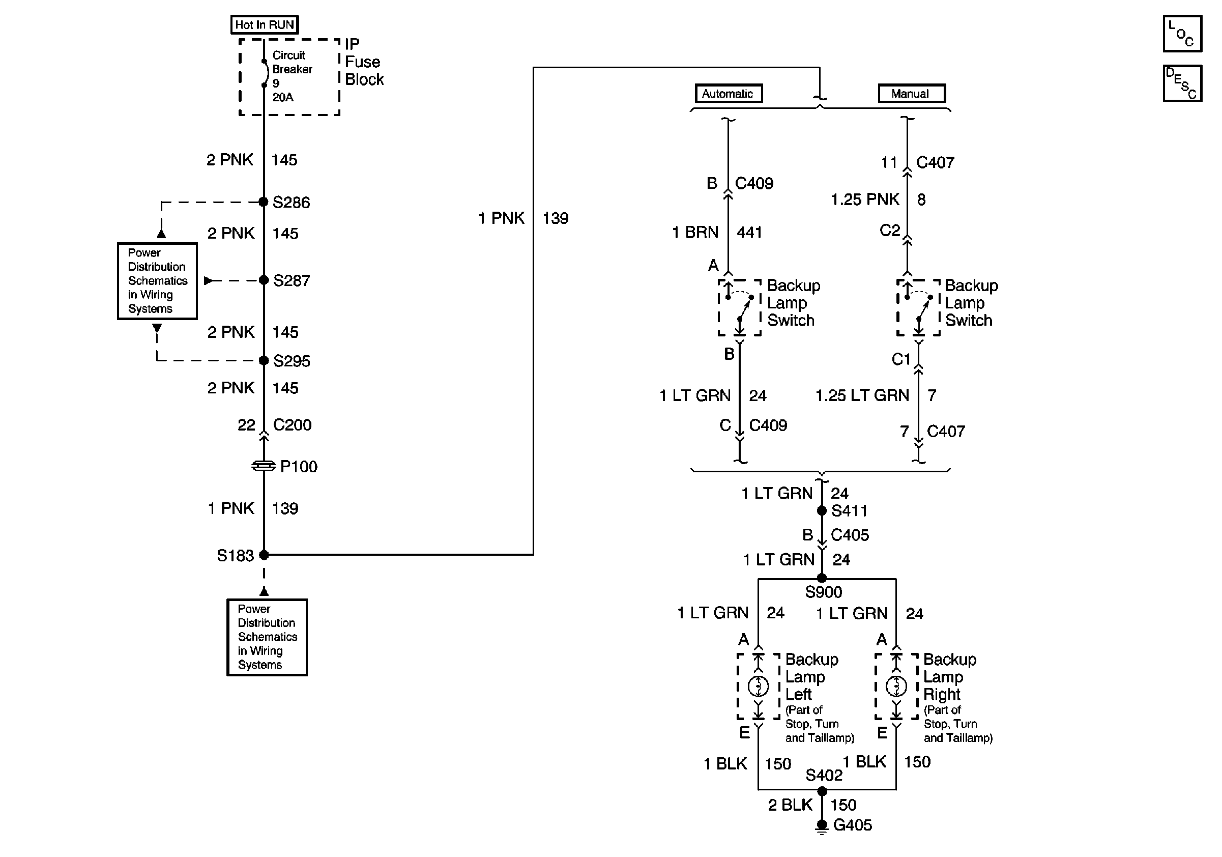
🢒 Backup Lamp Schematics
Lighting Systems Components
Backup Lamp Circuit Description
IP Fuse Block, Circuit Breaker 9
Circuit Breaker 9 Continued