GM Service Manual Online
For 1990-2009 cars only
Makes
🢒
Isuzu
🢒
2000
🢒
Isuzu MD Steel Tilt (F Model)
🢒
Body and Accessories
🢒
Lighting Systems
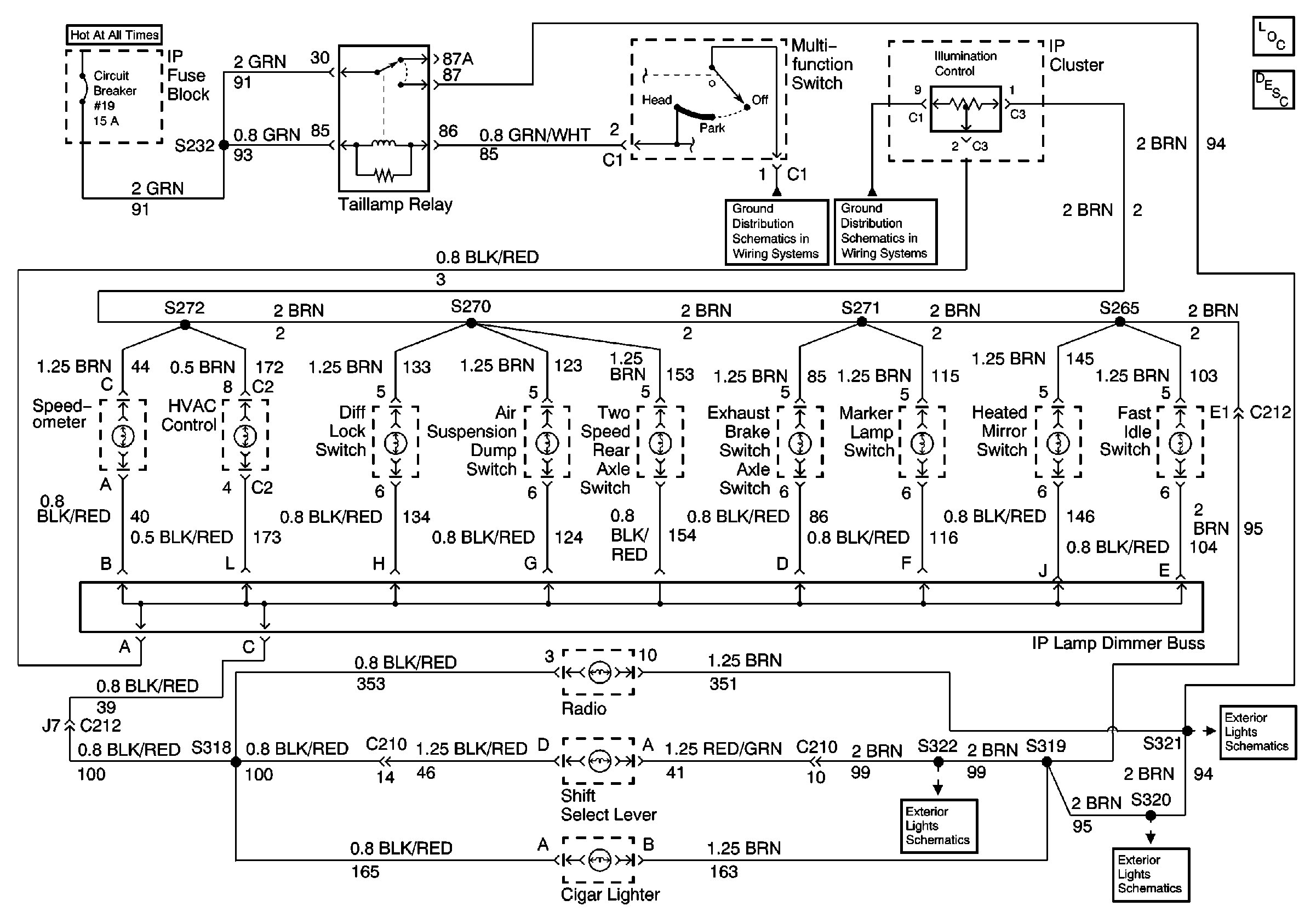
🢒 Interior Lights Dimming Schematics
Lighting Systems Components
Interior Lights Dimming Circuit Description
G105 Continued, S324, S325, S326, S327, S500
G105 Continued, G407 Continued, Splice Pack 2, Splice Pack 3
Taillamps Switch and Relay
Taillamps Switch and Relay
Taillamps Switch and Relay