GM Service Manual Online
For 1990-2009 cars only
Makes
🢒
Isuzu
🢒
2000
🢒
Isuzu MD Steel Tilt (F Model)
🢒
Body and Accessories
🢒
Wipers/Washer Systems
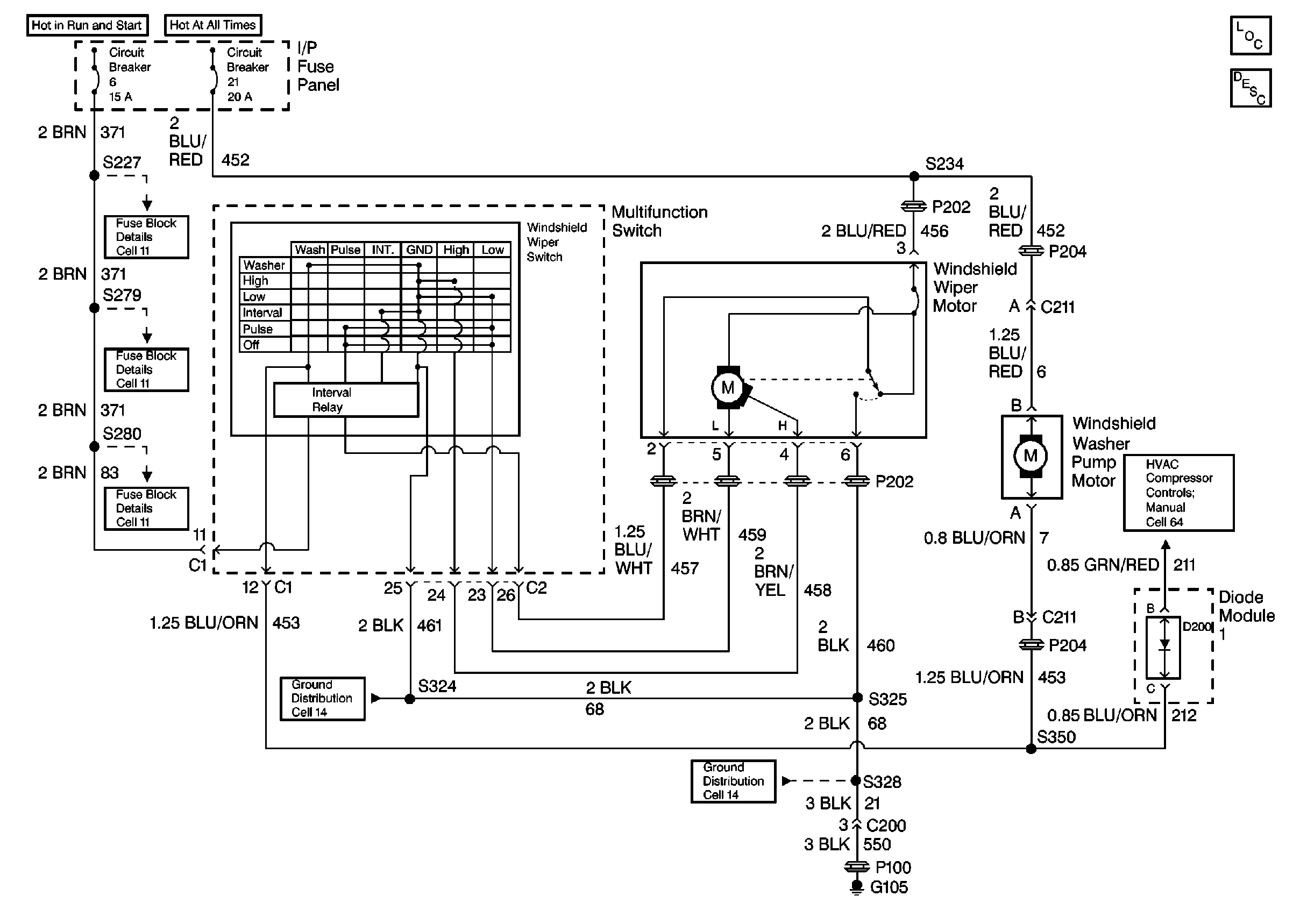
🢒 Wiper/Washer System (Pulse) Schematics
Cell 91: Wiper Washer With Pulse
Wiper/Washer System Components
Wiper/Washer System Circuit Description