GM Service Manual Online
For 1990-2009 cars only

    Object Number: 650337  Size: SH
  1. Remove the nuts for the detent link rod.
  2. Remove the detent link rod.
  3. Measure the length of the detent link rod before disassembling.
  4. Replace worn detent link rod ends.

  5. Object Number: 650347  Size: SH
  6. Remove the nut and bolt for the select control lever (1).
  7. Remove the select control lever (1).
  8. Remove the select internal lever (4) and the washer (2) from the housing.
  9. Remove the range select shift seal (3) from the housing.

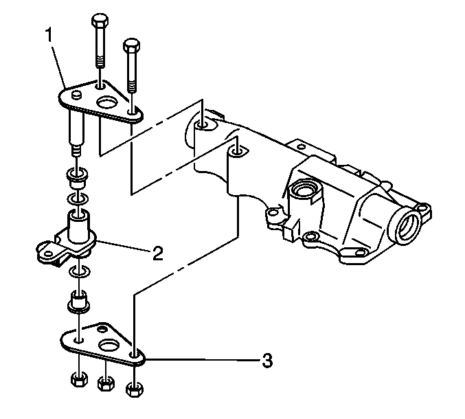
  10. Object Number: 650351  Size: SH
  11. Remove the 2 bolts for the select lever rod bracket (1).
  12. Remove the nut for the select lever (2).
  13. Remove the select lever and bracket from the housing. The bushings, washers, select lever are not serviceable. The select lever rod bracket (3) is serviced as an assembly.

  14. Object Number: 650355  Size: SH
  15. Remove the shift shaft cover (6).
  16. Remove the control tube retaining ring (5).
  17. Remove the shift lever shaft (1) from the internal shift control lever (4) and the housing.
  18. Remove the boot (2) from the shift lever shaft (1).
  19. Remove the shift shaft seal (3) from the housing. The shift lever shaft bushings are only serviced with the housing.