GM Service Manual Online
For 1990-2009 cars only

Shift Cover Disassemble


    Object Number: 650466  Size: SH
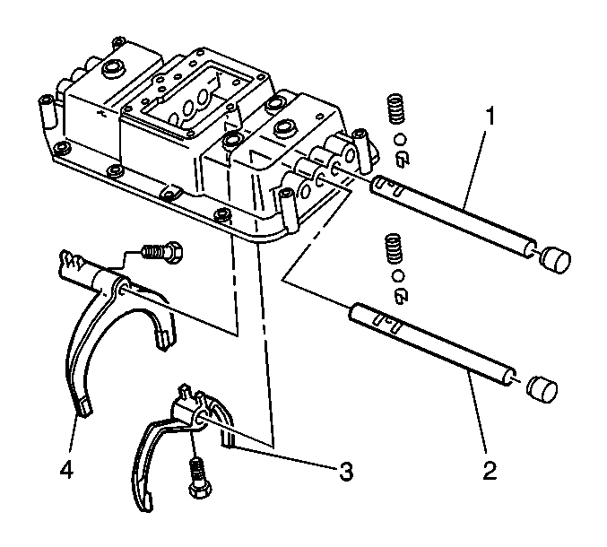
  1. Move all of the shift shafts to the neutral position.
  2. Remove the neutral position switch (1) with the interlock ball and interlock pin from the shift cover.
  3. Remove the back-up switch (2) and interlock ball from the shift cover.
  4. Remove the reverse lock out bolt (3) and washers.
  5. Remove the reverse shift shaft detent sleeve, spring, and cap.

  6. Object Number: 650445  Size: SH
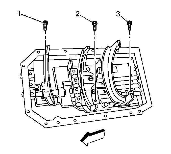
  7. Remove the following shift fork and shift block bolts:
  8. 6.1. Front shift block 5th/6th gear (1)
    6.2. Center shift block 5th/6th gear (2)
    6.3. Rear shift block 5th/6th gear (3)
    6.4. Reverse shift fork (4)

    Object Number: 650471  Size: SH
  9. Remove the cap for the reverse shift fork shaft and the 5th/6th shift block shaft.
  10. Important: The interlock block pins and detent balls are spring loaded and will come out when removing the shift shafts.

  11. Remove the shift fork shaft (1) from the 5th/6th front (6) and center (5) shift blocks.
  12. Remove the 5th/6th rear shift block (4) with the shift shaft detent sleeve, spring and cap and the reverse detent ball and spring.
  13. Remove the reverse shift shaft (2) and reverse shift fork (3).

  14. Object Number: 650588  Size: SH
  15. Remove the following shift fork and shift block bolts:
  16. 11.1. Shift fork 5th/6th (1)
    11.2. Reverse gear rear shift block (2)
    11.3. Reverse gear front shift block (3)

    Object Number: 650469  Size: SH
  17. Remove the cap for the 5th/6th shift shaft (1) and the reverse shift shaft (2).
  18. Important: The interlock block pins and detent balls are spring loaded and will come out when removing the shift shafts.

  19. Remove the 5th/6th gear shift shaft (1) and the 5th/6th shift fork (5).
  20. Remove the reverse gear shift shaft (2).
  21. Remove the reverse gear front shift block (4) with detent ball and spring.
  22. Remove the reverse gear rear shift block (3).

  23. Object Number: 650591  Size: SH
  24. Remove the bolt (1) for the 3rd/4th gear shift fork.
  25. Remove the bolt (2) for the 1st/2nd gear shift fork.

  26. Object Number: 650590  Size: SH
  27. Remove the cap for the 1st/2nd shift shaft.
  28. Remove the cap for the 3rd/4th shift shaft.
  29. Important: The interlock block pins and detent balls are spring loaded and will come out when removing the shift shafts.

  30. Remove the 1st/2nd shift shaft (1) and the 1st/2nd shift fork (4).
  31. Remove the 3rd/4th shift shaft (2) and the 3rd/4th shift fork (3).

  32. Object Number: 650468  Size: SH
  33. Remove the nuts for the shift levers.
  34. Remove the shift levers, washers, and shift shaft pins.
  35. Remove any remaining detent ball springs still in the shift cover.