GM Service Manual Online
For 1990-2009 cars only
Makes
🢒
Isuzu
🢒
2001
🢒
Isuzu T-Series (Truck Line C)
🢒
Body and Accessories
🢒
Wipers/Washer Systems
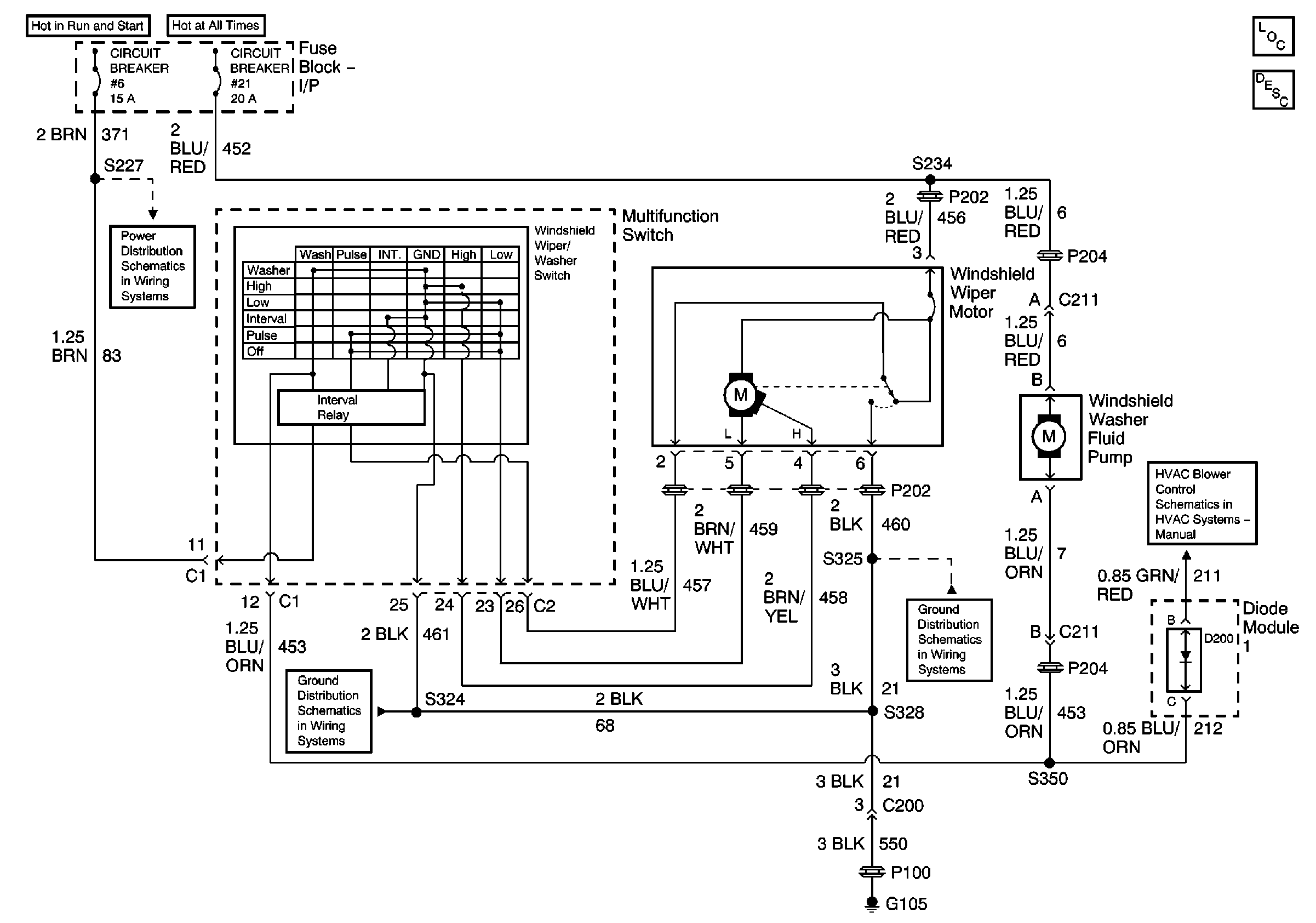
🢒 Wiper/Washer Schematics
Master Electrical Component List
Wiper/Washer System Description and Operation
Power and System Components (1 of 3)
G105 S328, S325
G105 Continued, S324, S326, S500
IP Fuse Block, Circuit Breaker 6 (1 of 2)