GM Service Manual Online
For 1990-2009 cars only
Makes
🢒
Isuzu
🢒
2001
🢒
Isuzu T-Series (Truck Line C)
🢒
Body and Accessories
🢒
Horns
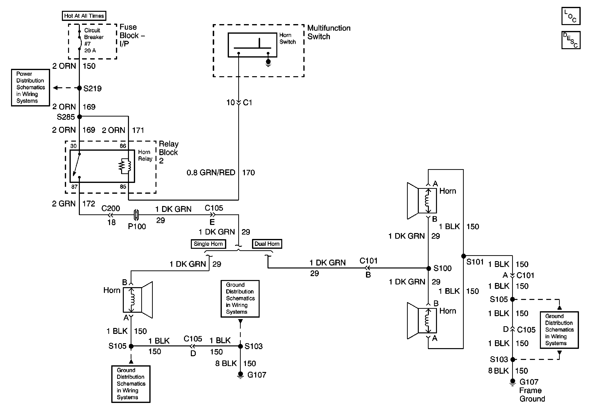
🢒 Horn Schematics
Master Electrical Component List
Horns System Description and Operation
IP Fuse Block, Circuit Breakers 7, 8
G107, S101, S103, S105
G107, S101, S103, S105
G107, S101, S103, S105