GM Service Manual Online
For 1990-2009 cars only
Makes
🢒
Isuzu
🢒
2001
🢒
Isuzu T-Series (Truck Line C)
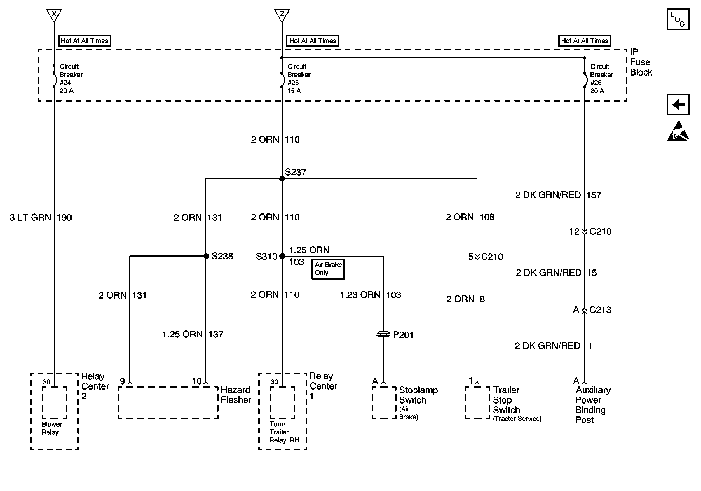
🢒 Cell 10: Power Distribution - Circuit Breaker 24, 25, 26
Cell 10: Power Distribution - Circuit Breaker 24, 25, 26
Cell 10: Power Distribution -- Circuit Breaker 24, 25, 26
Power and Grounding Components
Cell 10: Power Distribution - Circuit Breaker 20, 21, 22, 23
Handling ESD Sensitive Parts Notice
Fuse Block 2, 2 SPEED AXLE, HVAC, TURN SIG Fuses
Fuse Block 2, 2 SPEED AXLE, HVAC, TURN SIG Fuses