GM Service Manual Online
For 1990-2009 cars only
Makes
🢒
Isuzu
🢒
2001
🢒
Isuzu T-Series (Truck Line C)
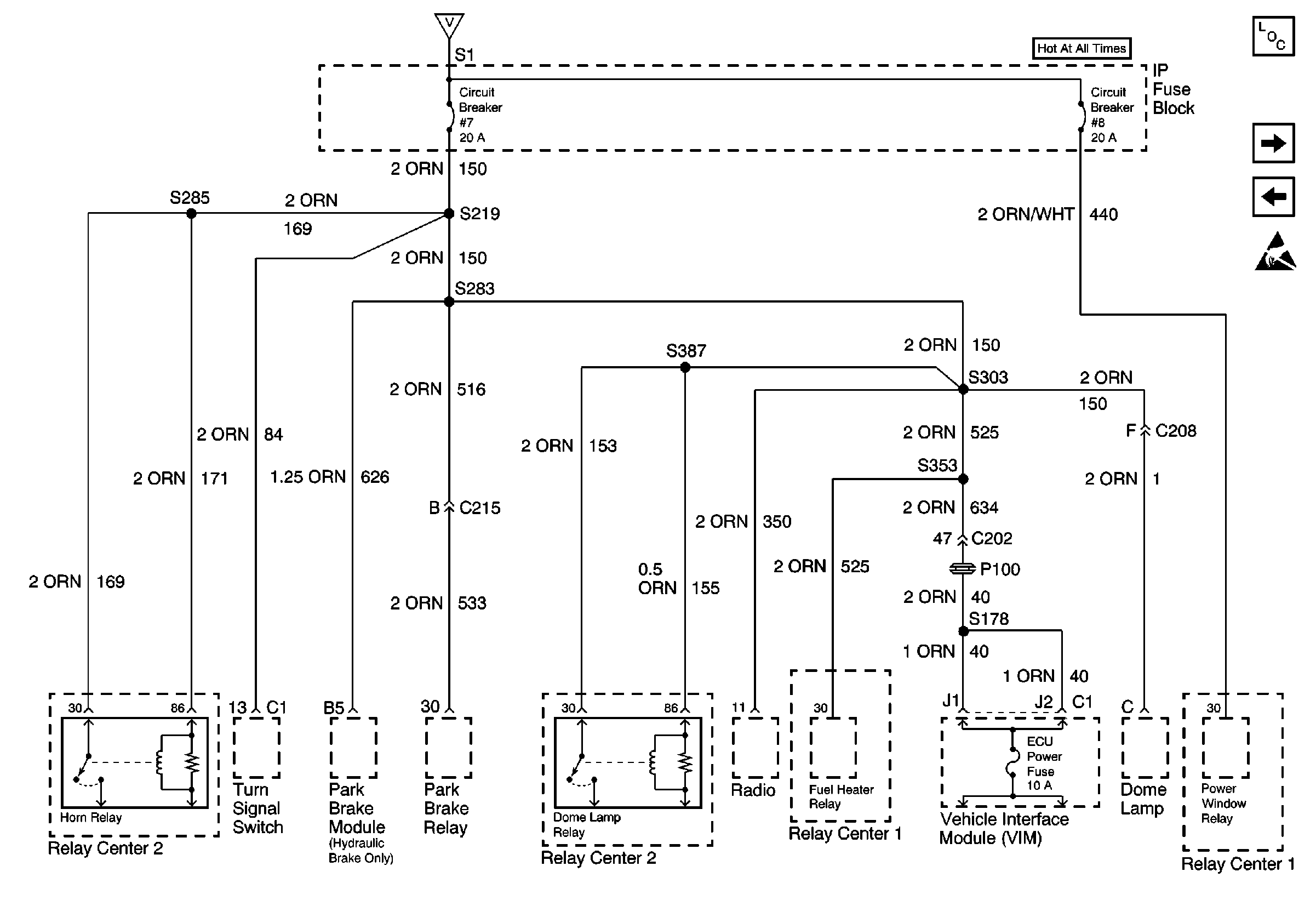
🢒 Circuit Breaker 7, 8
Circuit Breaker 7, 8
Circuit Breaker 7, 8
Power and Grounding Components
Circuit Breaker 9
Circuit Breaker 6 (2 of 2)
Handling ESD Sensitive Parts Notice
Fuse Block 1, BRK BOOST MTR, COMPUTER/PRK BRK/ENG CONTROL, AUX Fuses