GM Service Manual Online
For 1990-2009 cars only
Makes
🢒
Isuzu
🢒
2001
🢒
Isuzu T-Series (Truck Line C)
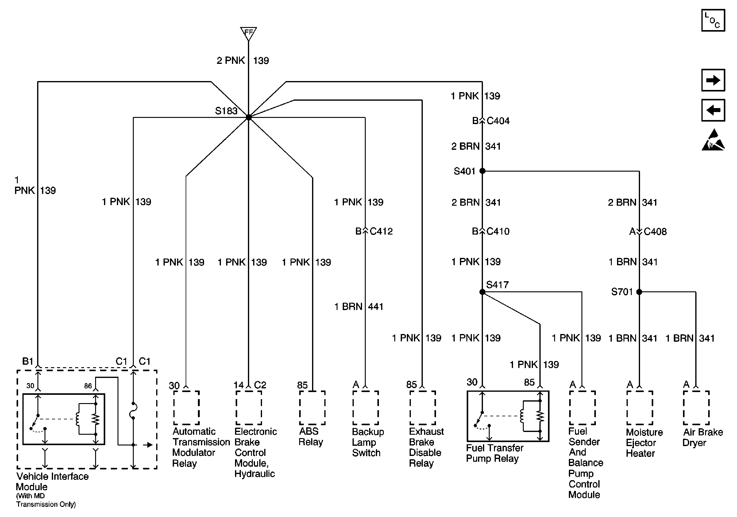
🢒 Circuit Breaker 9
Circuit Breaker 9
Circuit Breaker 9
Power and Grounding Components
Cell 10: Power Distribution - Circuit Breaker 11, 12, 13, 14,15
Circuit Breaker 9
Handling ESD Sensitive Parts Notice
Circuit Breaker 9