GM Service Manual Online
For 1990-2009 cars only
Makes
🢒
Isuzu
🢒
2001
🢒
Isuzu T-Series (Truck Line C)
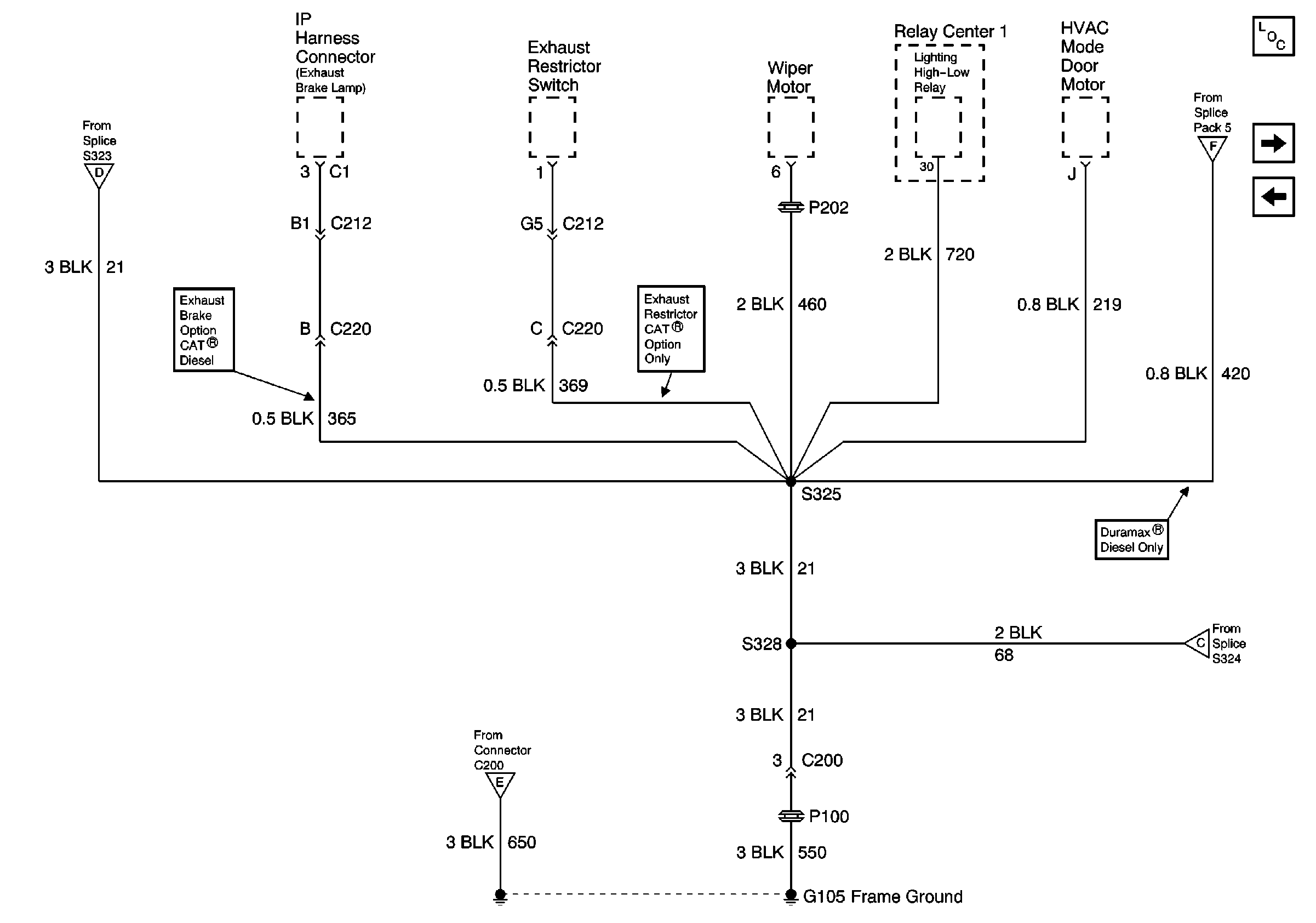
🢒 G105, S325, S328
G105, S325, S328
G105, S325, S328
Power and Grounding Components
G105 Continued, S324, S326, S500
G107 continued, S109 (LG5 Engine only)
G105 Continued, S323, S339, S341, S357, S358
G105 Continued, S346, S347, S348, S363
G105 Continued, S324, S326, S500