GM Service Manual Online
For 1990-2009 cars only
Makes
🢒
Isuzu
🢒
2001
🢒
Isuzu T-Series (Truck Line C)
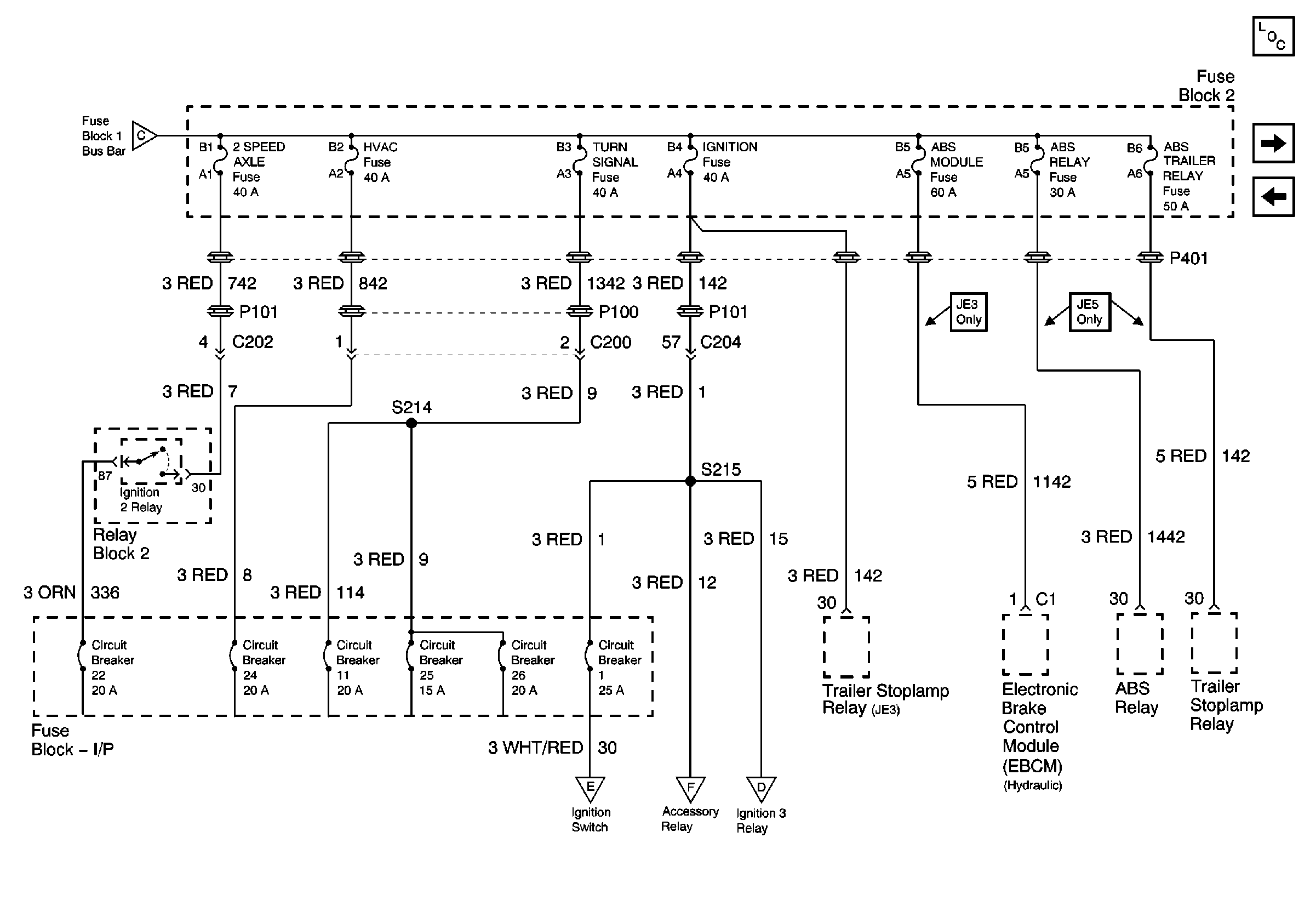
🢒 Fuse Block 2, 2 SPEED AXLE, HVAC, TURN SIGNAL, IGNITION, HYD ABS MODULE, AIR ABS RELAY, AIR ABS TRAILER RELAY Fuses
Fuse Block 2, 2 SPEED AXLE, HVAC, TURN SIGNAL, IGNITION, HYD ABS MODULE, AIR ABS RELAY, AIR ABS TRAILER RELAY Fuses
Fuse Block 2, 2 SPEED AXLE, HVAC, TURN SIGNAL, IGNITION, HYD ABS MODULE, AIR ABS RELAY, AIR ABS TRAILER RELAY Fuses
Master Electrical Component List
Ignition Switch, Ignition 3 Relay, Accessory Relay
Fuse Block 1, BRK BOOST MTR, COMPUTER/PRK BRK/ENG CONTROL, AUX Fuses
Fuse Block 1, EXT LIGHTING, GENERATOR/CHASSIS, WIPER/HVAC Fuses
Ignition Switch, Ignition 3 Relay, Accessory Relay
Ignition Switch, Ignition 3 Relay, Accessory Relay
Ignition Switch, Ignition 3 Relay, Accessory Relay