GM Service Manual Online
For 1990-2009 cars only
Makes
🢒
Isuzu
🢒
2001
🢒
Isuzu T-Series (Truck Line C)
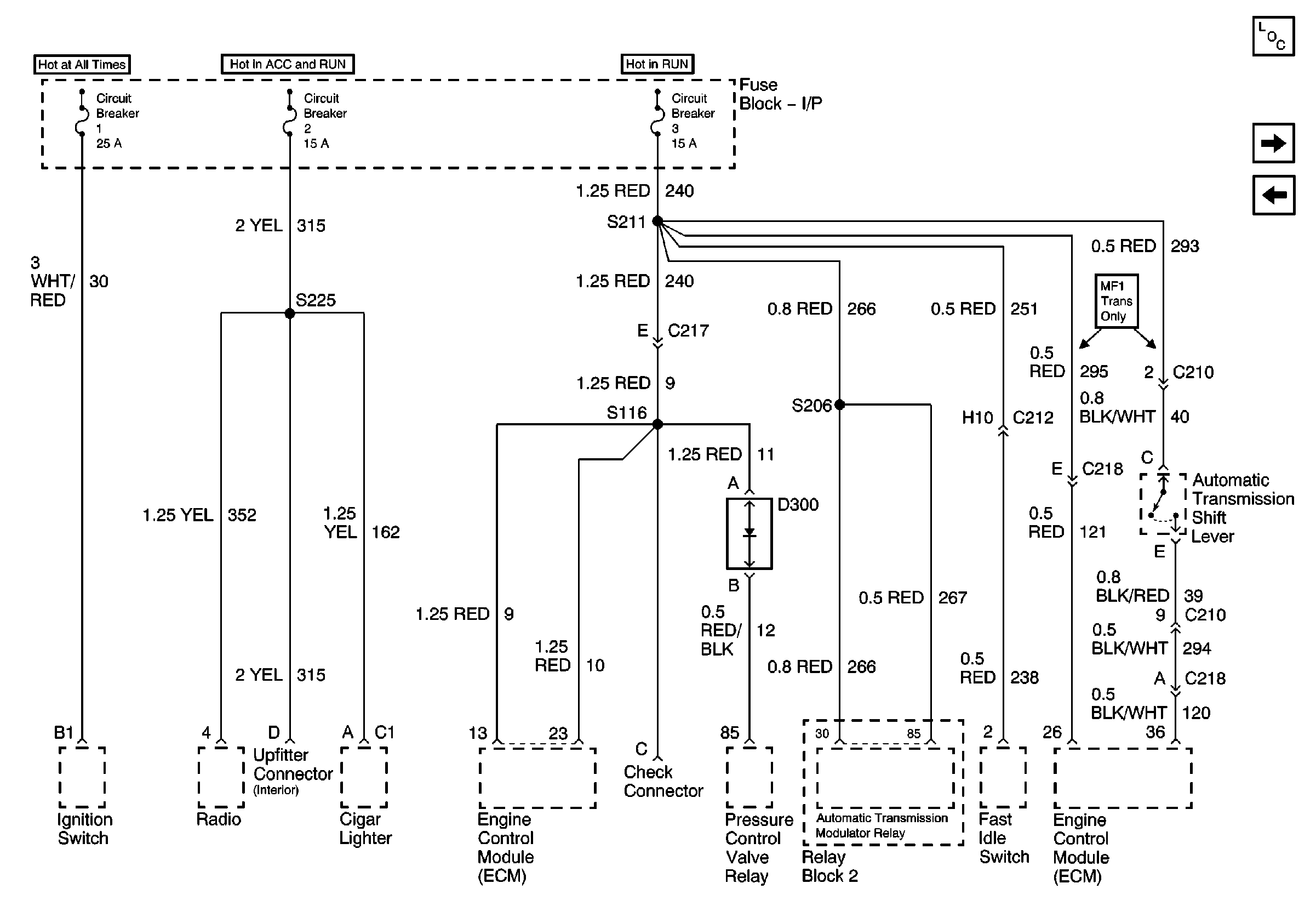
🢒 IP Fuse Block, Circuit Breakers 1, 2, 3
IP Fuse Block, Circuit Breakers 1, 2, 3
IP Fuse Block, Circuit Breakers 1, 2, 3
Master Electrical Component List
IP Fuse Block, Circuit Breakers 4, 5, 10
Ignition Switch, Ignition 3 Relay, Accessory Relay