GM Service Manual Online
For 1990-2009 cars only
Makes
🢒
Isuzu
🢒
2001
🢒
Isuzu T-Series (Truck Line C)
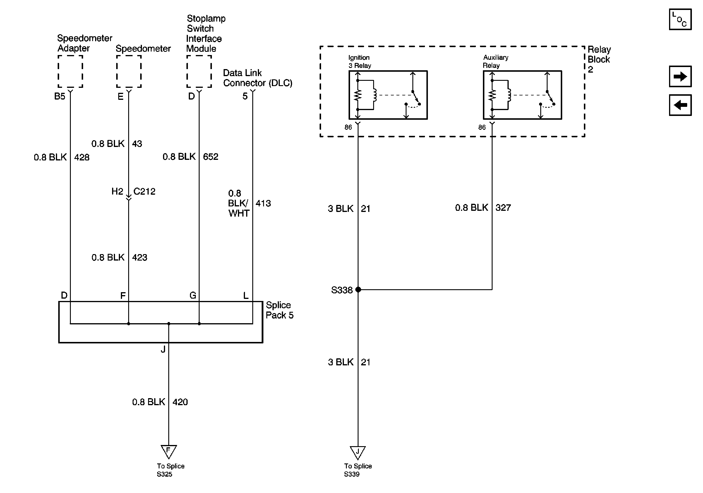
🢒 G105 Continued, Splice Pack 5, S338
G105 Continued, Splice Pack 5, S338
G105 Continued, Splice Pack 5, S338
Master Electrical Component List
G111, G403, S152, S243, S244, S245, S246, S247
Splice Pack 2
G105 S328, S325
G105 Continued, S323, S337, S339, S357, S358