GM Service Manual Online
For 1990-2009 cars only
Makes
🢒
Isuzu
🢒
2001
🢒
Isuzu T-Series (Truck Line C)
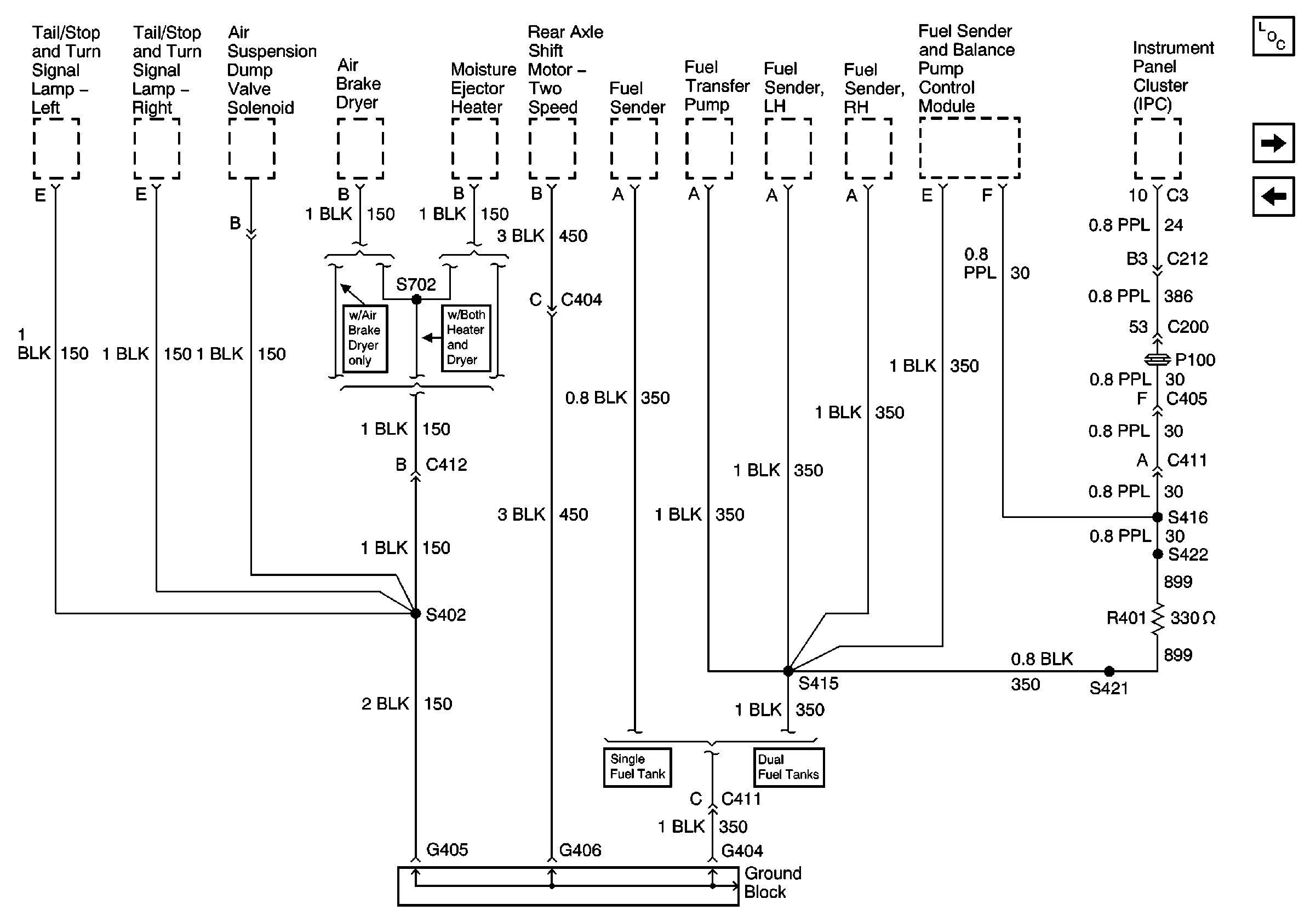
🢒 G404, G405, G406, S402, S415, S416, S421, S422, S702
G404, G405, G406, S402, S415, S416, S421, S422, S702
G404, G405, G406, S402, S415, S416, S421, S422, S702
Master Electrical Component List
G407, Splice Pack 3, S120, S121, S122, S150, S242, S361
G111, G403, S152, S243, S244, S245, S246, S247