GM Service Manual Online
For 1990-2009 cars only
Makes
🢒
Isuzu
🢒
2001
🢒
Isuzu T-Series (Truck Line C)
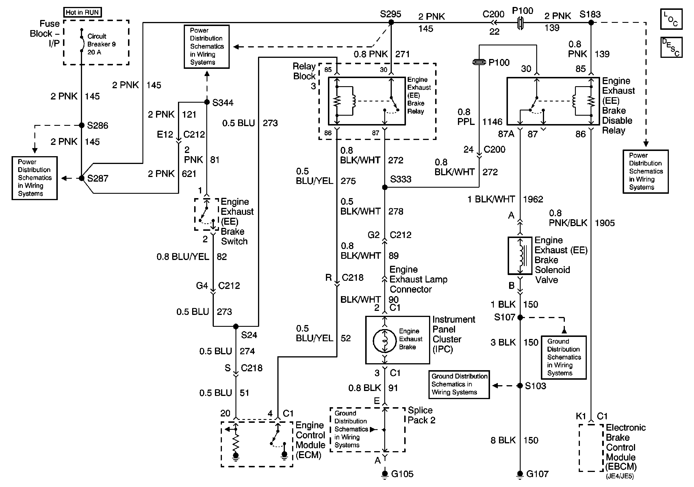
🢒 Engine Exhaust Brake Electrical Schematic
Engine Exhaust Brake Electrical Schematic
Master Electrical Component List
Exhaust System Description
IP Fuse Block, Circuit Breaker 9 (1 of 2)
IP Fuse Block, Circuit Breaker 9 (1 of 2)
Circuit Breaker 9 (2 of 2)
G107, S101, S103, S105