GM Service Manual Online
For 1990-2009 cars only
Makes
🢒
Isuzu
🢒
2001
🢒
Isuzu T-Series (Truck Line C)
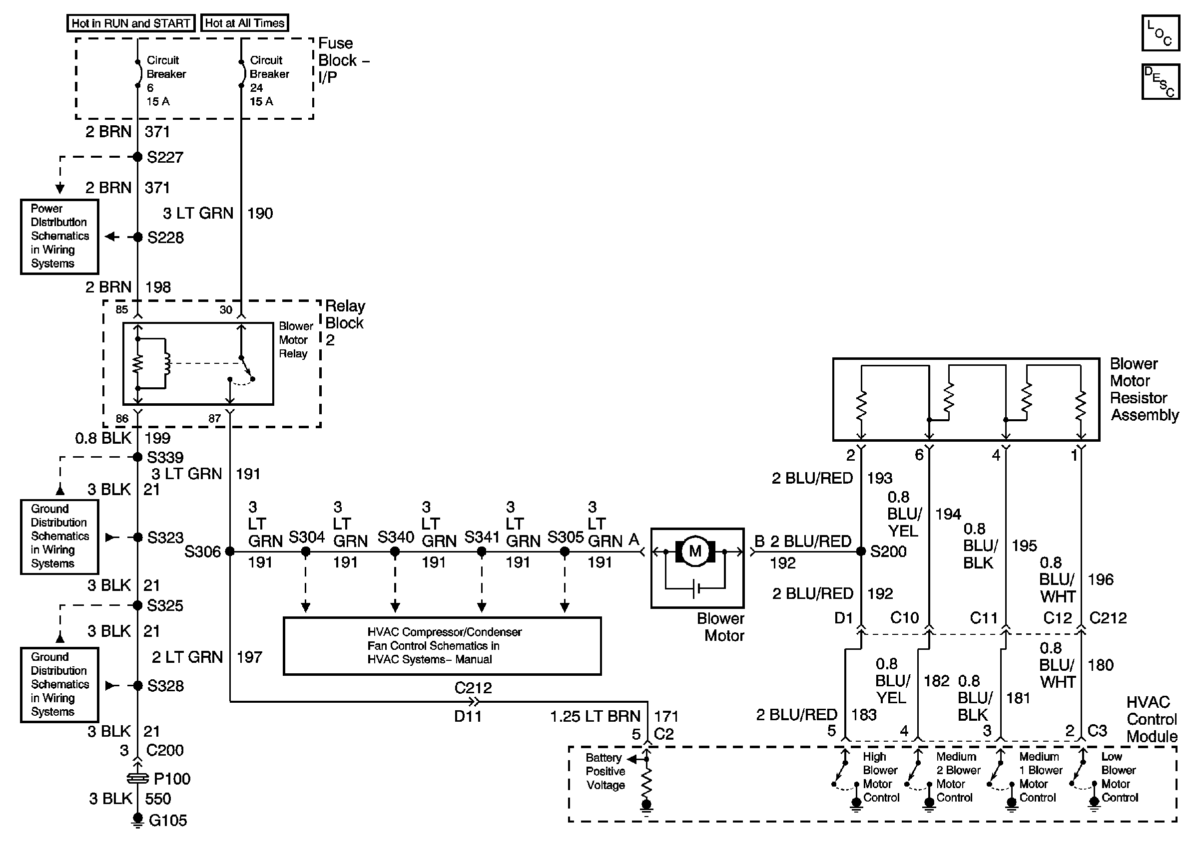
🢒 Blower Control Schematics
Blower Control Schematics
Master Electrical Component List
Air Delivery Description and Operation
Power and System Components (1 of 3)
G105 S328, S325
G105 Continued, S323, S337, S339, S357, S358
IP Fuse Block, Circuit Breaker 6 (1 of 2)