GM Service Manual Online
For 1990-2009 cars only
Makes
🢒
Isuzu
🢒
2001
🢒
Isuzu T-Series (Truck Line C)
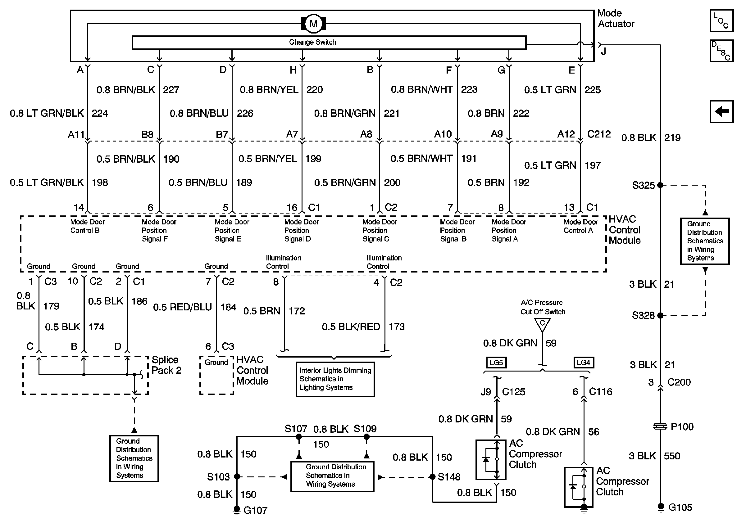
🢒 System Components and Grounds (3 of 3)
System Components and Grounds (3 of 3)
System Components and Grounds (3 of 3)
Master Electrical Component List
Air Temperature Description and Operation
System Components (2 of 2)
Power and System Components (1 of 3)
Interior Lights Dimming Schematics
G105 S328, S325
G107, S101, S103, S105
Splice Pack 2