GM Service Manual Online
For 1990-2009 cars only
Makes
🢒
Isuzu
🢒
2001
🢒
Isuzu T-Series (Truck Line C)
🢒 Outside Mirror Schematics
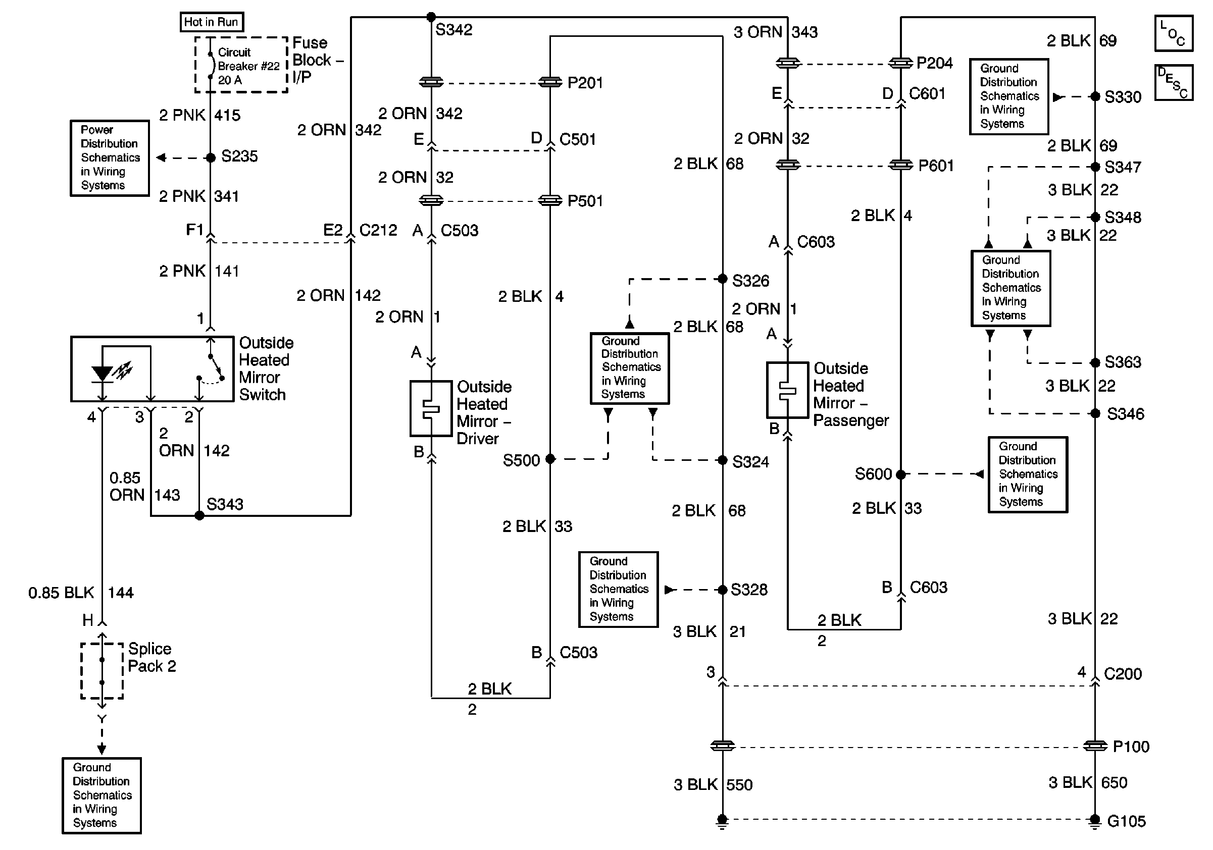
Outside Mirror Schematics
Master Electrical Component List
Outside Mirror Description and Operation
IP Fuse Block, Circuit Breakers 22, 23, 24, 25, 26
Interior Lights Dimming Schematics
Splice Pack 2
G105 Continued, S324, S326, S500
G105 S328, S325
G105 Continued, S330, S349, S359, S360, S600
G105 Continued, S346, S347, S348, S363
G105 Continued, S330, S349, S359, S360, S600