GM Service Manual Online
For 1990-2009 cars only
Makes
🢒
Isuzu
🢒
2001
🢒
Isuzu T-Series (Truck Line C)
🢒 Clearance, Identification, and Marker Lamps
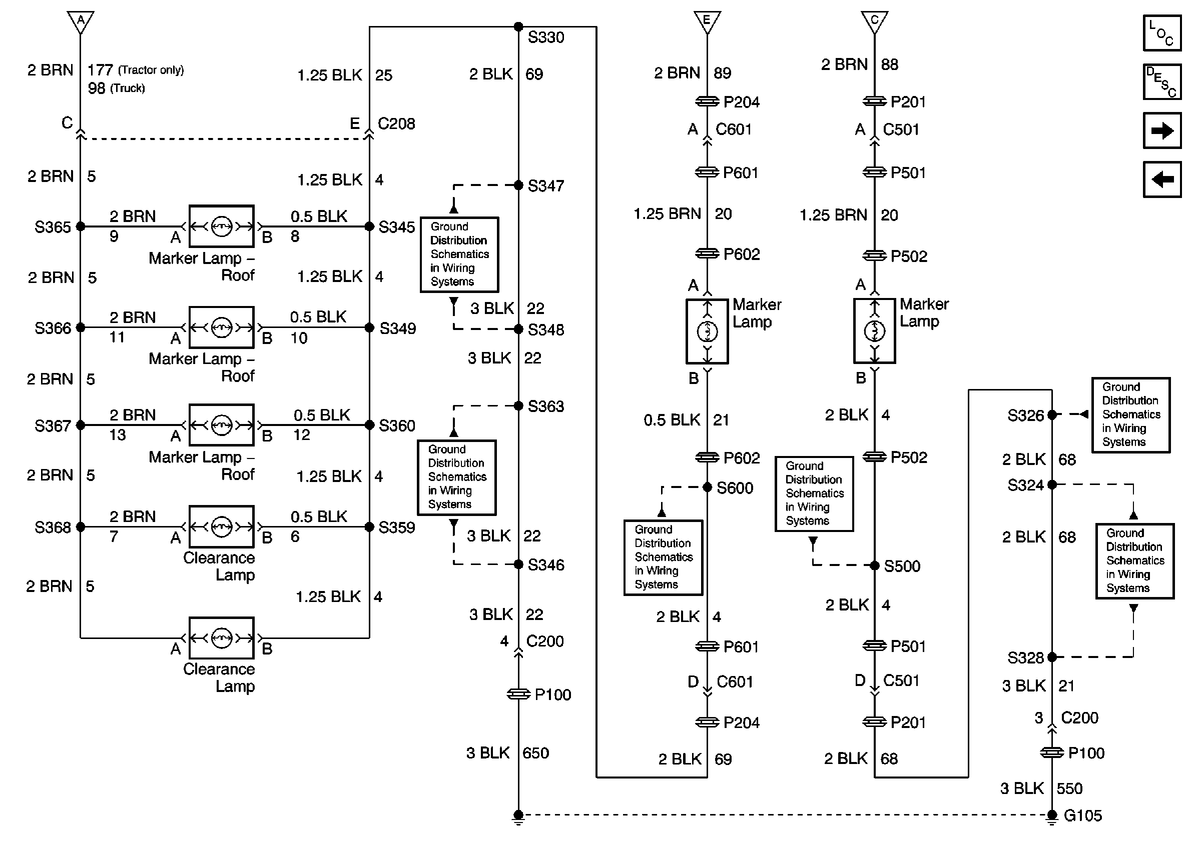
Clearance, Identification, and Marker Lamps
Clearance, Identification, and Marker Lamps
Master Electrical Component List
Exterior Lighting Systems Description and Operation
Lighted Mirrors
Trailer Stop Relay, ABS Relay
Exterior Lamps Switch and Relays
Exterior Lamps Switch and Relays
Exterior Lamps Switch and Relays
G105 Continued, S346, S347, S348, S363
G105 Continued, S346, S347, S348, S363
G105 Continued, S330, S349, S359, S360, S600
G105 Continued, S324, S326, S500
G105 Continued, S324, S326, S500
G105 S328, S325