GM Service Manual Online
For 1990-2009 cars only
Makes
🢒
Isuzu
🢒
2001
🢒
Isuzu T-Series (Truck Line C)
🢒 2 of 2
2 of 2
2 of 2
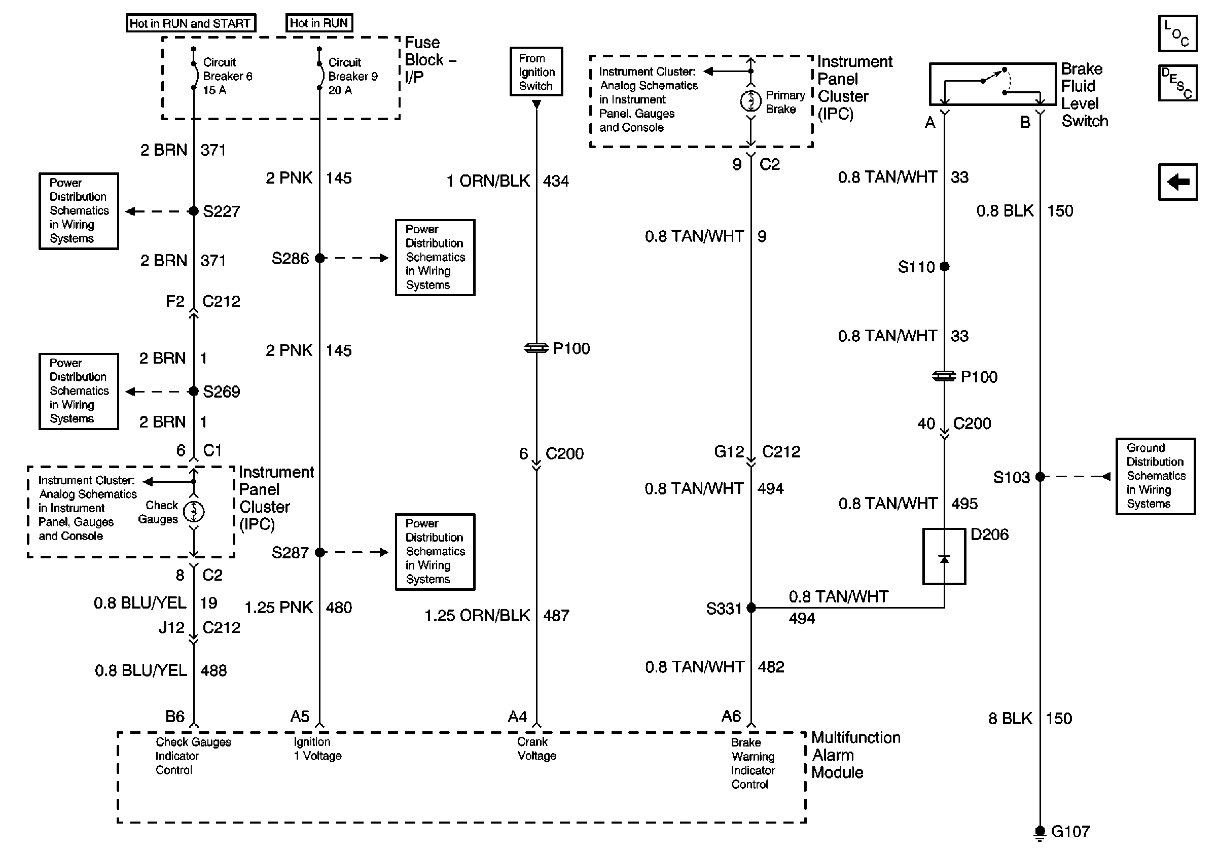
Master Electrical Component List
Hydraulic Brake System Description and Operation
1 of 2
IP Fuse Block, Circuit Breaker 6 (1 of 3)
Circuit Breaker 6 (2 of 3)
Fuel, Temperature, Oil Pressure and Check Gauges (LG5)
IP Fuse Block, Circuit Breaker 9 (1 of 3)
IP Fuse Block, Circuit Breaker 9 (1 of 3)
Illumination, Seat Belt, Primary Brake, ABS and Park Brake Lamps
G107, S103