GM Service Manual Online
For 1990-2009 cars only
Makes
🢒
Isuzu
🢒
2002
🢒
Isuzu T-Series (Truck Line C)
🢒
Body and Accessories
🢒
Entertainment
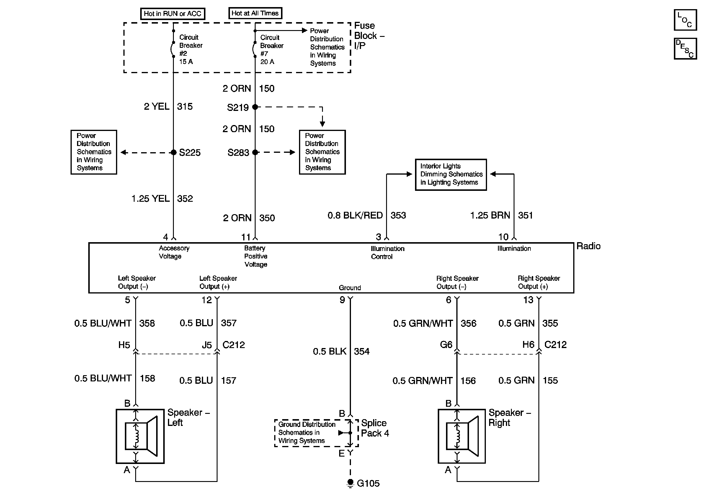
🢒 Radio/Audio System Schematics
Master Electrical Component List
Radio/Audio System Description and Operation
IP Fuse Block, Circuit Breakers 1, 2, 3
Fuse Block 1, BRK BOOST MTR, COMPUTER/PRK BRK/ENG CONTROL, AUX Fuses
IP Fuse Block, Circuit Breakers 7 and 8
Instrument Panel Lighting
G105, Splice Pack 1, Splice Pace 4, S450