GM Service Manual Online
For 1990-2009 cars only
Makes
🢒
Isuzu
🢒
2002
🢒
Isuzu T-Series (Truck Line C)
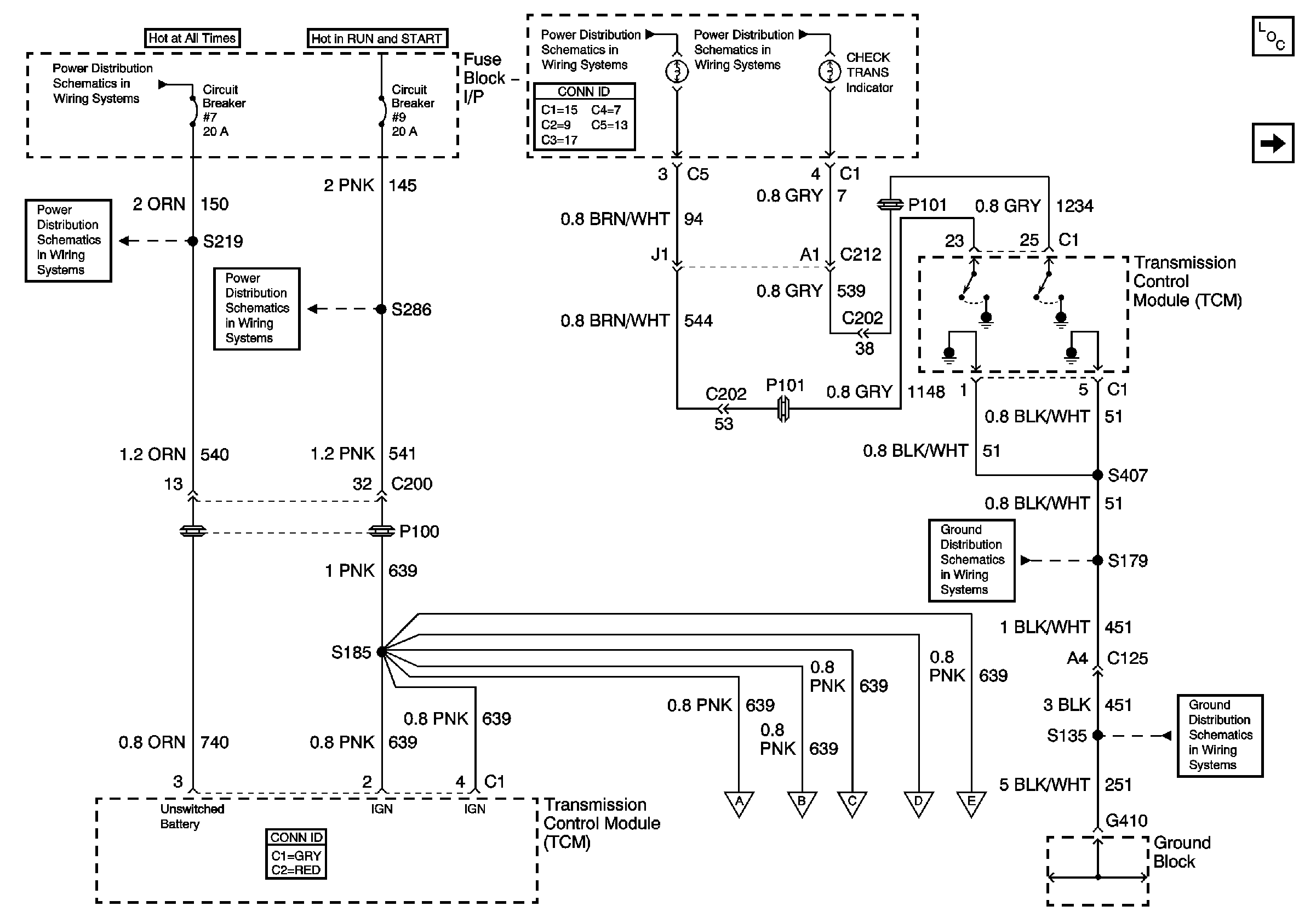
🢒 Power and Ground, MIL (MX4)
Power and Ground, MIL (MX4)
Power and Ground, MIL (MX4)
Master Electrical Component List
Data Links (MX4)
IP Fuse Block, Circuit Breakers 7, 8
IP Fuse Block, Circuit Breaker 9 (1 of 3)
IP Fuse Block, Circuit Breaker 6 (1 of 3)
Circuit Breaker 6 (2 of 3)
Circuit Breaker 9 (2 of 3)
G410, S135, S179, S407
G410, S135, S179, S407
Internal Pressure Switches and Solenoids (MX4)
Internal Pressure Switches and Solenoids (MX4)