GM Service Manual Online
For 1990-2009 cars only
Makes
🢒
Isuzu
🢒
2002
🢒
Isuzu T-Series (Truck Line C)
🢒 (1 of 3)
(1 of 3)
(1 of 3)
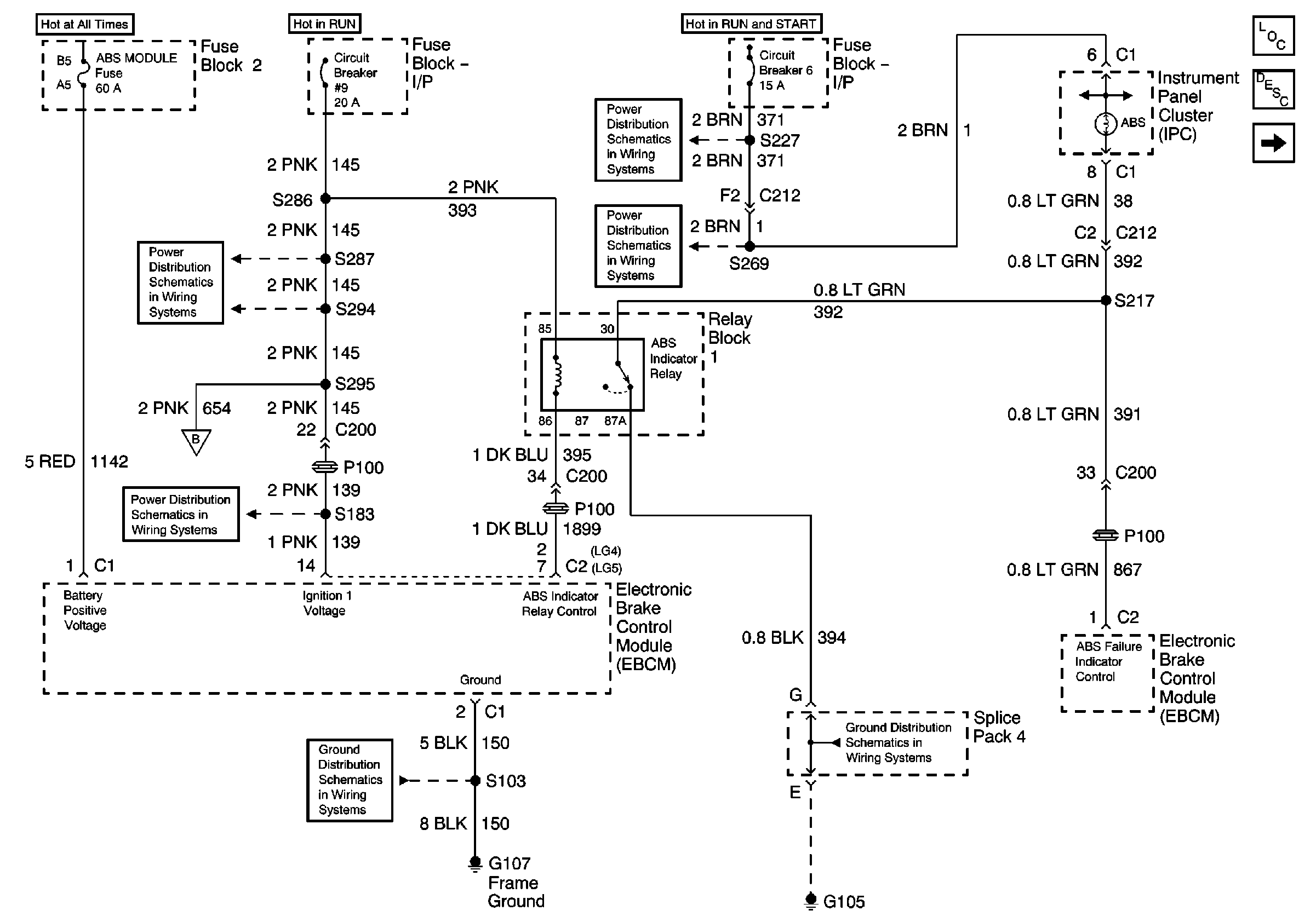
Master Electrical Component List
ABS Description and Operation
(2 of 3)
IP Fuse Block, Circuit Breaker 9 (1 of 3)
(2 of 3)
Circuit Breaker 9 (3 of 3)
G107, S103
IP Fuse Block, Circuit Breaker 6 (1 of 3)
Circuit Breaker 6 (2 of 3)
G105 Continued, Splice Pack 1, Splice Pack 4, S450