GM Service Manual Online
For 1990-2009 cars only
Makes
🢒
Isuzu
🢒
2002
🢒
Isuzu T-Series (Truck Line C)
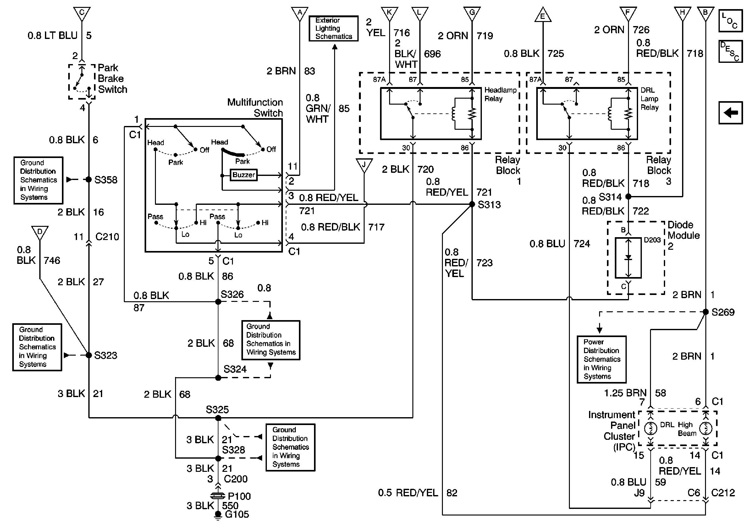
🢒 DRL Controls
DRL Controls
DRL Controls
Master Electrical Component List
Exterior Lighting Systems Description and Operation
Circuit Power, Headlamps
Circuit Breaker 6 (2 of 2)
G105 S328, S325
Exterior Lamps Switch and Relays
G105 Continued, S324, S326, S500
G105 Continued, S323, S337, S339, S357, S358
G105 Continued, S323, S337, S339, S357, S358
Circuit Power, Headlamps
Circuit Power, Headlamps
Circuit Power, Headlamps
Circuit Power, Headlamps
Circuit Power, Headlamps
Circuit Power, Headlamps
Circuit Power, Headlamps
Circuit Power, Headlamps
Circuit Power, Headlamps
Circuit Power, Headlamps
Circuit Power, Headlamps