GM Service Manual Online
For 1990-2009 cars only
Makes
🢒
Isuzu
🢒
2002
🢒
Isuzu T-Series (Truck Line C)
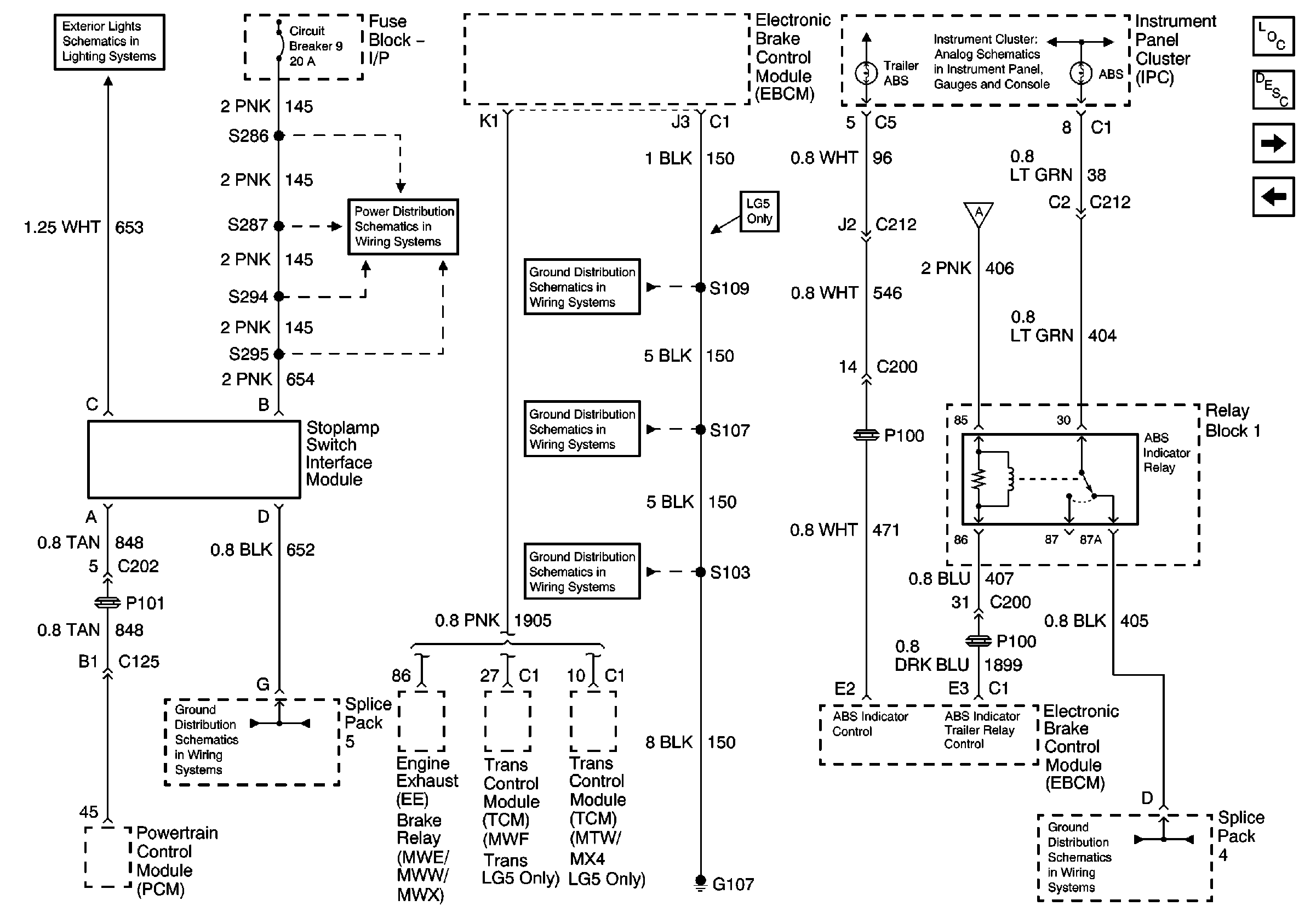
🢒 ABS Indicator Relay, EBCM
ABS Indicator Relay, EBCM
ABS Indicator Relay, EBCM
Master Electrical Component List
Air ABS Description and Operation
Rear Wheel Speed Sensors
Power and Ground
Power and Ground
Hazard Flasher, Stop Lamps Switch-JE5
IP Fuse Block, Circuit Breaker 9 (1 of 3)
G107 Continued, S109 (LG5 Only), S148, S423, S424
G107 Continued, S107
G107, S103
G105 Continued, Splice Pack 5, S242
G105 Continued, Splice Pack 1, Splice Pack 4, S450
Illumination, Seat Belt, Primary Brake, ABS and Park Brake Lamps