GM Service Manual Online
For 1990-2009 cars only
Makes
🢒
Isuzu
🢒
2002
🢒
Isuzu T-Series (Truck Line C)
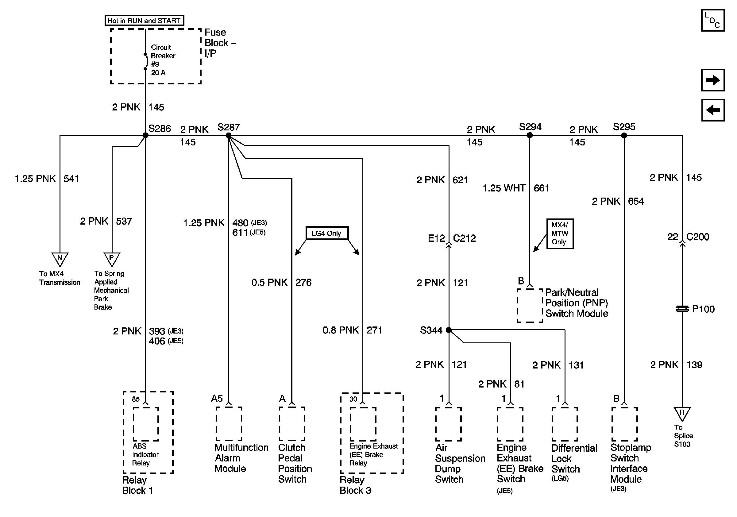
🢒 Power Distribution System Schematics - FB I/P, Circuit Breaker 9
Power Distribution System Schematics - FB I/P, Circuit Breaker 9
IP Fuse Block, Circuit Breaker 9 (1 of 3)
Master Electrical Component List
Power Distribution System Schematics - Feed from Circuit Breaker 9
Power Distribution System Schematics - FB I/P, Circuit Breaker 7, 802 MD-540 Power Distribution System Schematics - FB I/P, Circuit Breaker 7, 8
Power Distribution System Schematics - Feed from Circuit Breaker 9
Power Distribution System Schematics - Feed from Circuit Breaker 9
Power Distribution System Schematics - Feed from Circuit Breaker 9