GM Service Manual Online
For 1990-2009 cars only
Makes
🢒
Isuzu
🢒
2002
🢒
Isuzu T-Series (Truck Line C)
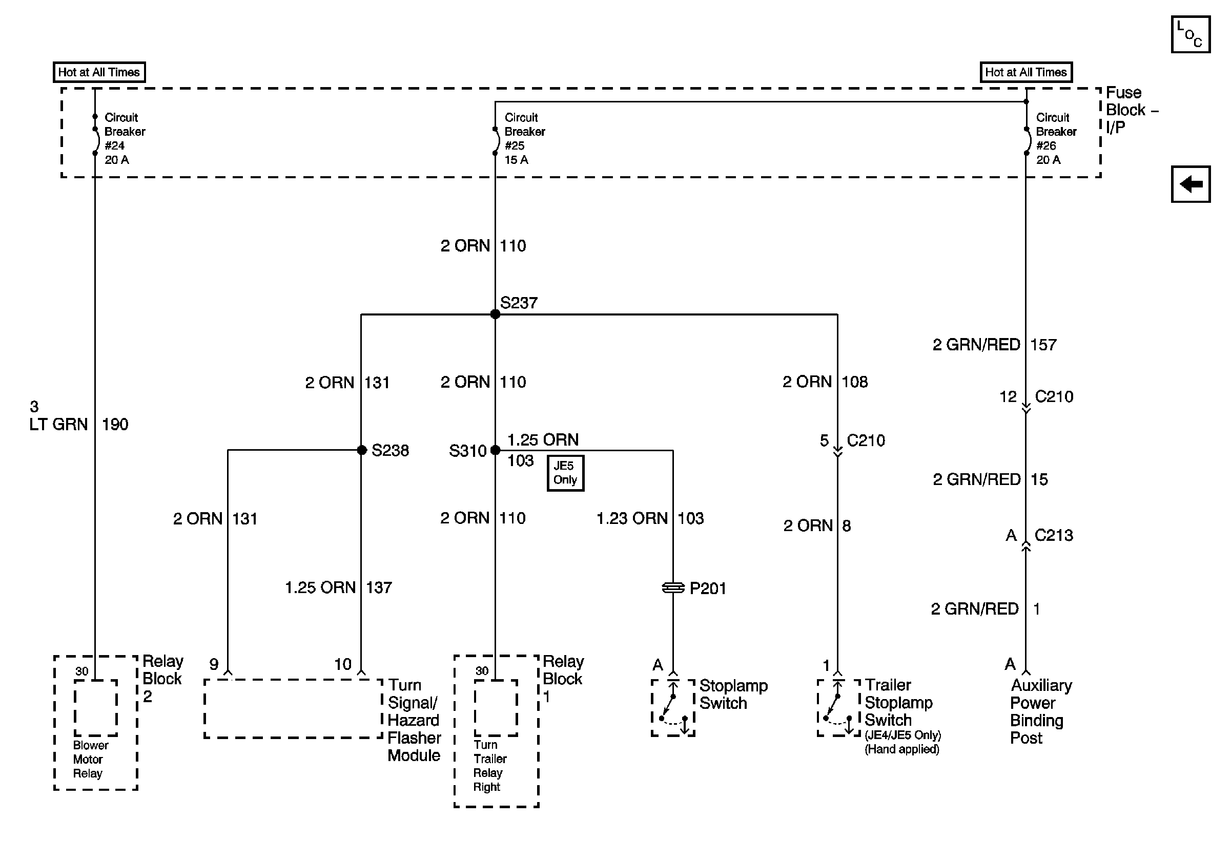
🢒 Power Distribution System Schematics - FB I/P C.B. 24, 25, 26
Power Distribution System Schematics - FB I/P C.B. 24, 25, 26
IP Fuse Block, Circuit Breakers 24, 25, 26
Master Electrical Component List
Power Distribution System Schematics - FB I/P C.B. 20, 21, 22, 23