GM Service Manual Online
For 1990-2009 cars only
Makes
🢒
Isuzu
🢒
2002
🢒
Isuzu T-Series (Truck Line C)
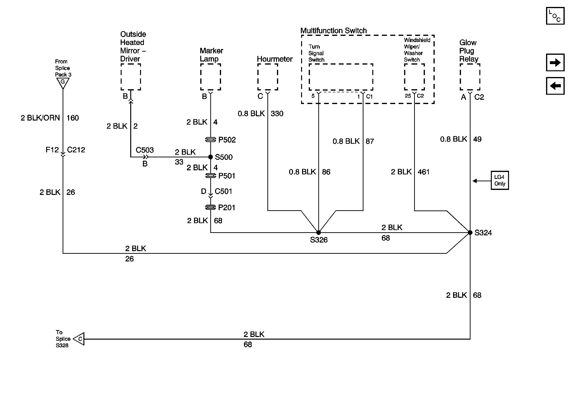
🢒 Ground Distribution Schematics - S324, S326 and S500
Ground Distribution Schematics - S324, S326 and S500
G105 Continued, S324, S326, S500
Master Electrical Component List
Ground Distribution Schematics - S346, S347, S348 and S363
Ground Distribution Schematics - G105, S325 and S328
Ground Distribution Schematics - Splice Pack 3 and S361
Ground Distribution Schematics - G105, S325 and S328