GM Service Manual Online
For 1990-2009 cars only
Makes
🢒
Isuzu
🢒
2002
🢒
Isuzu T-Series (Truck Line C)
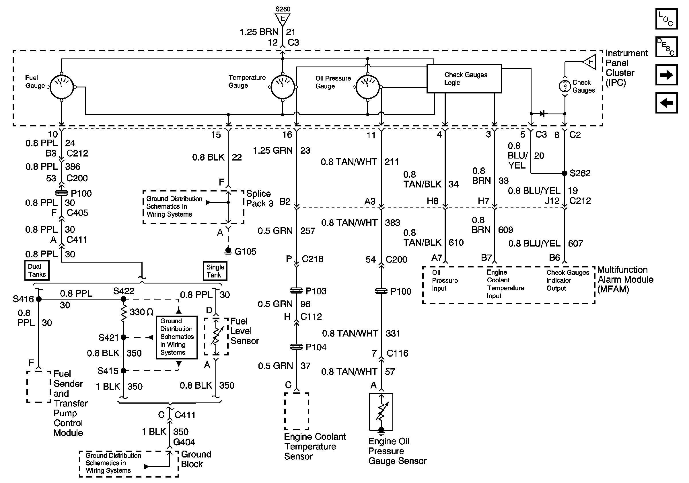
🢒 Fuel, Temperature, Oil Pressure and Check Gages
Fuel, Temperature, Oil Pressure and Check Gages
Fuel, Temperature, Oil Pressure and Check Gages (LG4)
Master Electrical Component List
Instrument Cluster Description and Operation
Aux Brake, Apply Park Brake, RH Turn, LH Turn, Service Parke Brake Lamps and Hourmeter
Trailer, ABS, Differential Lock, Fast Idle, Intake Heater, Exhaust Brake, Do Not Shift Lamp, and Tachometer (LG5)
Fuse Voltage Supply
G 407, Splice Pack 3, S120, S121, S122, S150, S242, S361
G404, G405, G406, S402, S415, S416, S421, S422, S702
G404, G405, G406, S402, S415, S416, S421, S422, S702
Trailer, ABS, Differential Lock, Fast Idle, Intake Heater, Exhaust Brake, Do Not Shift Lamp, and Tachometer (LG5)